大跨度现浇预应力空心楼盖 研究应用 钱英欣 (北京市建筑工程研究院 100039) 一、 大跨度现浇预应力空心楼盖的研发概述 此技术的发...
【 tips 】本文由李雪梅老师精心收编整理,同学们定要好好复习!现浇空心楼盖施工技术现浇混凝土空心楼盖作为住房和城乡建设部重点推广应...
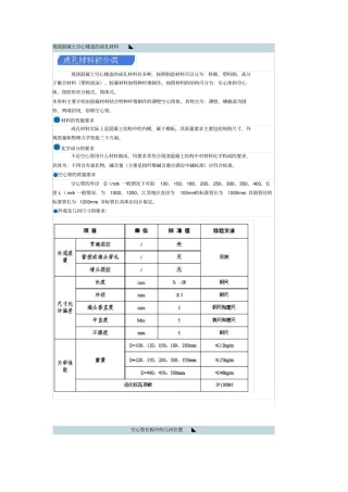
现浇混凝土空心楼盖的成孔材料◣ 现浇混凝土空心楼盖的成孔材料有多种,按照制造材料可以分为:铁制、塑料制、高分子聚合材料(塑料泡沫)...
混凝土结构课程设计1 《混凝土结构设计》课程设计现浇整体式钢筋混凝土单向板肋形楼盖指导教师:学生姓名:学号:班级:混凝土结构课程设...
下载后可任意编辑一、 工程概况: 工程名称万达广场周边市政道路及其地下结构建设工程工程地点汉溪大道北面至万博二路东面( 含万博二路交...
混凝土密肋梁空心楼盖技术 施工工法混凝土密肋梁空心楼盖施工工法1. 前言下载后可任意编辑混凝土密肋梁空心楼盖技术是一种新型的楼盖形式...
下载后可任意编辑钢筋混凝土单向板肋梁楼盖课程设计任务书一、设计题目设计某多层工业建筑( 某生产车间) 的中间楼面( 采纳现浇钢筋混凝...
下载后可任意编辑目 录1、 设计任务书-------------------------------------------------( 1) 2、 设计计算书----------------------...
下载后可任意编辑目录一、荷载情况及材料选用....................................................................................1二...
下载后可任意编辑关于现浇空心楼盖的产品与施工质量和结构安全12024 年 4 月 19 日关于现浇空心楼盖的产品与施工质量和结构安全徐焱(...
丽水学院课 程 设 计设计题目: 钢筋混凝土现浇楼盖设计课程名称:钢筋混凝土结构院系:工学院班级:土木 102 组别:单向板第 26 ...
百度文库- 让每个人平等地提升自我1 核心筒外楼盖结构施工方案1. 设计概况A 座金融大厦共 98 层,楼板厚度为 130mm和 150mm,核心...
新型预制密肋空腔楼盖体系1、体系简介基于空腔构件的新型现浇混凝土密肋楼盖结构技术,是由预制的空腔构件、现浇的钢筋混凝土密肋梁和框架...
课 程 设 计题目钢筋混凝土单向板肋梁楼盖课程设计学院(部) 建筑工程学院课程设计任务书一、课程设计目的1、 了解单向板肋梁楼盖的荷...
. . 2 钢筋混凝土楼盖结构设计2.1 楼盖结构分类及布置楼盖(屋盖)是建筑结构重要的组成部分,在建筑结构中,混凝土楼盖的造价占到整个...
下载后可任意编辑1、编制依据1.1 天津慧谷大厦工程施工图1.2 《现浇混凝土空心楼盖结构技术规程》(CECS 175-2024)1.3 《混凝土结构工...
下载后可任意编辑浅谈混凝土空心楼盖结构的施工质量控制摘要:现浇混凝土空心楼盖结构是是当前我国城市进展中的新型工艺,是当前施工过程中...
下载后可任意编辑提高现浇混凝土 GRC 管空心楼盖施工质量一、工程概况内蒙古学府康都工程位于呼和浩特市赛罕区,大学路与人民路交汇处西...
下载后可任意编辑 新乡金谷时代广场 D 座GRC 薄壁管现浇混凝土空心楼盖施工方案编制: 审核: 批准: 二〇一一年一月九日现浇混凝土...
下载后可任意编辑××工程GBF 管空心楼盖专项施工方案一、工程概况××工程,属于××广场和××路汽车下穿道间衔接天桥。基础采纳柱下钢...

