交流伺服电动机原理? 伺服电机内部的转子是永磁铁,驱动器控制的 U/V/W 三相电形成电磁场,转子在此磁场的作用下转动,同时电 机自带...
1 伺服电机 1.伺服电机的定义 伺服电动机又称执行电动机,在自动控制系统中,用作执行元件,把所收到的电信号转换成电动机轴上的角位移...
伺服电机及驱动器 三菱通用 MR-E系列 AC伺服具有位置控制和速度控制 2种模式,而且能够切换位置控制和速度控制进行运行。因此它适用与...
伺服电机原理和应用 伺服可作为交流或直流电动机。早期一般伺服直流电动机,因为只有类型的控制大电流是通过序列多年。随着晶体管成为能够...
伺服电机使用手册
伺服电机 伺服电机(serv o motor )是指在伺服系统中控制机械元件运转的发动机,是一种补助马达间接变速装置。伺服电机可使控制速度,...
伺服电机、滚珠丝杆选型与校核
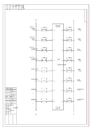
伺服焊钳功能
C 500 型 工 业 快 速 门 控 制 系 统 使 用 说 明 书 一,主回路配线 1、控制端子接线: 2、 单相 220V 动力端子配...
伺服液位计NMS53X
伺服旋转平台(第四版)
1 第六章 伺服控制系统 第一节 概 述 伺服控制系统是一种能够跟踪输入的指令信号进行动作,从而获得精确的位置、速度及动力输出的自...
第一章 伺服系统概述 伺 服 系 统 是 以 机 械 参 数 为 控 制 对 象 的 自 动 控 制 系 统 。 在 伺 服 系 ...
表示 名称内容发生原因1.电源电压不足2.发生15MS以上的瞬时停电3.因为电源容量不足所造成启动时电源电压下降4.电源OFF后5秒以内ON.5.SV A...
伺服反馈编码器概览
伦茨交流伺服驱动系统
Ⅰ 高盛易科 GSSD – A/G/H 系列 交流永磁同步伺服驱动器 技 术 说 明 书V1.3 美 国 GOSYNC 自 动 化 技 术 公司监制...
众为兴伺服QS6新软件用户手册V5.0
题 目 : 基 于 单 片 机 的 伺 服 电 机 转 速 控制 系 统下载后可任意编辑基 于 单 片 机 的 伺 服 电 机 转...
下载后可任意编辑PLC 触摸屏直接控制伺服电机程序设计 摘要:以三菱公司的 FX3U-48MT-ES-A 作为控制元件,GT1155-QFBD-C 作为操作元件...

