电脑桌面
添加小米粒文库到电脑桌面
安装后可以在桌面快捷访问

伺服电机及驱动器

伺服电机及驱动器_第1页
1/9
伺服电机及驱动器_第2页
2/9
伺服电机及驱动器_第3页
3/9
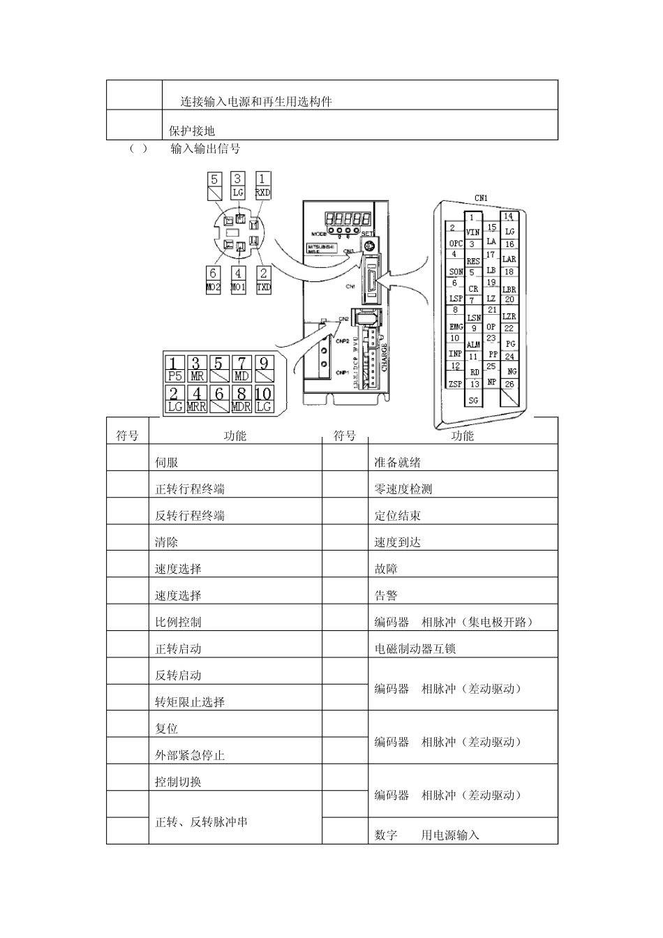
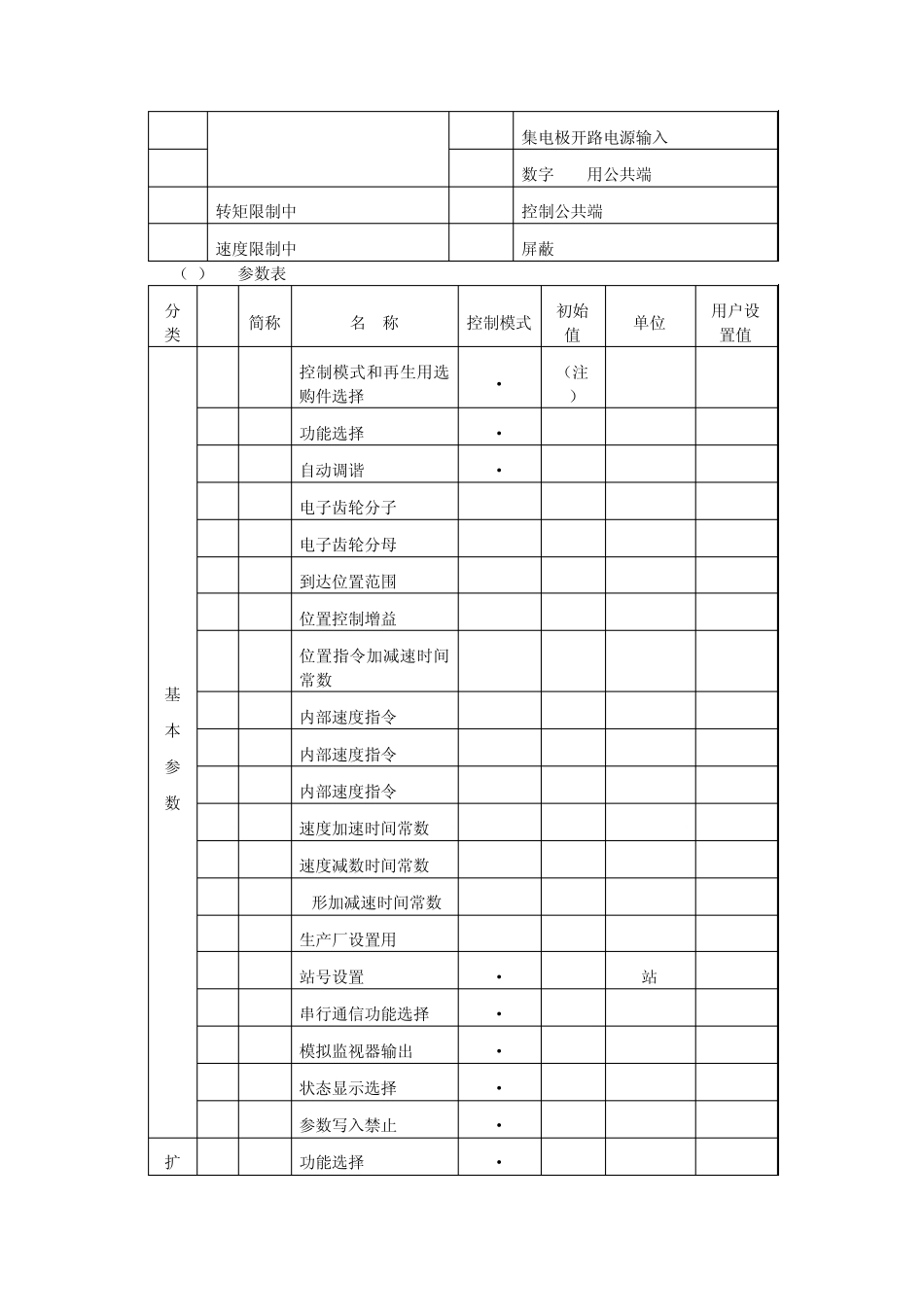
伺服电机及驱动器 三菱通用 MR-E系列 AC伺服具有位置控制和速度控制 2种模式,而且能够切换位置控制和速度控制进行运行。因此它适用与以加工机床和一般加工设备的高密度定位和平稳的速度控制为主的范围宽光的各种领域。 (1) 控制模式 a. 位置控制模式 用最高500kpps的高速脉冲串执行电机的旋转速度和方向的控制,分辨率为10000脉冲/转的高精度定位。另外,位置平滑功能可根据设备从 2种方式中选择适当的方式,对于急边的位置指令可实现平滑的启动和停止 b. 速度控制模式 用由参数够成的内部速度指令(最多 7速)对伺服电机的旋转速度和方向进行高度的平滑控制。另外,对于速度指令,它还具有进行加减速时的常数设置和停止时的伺服锁定功能。 (2) 各部分名称 编号 名称和用途 1 用 5位 7条 LED显示伺服系统的状态和报警号 2 操作状态显示、诊断、报警和参数 MODE 更换模式 UP DOWN 更改各模式时的显示数据 SET 设置数据 3 通信用连接插座(CN3) 连接个人电脑(RS-232C) 输出模拟监视信号 4 输入输出信号用插座(CN1) 连接数字输入输出信号 5 编码器用插座(CN2) 伺服电机编码器连接插座 6 充电指示灯 在主电路中有电荷存在时灯亮起,灯亮起不得进行该接电线等作业 7 电机电源用插座(CNP2) 连接伺服电机 8 电源和再生用插座(CNP1) 连接输入电源和再生用选构件 9 保护接地 (3) 输入输出信号 符号 功能 符号 功能 SON 伺服ON RD 准备就绪 LSP 正转行程终端 ZSP 零速度检测 LSN 反转行程终端 INP 定位结束 CR 清除 SA 速度到达 SP1 速度选择1 ALM 故障 SP2 速度选择2 WNG 告警 PC 比例控制 OP 编码器Z相脉冲(集电极开路) ST1 正转启动 MBR 电磁制动器互锁 ST2 反转启动 LZ 编码器Z相脉冲(差动驱动) TL 转矩限止选择 LZR RES 复位 LA 编码器A相脉冲(差动驱动) EMG 外部紧急停止 LAR LOP 控制切换 LB 编码器B相脉冲(差动驱动) PP 正转、反转脉冲串 LBR NP VIN 数字 I/F用电源输入 PG OPC 集电极开路电源输入 NG SG 数字I/F用公共端 TLC 转矩限制中 LG 控制公共端 VLC 速度限制中 SD 屏蔽 (4) 参数表 分类 NO. 简称 名 称 控制模式 初始值 单位 用户设置值 基 本 参 数 0 *STY 控制模式和再生用选购件选择 P·S (注1) 1 *OP1 功能选择1 P·S 0002 2 ATU 自动调...

1、当您付费下载文档后,您只拥有了使用权限,并不意味着购买了版权,文档只能用于自身使用,不得用于其他商业用途(如 [转卖]进行直接盈利或[编辑后售卖]进行间接盈利)。
2、本站所有内容均由合作方或网友上传,本站不对文档的完整性、权威性及其观点立场正确性做任何保证或承诺!文档内容仅供研究参考,付费前请自行鉴别。
3、如文档内容存在违规,或者侵犯商业秘密、侵犯著作权等,请点击“违规举报”。

碎片内容

伺服电机及驱动器

小辰2+ 关注
实名认证
内容提供者

出售各种资料和文档

确认删除?
VIP
微信客服
  • 扫码咨询
会员Q群
  • 会员专属群点击这里加入QQ群
客服邮箱
回到顶部