电脑桌面
添加小米粒文库到电脑桌面
安装后可以在桌面快捷访问

海南省2010年公路水运工程试验检测机构试验检测人员VIP免费

海南省2010年公路水运工程试验检测机构试验检测人员_第1页
1/7
海南省2010年公路水运工程试验检测机构试验检测人员_第2页
2/7
海南省2010年公路水运工程试验检测机构试验检测人员_第3页
3/7
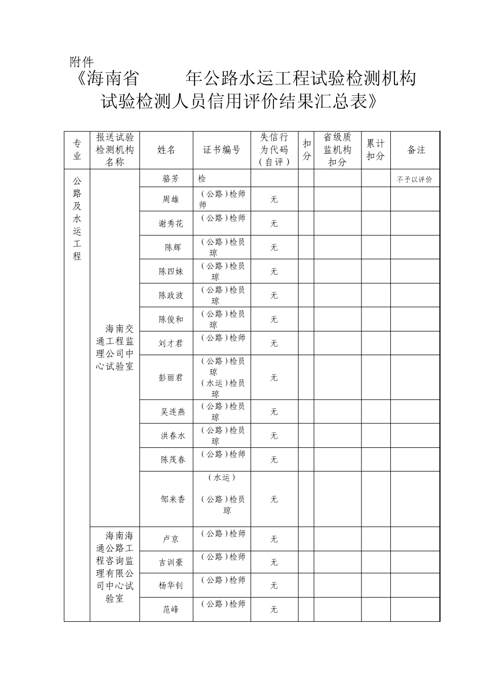
附件4 《海南省 2010年公路水运工程试验检测机构试验检测人员信用评价结果汇总表》 专业 报送试验检测机构名称 姓名 证书编号 失信行为代码(自评) 扣分 省级质监机构扣分 累计扣分 备注 公路及水运工程 1.海南交通工程监理公司中心试验室 1.骆芳 检JS-I03046 不予以评价 2.周雄 (公路)检师师)0711501G 无 0 0 0 3.谢秀花 (公路)检师0707340S 无 0 5 5 4. 陈辉 (公路)检员07琼 0117DJ 无 0 5 5 5.陈四妹 (公路)检员06琼 0020C 无 0 5 5 6.陈政波 (公路)检员07琼 0125D 无 0 5 5 7.陈俊和 (公路)检员06琼 0018CD 无 0 5 5 8.刘才君 (公路)检师0707339CG 无 0 5 5 9.彭丽君 (公路)检员09琼 0063CD (水运)检员09琼 0003C 无 0 5 5 10.吴连燕 (公路)检员07琼 0123C 无 0 5 5 11.洪春水 (公路)检员09琼 0028C 无 0 0 0 12.陈茂春 (公路)检师0707340S 无 0 5 5 13.邹来香 (水运)20050339 (公路)检员09琼0007CDQ 无 0 5 5 2.海南海通公路工程咨询监理有限公司中心试验室 1.卢京 (公路)检师0707340S 无 0 5 5 2.吉训豪 (公路)检师0711498C 无 0 5 5 3.杨华钊 (公路)检师0920564S 无 0 0 0 4.范峰 (公路)检师0707340S 无 0 5 5 5.史大功 (公路)检师0917521G 无 0 0 0 6.张丽华 (公路)检师1029831G 无 0 0 0 7.张文燕 (公路)检师1030777GQ 无 0 0 0 8.周安康 (公路)检师0606442D 无 0 10 10 9.陈虹 (公路)检员07琼0116D 无 0 10 10 10.李扬 (公路)检员07琼0120D 无 0 5 5 11. 吴燕 (公路)检员06琼0055CQ 无 0 5 5 12.黄光华 (公路)检员07琼0120D 无 0 10 10 13. 郑大江 (公路)检员09琼0008D 无 0 5 5 14.徐海鸿 (公路)检员07琼0012C 无 0 5 5 15.高魁 (公路)检员07琼0118C 无 0 5 5 16.陈建明 (公路)检员07琼0010C 无 0 5 5 17.易治民 (公路)检员07琼0013CD 无 0 0 0 18.刘波 (公路)检员07琼0011DQ 无 0 0 0 19.郑水养 (公路)检员06琼0008CG 无 0 0 0 20.陈亚敏 (公路)检员09琼0079D 无 0 0 0 21.孙希荣 (公路)检员09琼0114CD 无 0 0 0 22.薛金 2008124036 不予以评价 23.陈诗静 200316614 不予以评价 24.邓雪梅 2008124066 不...

1、当您付费下载文档后,您只拥有了使用权限,并不意味着购买了版权,文档只能用于自身使用,不得用于其他商业用途(如 [转卖]进行直接盈利或[编辑后售卖]进行间接盈利)。
2、本站所有内容均由合作方或网友上传,本站不对文档的完整性、权威性及其观点立场正确性做任何保证或承诺!文档内容仅供研究参考,付费前请自行鉴别。
3、如文档内容存在违规,或者侵犯商业秘密、侵犯著作权等,请点击“违规举报”。

碎片内容

海南省2010年公路水运工程试验检测机构试验检测人员

确认删除?
VIP
微信客服
  • 扫码咨询
会员Q群
  • 会员专属群点击这里加入QQ群
客服邮箱
回到顶部