电脑桌面
添加小米粒文库到电脑桌面
安装后可以在桌面快捷访问

建筑给水排水工程课程设计指导书VIP免费

建筑给水排水工程课程设计指导书_第1页
1/12
建筑给水排水工程课程设计指导书_第2页
2/12
建筑给水排水工程课程设计指导书_第3页
3/12
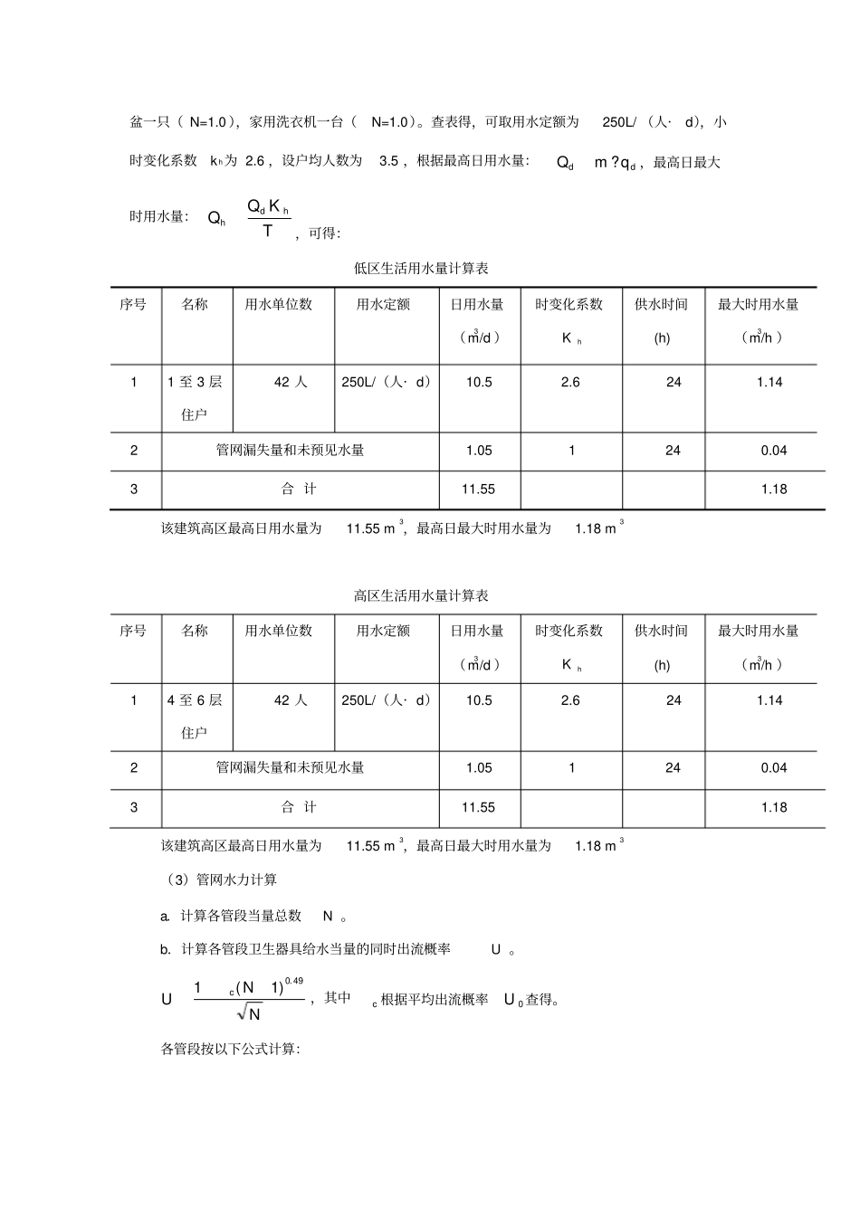
《建筑给水排水工程》课程设计任务书及指导书一、设计资料(1)建筑资料建筑各层平面图、建筑剖面图、厨厕大样图等。建筑物为六层住宅,采用钢筋混凝土框架结构,层高为3M,室内外高差为0.1M。(2)水源资料在建筑物北面有城镇给水管道和城镇排水管道(分流制),据调查了解当在夏天用水高峰时外网水压为190kpa,但深夜用水低峰时可达310kpa;环卫部门要求生活污水需经化粪池处理后才能排入城镇排水管道。每户厨房内设洗涤盆一个,厕所内设蹲式 (或坐式) 大便器,洗脸盆、淋浴器(或浴盆) 及用水龙头 (供洗衣机用)各一个。每户设水表一个,整幢住宅楼设总表一个。二、设计内容1.设计计算书一份,包括下列内容(1)分析设计资料,确定建筑内部的给水方式及排水体制。(2)考虑厨厕内卫生器具的布置及管道的布置与敷设。(3)室内外管道材料、设备的选用及敷设安装方法的确定。(4)建筑内部给排水系统的计算。(5)其它构筑物及计量仪表的选用、计算。(6)室外管道定线布置及计算(定出管径、管坡等数据及检查井底标高,井径,化粪池进出管的管内底标高等) 。2.绘制下列图纸(1) 各层给排水平面图( 1:100)。(2) 系统图(3) 厨厕放大图( 1:50)。(4) 主要文字说明和图例等。《建筑给水排水工程》课程设计计算说明书一、给水方式及排水体制的确定(1)给水方式的确定根据所给资料该建筑为六层建筑,层高为3m,每层 4 户,为普通二类建筑。夏天用水高峰时外网水压为190kpa,但深夜用水低峰时可达310kpa,估算自室外地面算起系统所需的水压H=4( n+1) =4(6+1)=28m=280kPa ,根据市政管网供水压力以及用户用水要求,进行方案比较:方案一 :直接给水方式。由于夏天用水高峰时,外网压力190kpa<280kPa,会出现供水不足的现象,故不能采用直接供水方式,应选择相应的调蓄增压给水方式。方案二 :单设水箱给水方式。夜间用水低峰时,外网供水压力可达310kpa>280kpa,除满足用户用水要求外还有盈余,可以设置屋面水箱,将剩余压力利用起来,在夜间储备相应楼层用户一天所需的水量,实现能耗节省,切供水安全可靠性较好。方案三 :水泵水箱联合给水方式。当室外给水管网水压经常不足。室内用水不均匀、室外网不允许水泵直接吸水而建筑物允许设置水箱时,可以选择这种给水方式。这种给方式,水泵能及时向水箱充水,可以减小水箱容积。同时,在水箱调节下,水泵能稳定在高效点工作,节省电耗。依据用户用水要求,结合市...

1、当您付费下载文档后,您只拥有了使用权限,并不意味着购买了版权,文档只能用于自身使用,不得用于其他商业用途(如 [转卖]进行直接盈利或[编辑后售卖]进行间接盈利)。
2、本站所有内容均由合作方或网友上传,本站不对文档的完整性、权威性及其观点立场正确性做任何保证或承诺!文档内容仅供研究参考,付费前请自行鉴别。
3、如文档内容存在违规,或者侵犯商业秘密、侵犯著作权等,请点击“违规举报”。

碎片内容

建筑给水排水工程课程设计指导书

确认删除?
VIP
微信客服
  • 扫码咨询
会员Q群
  • 会员专属群点击这里加入QQ群
客服邮箱
回到顶部