电脑桌面
添加小米粒文库到电脑桌面
安装后可以在桌面快捷访问

建筑设计防火规范GB500120142018修订版-表格汇总注消专用VIP免费

建筑设计防火规范GB500120142018修订版-表格汇总注消专用_第1页
1/28
建筑设计防火规范GB500120142018修订版-表格汇总注消专用_第2页
2/28
建筑设计防火规范GB500120142018修订版-表格汇总注消专用_第3页
3/28
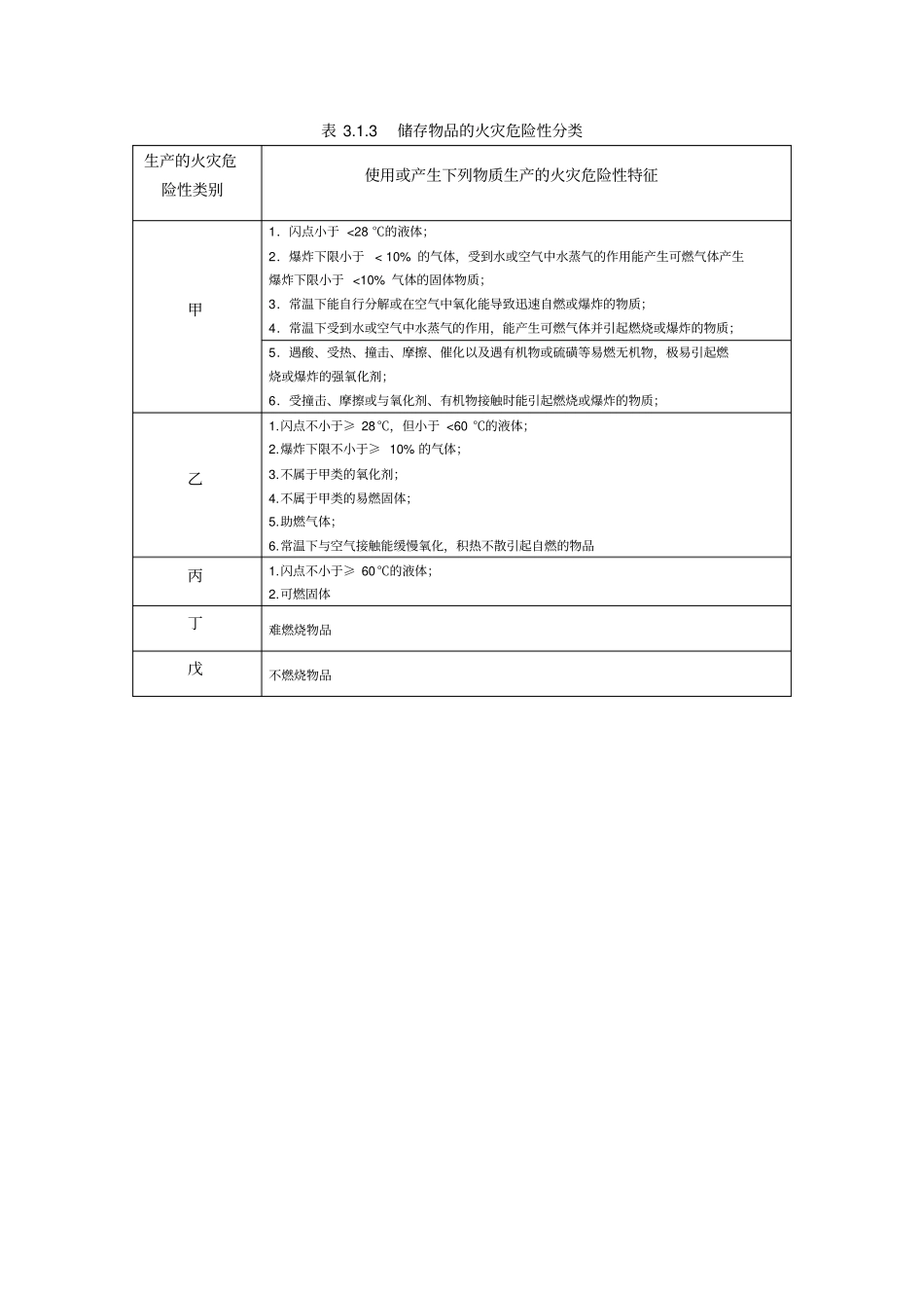
表 3.1.1 生产的火灾危险性分类生产的火灾危险性类别使用或产生下列物质生产的火灾危险性特征甲1.闪点小于 <28 ℃的液体;2.爆炸下限小于< 10% 的气体;3.常温下能自行分解或在空气中氧化能导致迅速自燃或爆炸的物质;4.常温下受到水或空气中水蒸气的作用,能产生可燃气体并引起燃烧或爆炸的物质;5.遇酸、受热、撞击、摩擦、催化以及遇有机物或硫磺等易燃无机物,极易引起燃烧或爆炸的强氧化剂;6.受撞击、摩擦或与氧化剂、有机物接触时能引起燃烧或爆炸的物质;7.在密闭设备内操作温度不小于≥物质本身自然点的生产乙1.闪点不小于≥ 28℃,但小于 <60 ℃的液体;2.爆炸下限不小于≥ 10% 的气体;3.不属于甲类的氧化剂;4.不属于甲类的易燃固体;5.助燃气体;6.能与空气形成爆炸性混合物的浮游状态的粉尘、纤维、闪点不小于≥60 ℃的液体雾滴丙1.闪点不小于≥ 60℃的液体;2.可燃固体丁1.对不燃烧物质进行加工,并在高温或熔化状态下经常产生强辐射热、火花或火焰的生产;2.利用气体、液体、固体作为燃料或将气体、液体进行燃烧作其他用的各种生产;3.常温下使用或加工难燃烧物质的生产戊常温下使用或加工不燃烧物质的生产表 3.1.3 储存物品的火灾危险性分类生产的火灾危险性类别使用或产生下列物质生产的火灾危险性特征甲1.闪点小于 <28 ℃的液体;2.爆炸下限小于< 10% 的气体,受到水或空气中水蒸气的作用能产生可燃气体产生爆炸下限小于 <10% 气体的固体物质;3.常温下能自行分解或在空气中氧化能导致迅速自燃或爆炸的物质;4.常温下受到水或空气中水蒸气的作用,能产生可燃气体并引起燃烧或爆炸的物质;5.遇酸、受热、撞击、摩擦、催化以及遇有机物或硫磺等易燃无机物,极易引起燃烧或爆炸的强氧化剂;6.受撞击、摩擦或与氧化剂、有机物接触时能引起燃烧或爆炸的物质;乙1.闪点不小于≥ 28℃,但小于 <60 ℃的液体;2.爆炸下限不小于≥ 10% 的气体;3.不属于甲类的氧化剂;4.不属于甲类的易燃固体;5.助燃气体;6.常温下与空气接触能缓慢氧化,积热不散引起自燃的物品丙1.闪点不小于≥ 60℃的液体;2.可燃固体丁难燃烧物品戊不燃烧物品表 3.2.1 不同耐火等级厂房和仓库建筑构件的燃烧性能和耐火极限(h)构件名称耐火等级一级二级三级四级墙防火墙不燃性3.00 不燃性3.00 不燃性3.00 不燃性3.00 承重墙不燃性3.00 不燃性2.50 不燃性2.00 难燃性0.50 楼梯间和前室的墙电梯井的墙不燃性2.00 ...

1、当您付费下载文档后,您只拥有了使用权限,并不意味着购买了版权,文档只能用于自身使用,不得用于其他商业用途(如 [转卖]进行直接盈利或[编辑后售卖]进行间接盈利)。
2、本站所有内容均由合作方或网友上传,本站不对文档的完整性、权威性及其观点立场正确性做任何保证或承诺!文档内容仅供研究参考,付费前请自行鉴别。
3、如文档内容存在违规,或者侵犯商业秘密、侵犯著作权等,请点击“违规举报”。

碎片内容

建筑设计防火规范GB500120142018修订版-表格汇总注消专用

确认删除?
VIP
微信客服
  • 扫码咨询
会员Q群
  • 会员专属群点击这里加入QQ群
客服邮箱
回到顶部