电脑桌面
添加小米粒文库到电脑桌面
安装后可以在桌面快捷访问

5102掘进工作面地质说明书.tmpVIP专享VIP免费

5102掘进工作面地质说明书.tmp_第1页
1/8
5102掘进工作面地质说明书.tmp_第2页
2/8
5102掘进工作面地质说明书.tmp_第3页
3/8
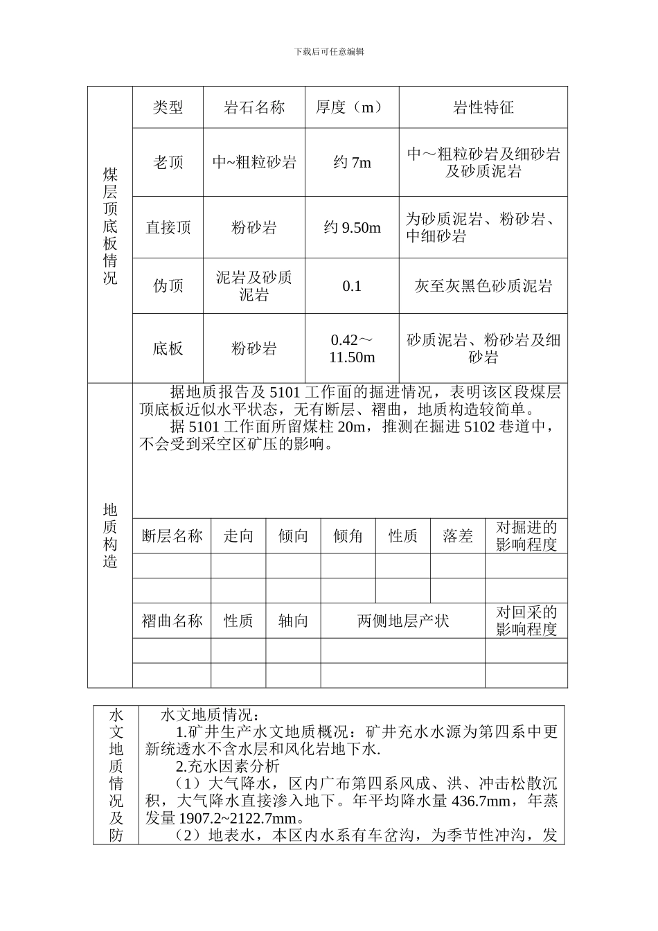
下载后可任意编辑 5102 掘进工作面地质说明书本说明书依据内容为:地测科测量,生产技术科有关图纸,数据资料,矿井地质报告及水文地址类型划分报告。概况煤层名称工作面采区煤层倾角工作面长度5-2#煤层51 盘区0~1º1140m地面标高工作面标高掘进煤量回采煤量1105m~1176m992.5m50T/t17741t位置5102 工作面沿 5-2 煤层掘进,该工作面位于 51 盘区辅运大巷北侧,皮带运输大巷开口方位角为 90°,东侧为 5103 工作面(尚未形成),西侧为 5101 采煤工作面。地表地形为黄土梁峁区,无河流及建筑物。51盘区煤层情矿5-2 煤层位于侏罗纪中统延安组。深埋 0~ 238.8m,煤层厚度 0.75m~3.30m,平均 2.09m,由南向北逐渐变薄,该煤层厚度较为稳定,区内大部分可采。煤层直接顶以灰色灰白色粗粒长石石英砂岩和细类砂岩为主厚度分别为 9.50m、1.86m,煤层结构简单,局部含 1~3 层夹矸,夹矸厚度 0.05~0.25m,一般0.10m 左右,其岩性以粉砂岩为主,泥岩次之,底板标高为+1015~+965m。煤质情况MadAdVdafSt,dPdQnet,daf品种4.61~9.31%4.61~12.70%30.64~39.23%0.21~0.46%0.052%28.68~31.45MJ/kg长焰煤 、 不粘煤下载后可任意编辑煤层顶底板情况类型岩石名称厚度(m)岩性特征老顶中~粗粒砂岩约 7m中~粗粒砂岩及细砂岩及砂质泥岩直接顶粉砂岩约 9.50m为砂质泥岩、粉砂岩、中细砂岩伪顶泥岩及砂质泥岩0.1灰至灰黑色砂质泥岩底板粉砂岩0.42~11.50m砂质泥岩、粉砂岩及细砂岩地质构造据地质报告及 5101 工作面的掘进情况,表明该区段煤层顶底板近似水平状态,无有断层、褶曲,地质构造较简单。据 5101 工作面所留煤柱 20m,推测在掘进 5102 巷道中,不会受到采空区矿压的影响。断层名称走向倾向倾角性质落差对掘进的影响程度褶曲名称性质轴向两侧地层产状对回采的影响程度水 文 地 质 情 况 及 防 水文地质情况:1.矿井生产水文地质概况:矿井充水水源为第四系中更新统透水不含水层和风化岩地下水. 2.充水因素分析(1)大气降水,区内广布第四系风成、洪、冲击松散沉积,大气降水直接渗入地下。年平均降水量 436.7mm,年蒸发量 1907.2~2122.7mm。(2)地表水,本区内水系有车岔沟,为季节性冲沟,发下载后可任意编辑治 措 施源于井田中部,北东向从本井田南部流过,最后汇入乌兰木伦河。(3)地下水,本区地下水极不丰富。煤系地层含水层是煤层的直接充水含水层,侵蚀基准面以上煤层顶板砂岩含水层,水量小,富...

1、当您付费下载文档后,您只拥有了使用权限,并不意味着购买了版权,文档只能用于自身使用,不得用于其他商业用途(如 [转卖]进行直接盈利或[编辑后售卖]进行间接盈利)。
2、本站所有内容均由合作方或网友上传,本站不对文档的完整性、权威性及其观点立场正确性做任何保证或承诺!文档内容仅供研究参考,付费前请自行鉴别。
3、如文档内容存在违规,或者侵犯商业秘密、侵犯著作权等,请点击“违规举报”。

碎片内容

5102掘进工作面地质说明书.tmp

确认删除?
VIP
微信客服
  • 扫码咨询
会员Q群
  • 会员专属群点击这里加入QQ群
客服邮箱
回到顶部