电脑桌面
添加小米粒文库到电脑桌面
安装后可以在桌面快捷访问

开东现浇箱梁施工方案,正式VIP免费

开东现浇箱梁施工方案,正式_第1页
1/50
开东现浇箱梁施工方案,正式_第2页
2/50
开东现浇箱梁施工方案,正式_第3页
3/50
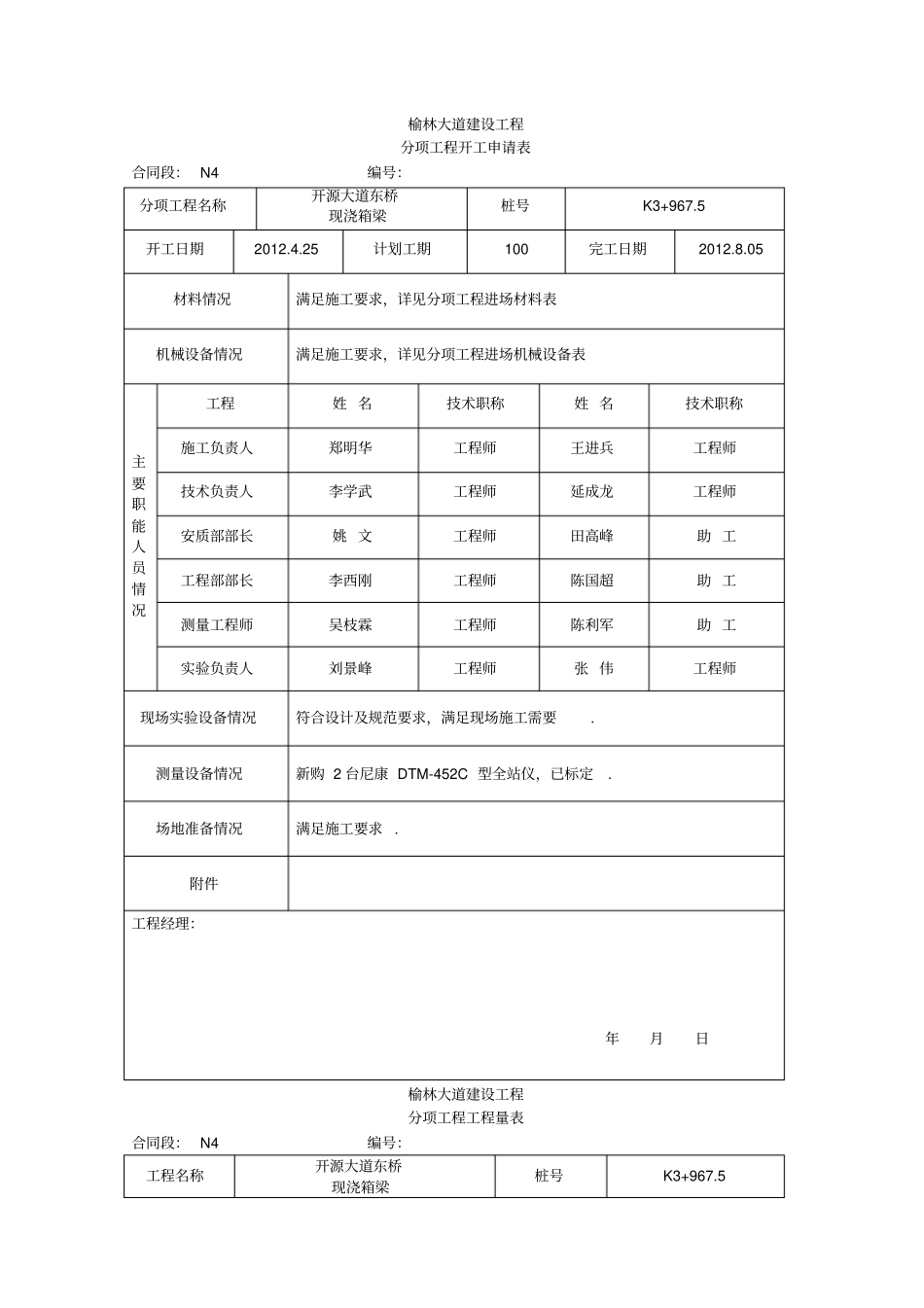
目录分项工程开工申请表 ........................................................................................................... 1 分项工程工程量表 ............................................................................................................... 1分项工程现场管理人员表 ................................................................................................... 2分项工程进场机械设备表 ................................................................................................... 3导线成果表 ........................................................................................................................... 4水准点成果表 ....................................................................................................................... 5分项工程现场施工人力表 ................................................................................................... 6第一章 施工准备 ................................................................................................................. 71.工程简况 .................................................................................................................... 72.施工准备 .................................................................................................................... 8第二章 碗扣式满堂支架搭设计算 ..................................................................................... 9一、设计依据 ............................................................................................................... 9二、施工方法简介 ....................................................................................................... 9三、碗扣式满堂支架搭设 ......................................................................................... 10四、地基处理 ............................................................................................................. 12五、支架计算 ......................................................

1、当您付费下载文档后,您只拥有了使用权限,并不意味着购买了版权,文档只能用于自身使用,不得用于其他商业用途(如 [转卖]进行直接盈利或[编辑后售卖]进行间接盈利)。
2、本站所有内容均由合作方或网友上传,本站不对文档的完整性、权威性及其观点立场正确性做任何保证或承诺!文档内容仅供研究参考,付费前请自行鉴别。
3、如文档内容存在违规,或者侵犯商业秘密、侵犯著作权等,请点击“违规举报”。

碎片内容

开东现浇箱梁施工方案,正式

您可能关注的文档

确认删除?
VIP
微信客服
  • 扫码咨询
会员Q群
  • 会员专属群点击这里加入QQ群
客服邮箱
回到顶部