电脑桌面
添加小米粒文库到电脑桌面
安装后可以在桌面快捷访问

弱电系统施工方案58369VIP免费

弱电系统施工方案58369_第1页
1/29
弱电系统施工方案58369_第2页
2/29
弱电系统施工方案58369_第3页
3/29
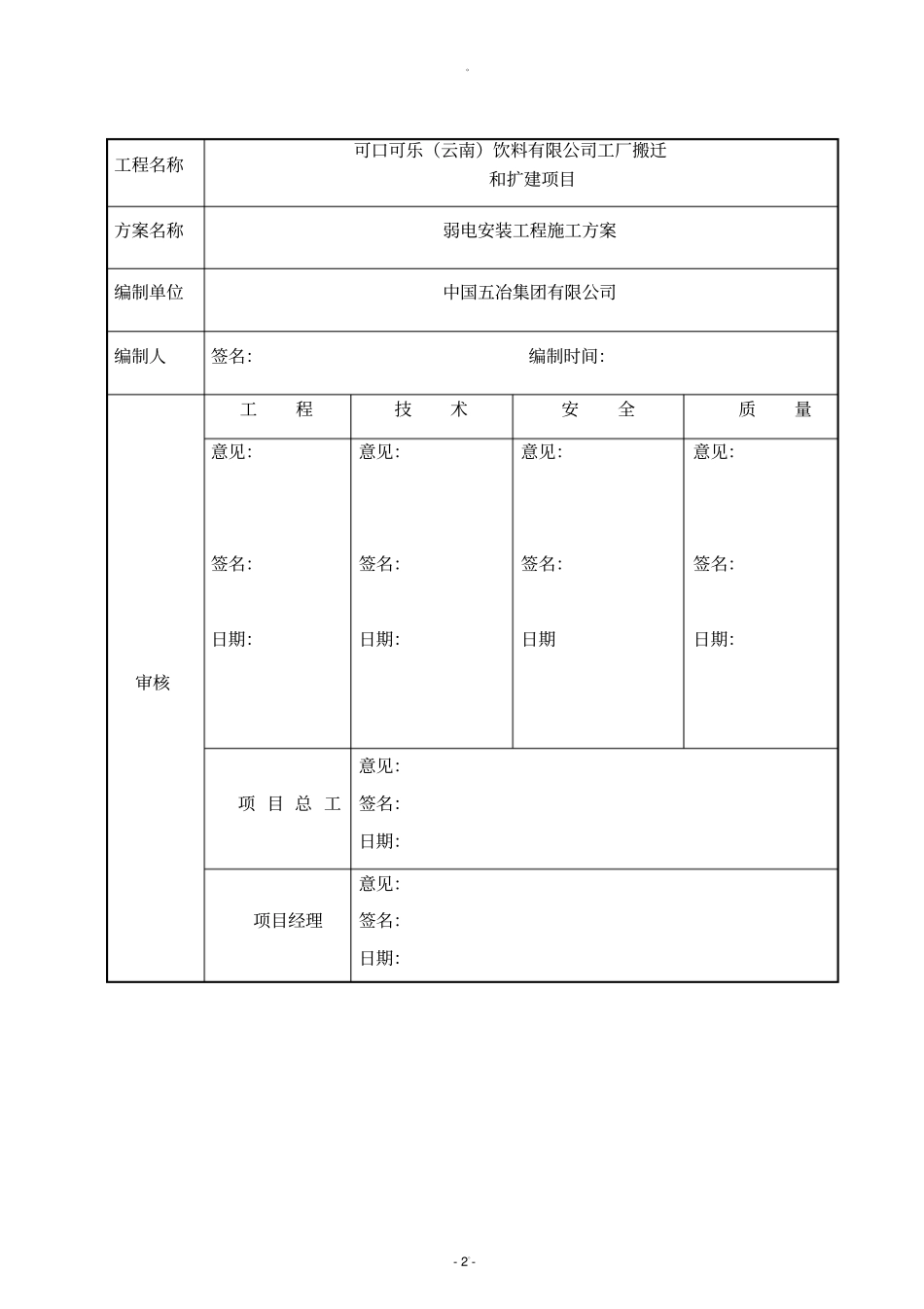
。。- 1 - 可口可乐(云南)饮料有限公司工厂搬迁和扩建项目弱电安装工程施工方案编号:编制单位:中国五冶集团有限公司编制日期: 2016 年10月施工方案(组织设计、安全专项方案、常规技术方案)审批页(一)。。- 2 - 工程名称可口可乐(云南)饮料有限公司工厂搬迁和扩建项目方案名称弱电安装工程施工方案编制单位中国五冶集团有限公司编制人签名:编制时间:审核工程技术安全质量意见:签名:日期:意见:签名:日期:意见:签名:日期意见:签名:日期:项 目 总 工意见:签名:日期:项目经理意见:签名:日期:。。- 3 - 目录第一章工程概况 · · · · · · · · · · · · · · · · · · · · · · · · · · · · ·1第二章编制依据 · · · · · · · · · · · · · · · · · · · · · · · · · · · · ·4第三章总体施工部署· · · · · · · · · · · · · · · · · · · · · · · · · · ·5第一节施工准备 · · · · · · · · · · · · · · · · · · · · · · · · · · · · ·5 第二节施工步骤 · · · · · · · · · · · · · · · · · · · · · · · · · · · · ·5 第三节施工进度计划· · · · · · · · · · · · · · · · · · · · · · · · · · ·5 第四节施工资源计划· · · · · · · · · · · · · · · · · · · · · · · · · · ·7 1项目管理组织 · · · · · · · · · · · · · · · · · · · · · · · · · · · ·72劳动力资源配置· · · · · · · · · · · · · · · · · · · · · · · · · · ·73施工机械配置 · · · · · · · · · · · · · · · · · · · · · · · · · · · ·8第四章主要施工方法及技术措施· · · · · · · · · · · · · · · · · · · · · ·9第一节施工要求 · · · · · · · · · · · · · · · · · · · ...

1、当您付费下载文档后,您只拥有了使用权限,并不意味着购买了版权,文档只能用于自身使用,不得用于其他商业用途(如 [转卖]进行直接盈利或[编辑后售卖]进行间接盈利)。
2、本站所有内容均由合作方或网友上传,本站不对文档的完整性、权威性及其观点立场正确性做任何保证或承诺!文档内容仅供研究参考,付费前请自行鉴别。
3、如文档内容存在违规,或者侵犯商业秘密、侵犯著作权等,请点击“违规举报”。

碎片内容

弱电系统施工方案58369

爱的疯狂+ 关注
实名认证
内容提供者

该用户很懒,什么也没介绍

确认删除?
VIP
微信客服
  • 扫码咨询
会员Q群
  • 会员专属群点击这里加入QQ群
客服邮箱
回到顶部