电脑桌面
添加小米粒文库到电脑桌面
安装后可以在桌面快捷访问

微孔曝气器安装施工方案VIP免费

微孔曝气器安装施工方案_第1页
1/5
微孔曝气器安装施工方案_第2页
2/5
微孔曝气器安装施工方案_第3页
3/5
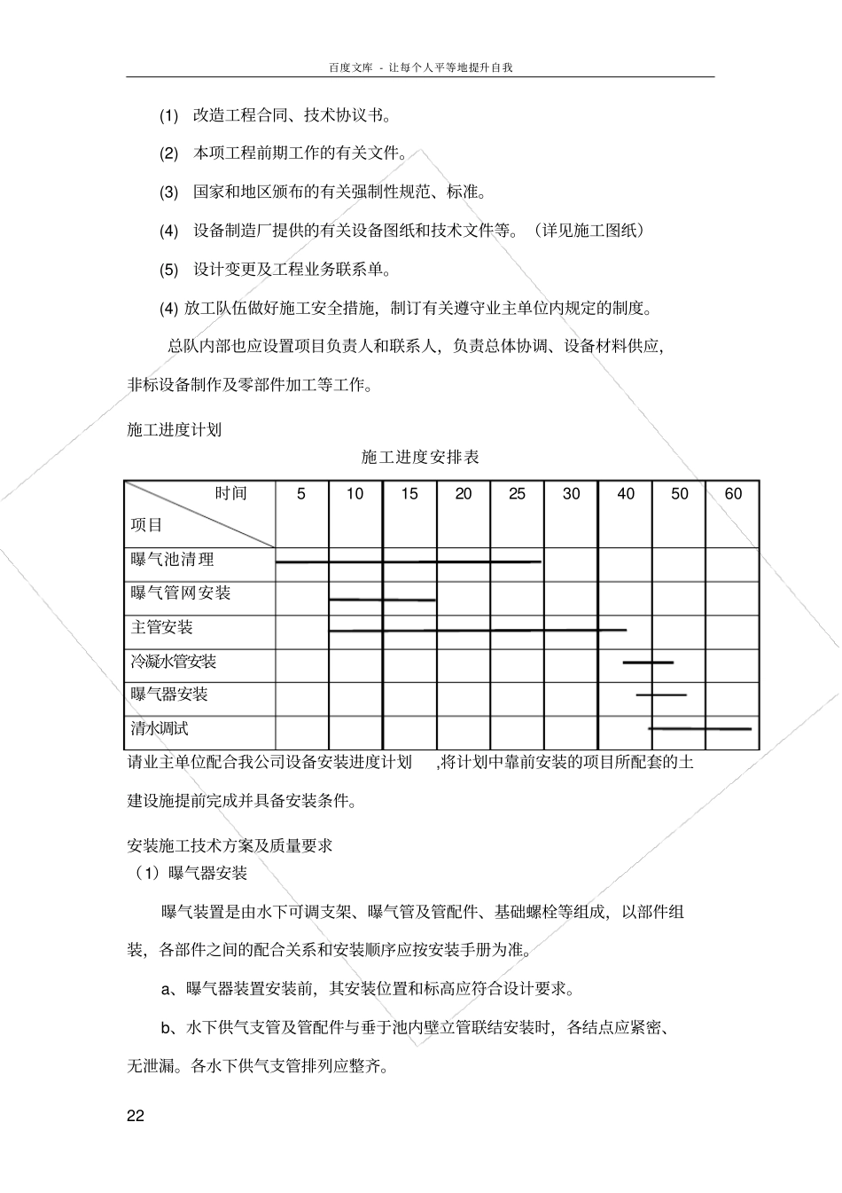
百度文库 - 让每个人平等地提升自我11微孔曝气器选型及安装注意事项一、产品介绍:膜片式微孔曝气器的曝气气泡直径小,气液界面直径小, 气液界面积大, 气泡扩散均匀,不会产生孔眼堵塞,耐腐蚀性强,经50 多家用户多年使用效果良好(比常规产品固定螺旋曝气器,散流曝气器和穿孔管曝气器能耗降低40%,或增加污水处理量 40%)。特别适用于城市污水和大型工厂新建扩建和老曝气池改造,且曝气池可间歇运行。二、曝气器主要技术参数:曝气器尺寸:Φ 2 15mm,Φ 260mm ,Φ 300mm 服务面积:- 0.55m2/ 个,-0.75m2 个曝气膜片运行平均孔隙:80-100 微米空气流量: -3m3个 h 氧总转移系数: kla (20℃)氧利用率: (水深 3.2m)充氧能力:充氧动力效率:曝气阻力: 180-280mmH2O 空气管设计应考虑压力平衡, 最好联成环状网, 每组进气管应设置阀门, 便于调节空气量。空气管设计流速:干管为10-15 米/ 秒;支管为 5 米/ 秒。曝气器表面距池底安装高度: 270mm、250mm,推板式为 200mm。三、曝气器管道的连接方式和安装:曝气装置由曝气器、布气管道、三通、四通、弯头、调节器、连接件、清除装置等组成。 布气管道按通常的环形布置,曝气器按供气量和池形布置密度,曝气器和布气管道的连接采用G3/4 螺纹连接, 底座为内螺纹 (固定于布气管道上)曝气器为外螺纹, 安装时先把调节器按所需尺寸用膨胀螺栓固定在池底,然后用抱箍把布气管道固定在调节器上,为防止其它作业如电焊火花和土建时,混凝土等重物损坏曝气装置, 必须等土建工程结束后在放水前把曝气器装上,为防止管道和连接部分漏气,应放水超过曝气器10cm左右底深度试漏,然后通气如发现有管道连接部分漏气应及时排除,然后正式投运。四、曝气器施工组织方案施工组织设计依据本工程施工组织设计是以下列图纸、资料作为依据进行编制:百度文库 - 让每个人平等地提升自我22(1) 改造工程合同、技术协议书。(2) 本项工程前期工作的有关文件。(3) 国家和地区颁布的有关强制性规范、标准。(4) 设备制造厂提供的有关设备图纸和技术文件等。(详见施工图纸)(5) 设计变更及工程业务联系单。(4) 放工队伍做好施工安全措施,制订有关遵守业主单位内规定的制度。总队内部也应设置项目负责人和联系人,负责总体协调、设备材料供应,非标设备制作及零部件加工等工作。施工进度计划施工进度安排表时间项目51015202530405060曝气池清理曝气管网安装主...

1、当您付费下载文档后,您只拥有了使用权限,并不意味着购买了版权,文档只能用于自身使用,不得用于其他商业用途(如 [转卖]进行直接盈利或[编辑后售卖]进行间接盈利)。
2、本站所有内容均由合作方或网友上传,本站不对文档的完整性、权威性及其观点立场正确性做任何保证或承诺!文档内容仅供研究参考,付费前请自行鉴别。
3、如文档内容存在违规,或者侵犯商业秘密、侵犯著作权等,请点击“违规举报”。

碎片内容

微孔曝气器安装施工方案

确认删除?
VIP
微信客服
  • 扫码咨询
会员Q群
  • 会员专属群点击这里加入QQ群
客服邮箱
回到顶部