电脑桌面
添加小米粒文库到电脑桌面
安装后可以在桌面快捷访问

微模块机柜系统方案-20161206VIP专享VIP免费

微模块机柜系统方案-20161206_第1页
1/18
微模块机柜系统方案-20161206_第2页
2/18
微模块机柜系统方案-20161206_第3页
3/18
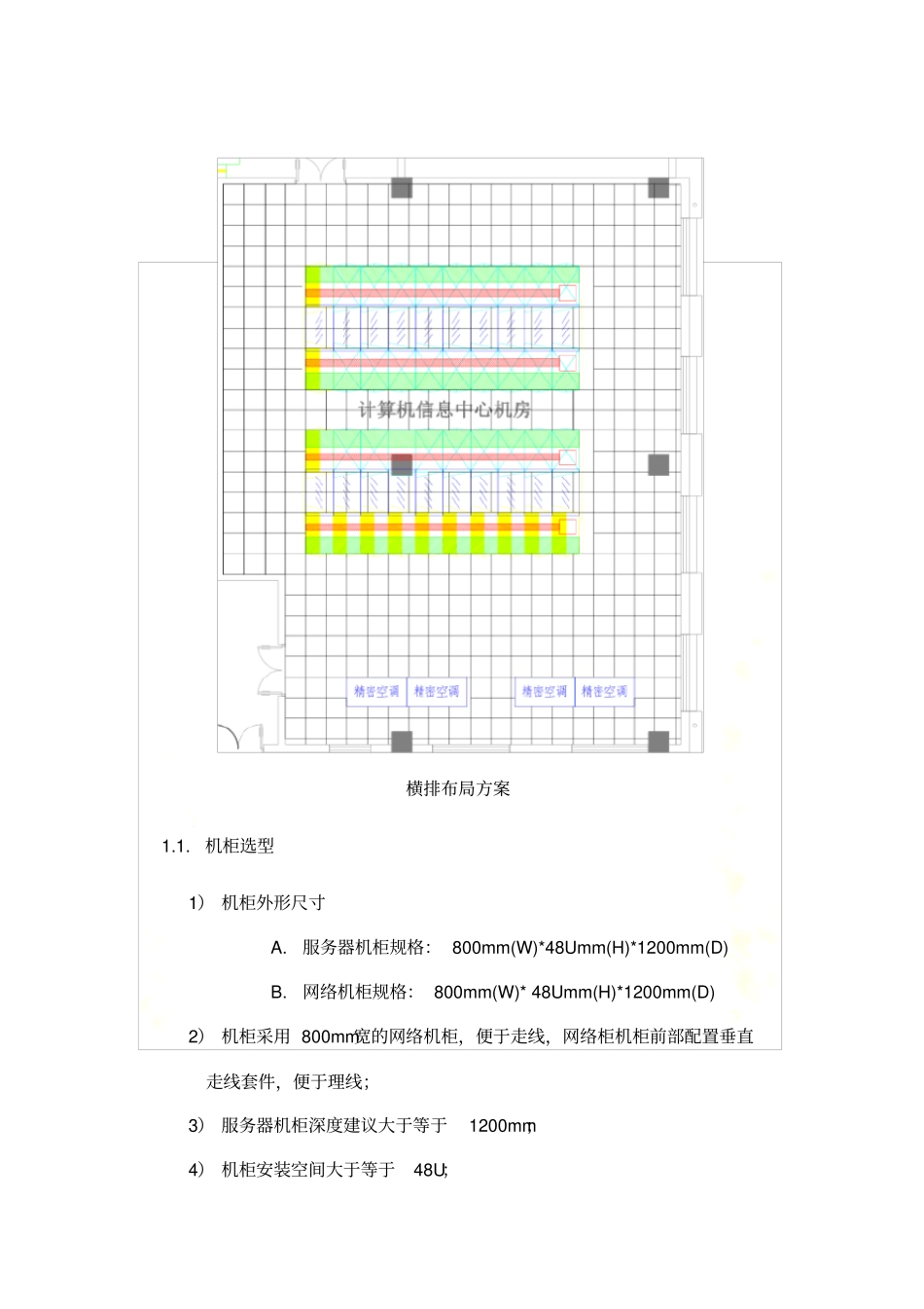
微模块机柜系统方案 -20161206 微模块机柜系统方案我们提供一个集成化、产品化、模块化的机柜系统,我们提供的机柜系统的设计也考虑了客户场地、环境的状况,着重解决布线和配电问题;突出解决了机房核心传统的安全性、可用性、可扩行和可管理。在美观度上有三大突出的亮点: 1、机柜前门高密度通风网孔板,铝型材边框勾勒;2、全透明设计冷池隔离系统;3、冷通道内镶有照明系统。在可用性上有二大突出亮点: 1、母排做到三相双路,电流承载能力大,为将来扩容预留容量; 2、在拆机柜时可以不拆冷通道。具体设计方案以下几大块:1.机柜布局 (40台机柜,黄色为网络机柜与布线列头柜,绿色为服务器机柜) 竖排布局方案横排布局方案1.1.机柜选型1) 机柜外形尺寸A.服务器机柜规格: 800mm(W)*48Umm(H)*1200mm(D) B.网络机柜规格: 800mm(W)* 48Umm(H)*1200mm(D) 2) 机柜采用 800mm宽的网络机柜,便于走线,网络柜机柜前部配置垂直走线套件,便于理线;3) 服务器机柜深度建议大于等于1200mm;4) 机柜安装空间大于等于48U;每根铜牌截面≧ 60 mm2,母排长度为机柜等宽。1) 母线总控箱:每列机柜配置母排主控制箱,置于柜顶,主控箱可选配智能仪表(带 RS485 输出),双回路指示灯6 个(含 A、B、C 三相),防雷(推荐品牌: OBO 、ABB 、施耐德);开关推荐品牌:施耐德、ABB 、西门子。2) 分支回路控制箱:每机柜双路 32A 设计,机柜顶部预留双路扩展接口, 机柜可扩容至双路 3*32A 每台机柜柜顶配置一个分支回路开关箱,开关推荐品牌:施耐德、 ABB 、西门子,采用3*6 平方毫米电缆线。3) 智能控制:配置双回路智能仪表,能显示总输入的各相电流、电压、有功功率等,智能仪表带RS485接口,如配置总控单元并将所有数据都上传到总控单元,可直接在总控单元显示。图 5 柜顶母排2.机柜走线2.1.柜内垂直走线1) 服务器机柜服务器机柜面向后门左侧钢质弱电线槽一套(0U 安装跳线架),弱电线槽截面≧ 200mm(宽) x60mm(深);右侧钢质强电线槽一套,强弱电线槽全部采用嵌入式设计,与机柜融为一体;0U 安装跳线架即带有理线功能也带有跳线功能的数据线垂直走线套件:每套配置 2 口面板 12 块以上(每面板由 2 个 RJ45 模块组成,面板数量可根据用户密度需求配置),预留24 根以上光缆出线口,采用金属材质并再塑料件保护线缆,长度大于1921mm,垂直安装;安装模块,可根据服务器高度任择高度...

1、当您付费下载文档后,您只拥有了使用权限,并不意味着购买了版权,文档只能用于自身使用,不得用于其他商业用途(如 [转卖]进行直接盈利或[编辑后售卖]进行间接盈利)。
2、本站所有内容均由合作方或网友上传,本站不对文档的完整性、权威性及其观点立场正确性做任何保证或承诺!文档内容仅供研究参考,付费前请自行鉴别。
3、如文档内容存在违规,或者侵犯商业秘密、侵犯著作权等,请点击“违规举报”。

碎片内容

微模块机柜系统方案-20161206

确认删除?
VIP
微信客服
  • 扫码咨询
会员Q群
  • 会员专属群点击这里加入QQ群
客服邮箱
回到顶部