电脑桌面
添加小米粒文库到电脑桌面
安装后可以在桌面快捷访问

微模块机柜系统方案_20161206VIP专享VIP免费

微模块机柜系统方案_20161206_第1页
1/17
微模块机柜系统方案_20161206_第2页
2/17
微模块机柜系统方案_20161206_第3页
3/17
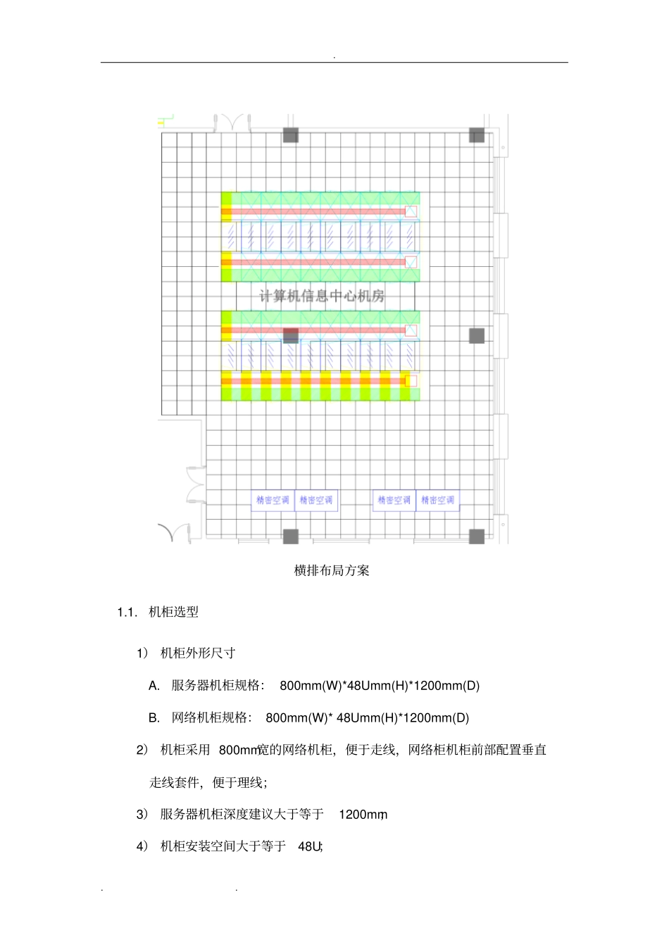
. . . 微模块机柜系统方案我们提供一个集成化、产品化、模块化的机柜系统,我们提供的机柜系统的设计也考虑了客户场地、环境的状况,着重解决布线和配电问题;突出解决了机房核心传统的安全性、可用性、可扩行和可管理。在美观度上有三大突出的亮点: 1、机柜前门高密度通风网孔板,铝型材边框勾勒;2、全透明设计冷池隔离系统;3、冷通道内镶有照明系统。在可用性上有二大突出亮点: 1、母排做到三相双路,电流承载能力大,为将来扩容预留容量;2、在拆机柜时可以不拆冷通道。具体设计方案以下几大块:1.机柜布局 (40台机柜,黄色为网络机柜与布线列头柜,绿色为服务器机柜) 竖排布局方案. . . 横排布局方案1.1.机柜选型1) 机柜外形尺寸A.服务器机柜规格: 800mm(W)*48Umm(H)*1200mm(D) B.网络机柜规格: 800mm(W)* 48Umm(H)*1200mm(D) 2) 机柜采用 800mm宽的网络机柜,便于走线,网络柜机柜前部配置垂直走线套件,便于理线;3) 服务器机柜深度建议大于等于1200mm;4) 机柜安装空间大于等于48U;. . . 2.未端配电2.1.机柜配电1) 服务器机柜配电采用 0U安装 PDU,采用嵌入式设计, 与机柜融为一体: 垂直 PDU长度大于 1.9m,分 A、B 两路供电,每路 PDU有明显标示区分,并带颜色管理, 交叉排列; 每套 PDU提供 32A双路供电, PDU垂直安装于机柜后门右侧(面向后门) ;每路的插座模块为: 12 个国标三扁 10A插座口 +4 个国标三扁 16A插座口(模块可根据用户需求选配) ;PDU带强电理线槽, PDU自带接线盒, 至柜顶母排电源线采用3*6 平方毫米电缆(每台机柜配2 根,每根 2 米,一端压环形端子,如采用配电列头柜长度另计)。( 如图 2) 图( 2) 0U 安装 PDU . . . PDU电参数监控2) PDU带电参数监控每台机柜需配备柜内监控模块(包括分支电流、电压及功率检测),含双回路 PDU的监控,本地数字显示, 超阀值报警(可选声光 ) ,采用标准LCD2002显示屏,显示区域大小≥18mm*80mm,显示字符数≥ 2*19 字符,置于机柜前门或后门上部,带远程通信功能;(如图4)图(4)PDU电参数监控2.2.机柜排配电1) 母线槽本体:未端采用柜顶母排供电到每个机柜来代替精密配电列头柜,母排置于机柜顶部(如图 5),节约空间,机柜可直接从母线上就近取电,做到三相双路;柜顶母排内部必须有可靠的绝缘材料和可靠的接地,安全可靠;要求电流承载能力大,为将来扩容预留容量;母排材质...

1、当您付费下载文档后,您只拥有了使用权限,并不意味着购买了版权,文档只能用于自身使用,不得用于其他商业用途(如 [转卖]进行直接盈利或[编辑后售卖]进行间接盈利)。
2、本站所有内容均由合作方或网友上传,本站不对文档的完整性、权威性及其观点立场正确性做任何保证或承诺!文档内容仅供研究参考,付费前请自行鉴别。
3、如文档内容存在违规,或者侵犯商业秘密、侵犯著作权等,请点击“违规举报”。

碎片内容

微模块机柜系统方案_20161206

确认删除?
VIP
微信客服
  • 扫码咨询
会员Q群
  • 会员专属群点击这里加入QQ群
客服邮箱
回到顶部