电脑桌面
添加小米粒文库到电脑桌面
安装后可以在桌面快捷访问

PT2262和PT2272的使用VIP免费

PT2262和PT2272的使用_第1页
1/9
PT2262和PT2272的使用_第2页
2/9
PT2262和PT2272的使用_第3页
3/9
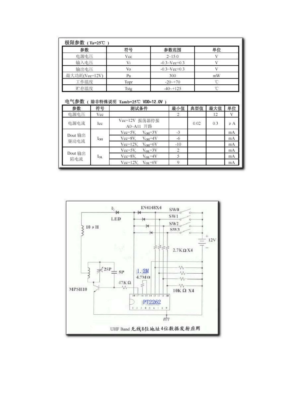
PT2262 和PT2272 的使用 芯片资料 2009-06-24 14:46:17 阅读304 评论0 字号:大中小 PT2262/2272 是台湾普城公司生产的一种CMOS 工艺制造的低功耗低价位通用编解码电路,PT2262/2272 最多可有12 位(A0-A11)三态地址端管脚(悬空,接高电平,接低电平),任意组合可提供531441地址码,PT2262 最多可有6 位(D0-D5)数据端管脚,设定的地址码和数据码从17 脚串行输出,可用于无线遥控发射电路。 编码芯片PT2262 发出的编码信号由:地址码、数据码、同步码组成一个完整的码字,解码芯片PT2272 接收到信号后,其地址码经过两次比较核对后,VT 脚才输出高电平,与此同时相应的数据脚也输出高电平,如果发送端一直按住按键,编码芯片也会连续发射。当发射机没有按键按下时,PT2262不接通电源,其 17 脚为低电平,所以 315MHz 的高频发射电路不工作,当有按键按下时,PT2262 得电工作,其第 17 脚输出经调制的串行数据信号,当 17 脚为高电平期间 315MHz 的高频发射电路起振并发射等幅高频信号,当 17 脚为低电平期间 315MHz 的高频发射电路停止振荡,所以高频发射电路完全收控于PT2262 的17 脚输出的数字信号,从而对高频电路完成幅度键控(ASK 调制)相当于调制度为 100%的调幅。 PT2262 特点 l CMOS 工艺制造,低功耗 l 外部元器件少 l RC 振荡电阻 l 工作电压范围宽:2.6-15v l 数据最多可达 6 位 l 地址码最多可达 531441 种 应用范围 l 车辆防盗系统 l 家庭防盗系统 l 遥 控 玩 具 l 其他电器遥控 引 脚 图: 管脚说明: 名称 管脚 说 明 A0-A11 1-8、10-13 地址管脚,用于进行地址编码,可置为“0”,“1”,“f”(悬空), D0-D5 7-8、10-13 数据输入端,有一个为“1”即有编码发出,内部下拉 Vcc 18 电源正端(+) Vss 9 电源负端(-) TE 14 编码启动端,用于多数据的编码发射,低电平有效; OSC1 16 振荡电阻输入端,与 OSC2 所接电阻决定振荡频率; OSC2 15 振荡电阻振荡器输出端; Dou t 17 编码输出端(正常时为低电平) 在具体的应用中,外接振荡电阻可根据需要进行适当的调节,阻值越大振荡频率越慢,编码的宽度越大,发码一帧的时间越长. 振荡电阻可按下表进行选配: PT2262 4.7M 3.3M 1.5M PT2272 820K 680K 270K 解码电路 PT2272 引 脚 图: 名称 管脚 说 明 A0-A11 1-8、10-13 地址管脚,用于进行地址编码,可置...

1、当您付费下载文档后,您只拥有了使用权限,并不意味着购买了版权,文档只能用于自身使用,不得用于其他商业用途(如 [转卖]进行直接盈利或[编辑后售卖]进行间接盈利)。
2、本站所有内容均由合作方或网友上传,本站不对文档的完整性、权威性及其观点立场正确性做任何保证或承诺!文档内容仅供研究参考,付费前请自行鉴别。
3、如文档内容存在违规,或者侵犯商业秘密、侵犯著作权等,请点击“违规举报”。

碎片内容

PT2262和PT2272的使用

确认删除?
VIP
微信客服
  • 扫码咨询
会员Q群
  • 会员专属群点击这里加入QQ群
客服邮箱
回到顶部