电脑桌面
添加小米粒文库到电脑桌面
安装后可以在桌面快捷访问

产品图样及技术文件签字制度VIP免费

产品图样及技术文件签字制度_第1页
1/4
产品图样及技术文件签字制度_第2页
2/4
产品图样及技术文件签字制度_第3页
3/4
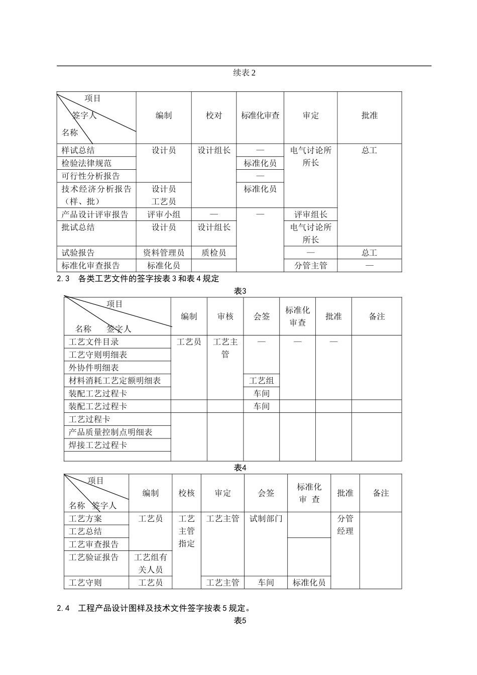
青岛益和电气设备股份有限公司企业标准Q/YG 01.01-2001代替Q/YG 01.01-1998产品图样及技术文件签字制度第 B 版2001-08-14 发布2001-08-15 实施青岛益和电气设备股份有限公司 发布下载后可任意编辑产品图样及技术文件签字制度1 范围本制度规定了产品图样及技术文件的签字项目、程序及签署人员;本制度适用于产品图样及技术文件的签字。2 签字规定各种图样及技术文件的签字程序均按表列自左至右的项目先后为准。2.1 产品图样签字规定如表 1。表1 项目 签署人名称设计校对审核工艺电气标准化审查审定批准零件图设计员设计组长指定设计组长工艺员电气专业人员标准化员电气讨论所所长—部装图总工总装配图总工排列图——展开系统图原理接线图总工注 1:配套产品的非关键零件,审定可省略。注 2:校核的设计员由组长指定,若二人共同设计则互校。注 3:涉及到专业工艺方面会签由工艺专业人员负责。2.2 设计文件的签字规定如表 2表2 项目 签字人名称编制校对标准化审查审定批准技术任务书设计组长—标准化员电气讨论所所长总工计算书设计员设计组长——安装、调整使用说明书标准化员产品标准总工试验大纲总工续表 2 项目 签字人名称编制校对标准化审查审定批准样试总结设计员设计组长—电气讨论所所长总工检验法律规范标准化员可行性分析报告—技术经济分析报告(样、批)设计员工艺员标准化员产品设计评审报告评审小组——评审组长批试总结设计员设计组长电气讨论所所长试验报告资料管理员质检员—总工标准化审查报告标准化员分管主管—2.3 各类工艺文件的签字按表 3 和表 4 规定表3 项目 名称 签字人编制审核会签标准化审查批准备注工艺文件目录工艺员工艺主管———工艺守则明细表外协件明细表材料消耗工艺定额明细表工艺组装配工艺过程卡车间装配工艺过程卡车间工艺过程卡产品质量控制点明细表焊接工艺过程卡表4 项目 名称 签字人编制校核审定会签标准化审 查批准备注工艺方案工艺员工艺主管指定工艺主管试制部门分管经理工艺总结工艺审查报告工艺验证报告工艺组有关人员工艺守则工艺员工艺主管车间标准化员2.4 工程产品设计图样及技术文件签字按表 5 规定。表5 下载后可任意编辑 项目 名称 签字人设计校对审核工艺电气标准化审定批准零件图设计员设计专工指定设计专工工艺员—标准化员工程设计主管—装配图部门经理钣金展开图———排列图工程设计主管指定工程设计主管电路图原理图接线图工程设计说明作业...

1、当您付费下载文档后,您只拥有了使用权限,并不意味着购买了版权,文档只能用于自身使用,不得用于其他商业用途(如 [转卖]进行直接盈利或[编辑后售卖]进行间接盈利)。
2、本站所有内容均由合作方或网友上传,本站不对文档的完整性、权威性及其观点立场正确性做任何保证或承诺!文档内容仅供研究参考,付费前请自行鉴别。
3、如文档内容存在违规,或者侵犯商业秘密、侵犯著作权等,请点击“违规举报”。

碎片内容

产品图样及技术文件签字制度

确认删除?
VIP
微信客服
  • 扫码咨询
会员Q群
  • 会员专属群点击这里加入QQ群
客服邮箱
回到顶部