电脑桌面
添加小米粒文库到电脑桌面
安装后可以在桌面快捷访问

SPPAT3000用户手册(系统手册2)VIP免费

SPPAT3000用户手册(系统手册2)_第1页
1/26
SPPAT3000用户手册(系统手册2)_第2页
2/26
SPPAT3000用户手册(系统手册2)_第3页
3/26
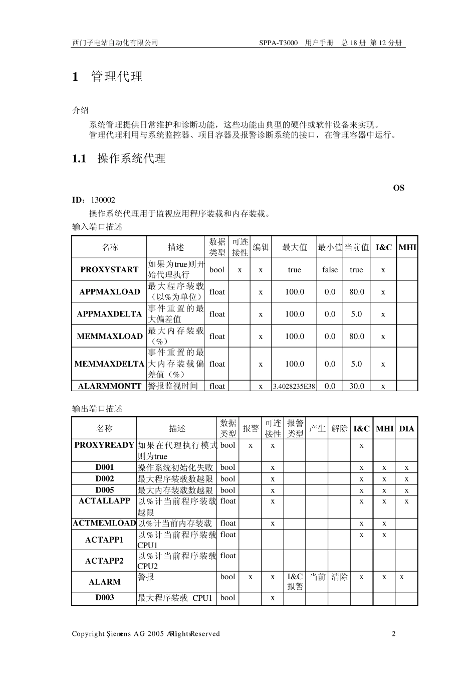
s SPPA-T3000 用户手册 系统手册 (共18册,第12分册) 西门子电站自动化有限公司 SPPA-T3000 用户手册 总18 册 第12 分册 Copyright ¸ Siemens AG 2005 All Rights Reserved 1 目录 1 管理代理.................................................................................................................. 2 1.1 操作系统代理............................................................................................... 2 1.2 硬盘监视代理............................................................................................... 4 1.3 CPU 桶代理(CPUB ARIA)..................................................................... 6 1.4 切换代理(OSM_ESM)............................................................................ 8 1.5 PCI 桶代理(PCIB ARIA)...................................................................... 13 1.6 以太网代理ARIA 1000 ............................................................................. 17 1.7 不间断供电代理(UPS) ......................................................................... 18 1.8 时间服务代理............................................................................................. 20 1.9 逻辑驱动器................................................................................................. 21 1.10 硬盘........................................................................................................... 23 1.11 网络适配器............................................................................................... 24 西门子电站自动化有限公司 SPPA-T3000 用户手册 总18 册 第12 分册 Copyright ¸ Siemens AG 2005 All Rights Reserved 2 1 管理代理 介绍 系统管理提供日常维护和诊断功能,这些功能由典型的硬件或软件设备来实现。 管理代理利用与系统监控器、项目容器及报警诊断系统的接口,在管理容器中运行。 1.1 操作系统代理 OS ID:130002 操作系统代理用于监视应用程序装载和内存装载。 输入端口描述 名称 描述 数据 类型 可连 接性 编辑 ...

1、当您付费下载文档后,您只拥有了使用权限,并不意味着购买了版权,文档只能用于自身使用,不得用于其他商业用途(如 [转卖]进行直接盈利或[编辑后售卖]进行间接盈利)。
2、本站所有内容均由合作方或网友上传,本站不对文档的完整性、权威性及其观点立场正确性做任何保证或承诺!文档内容仅供研究参考,付费前请自行鉴别。
3、如文档内容存在违规,或者侵犯商业秘密、侵犯著作权等,请点击“违规举报”。

碎片内容

SPPAT3000用户手册(系统手册2)

您可能关注的文档

确认删除?
VIP
微信客服
  • 扫码咨询
会员Q群
  • 会员专属群点击这里加入QQ群
客服邮箱
回到顶部