电脑桌面
添加小米粒文库到电脑桌面
安装后可以在桌面快捷访问

SY42072007《石油天然气建设工程施工质量验收规范管道穿跨越工程》VIP专享VIP免费

SY42072007《石油天然气建设工程施工质量验收规范管道穿跨越工程》_第1页
1/31
SY42072007《石油天然气建设工程施工质量验收规范管道穿跨越工程》_第2页
2/31
SY42072007《石油天然气建设工程施工质量验收规范管道穿跨越工程》_第3页
3/31
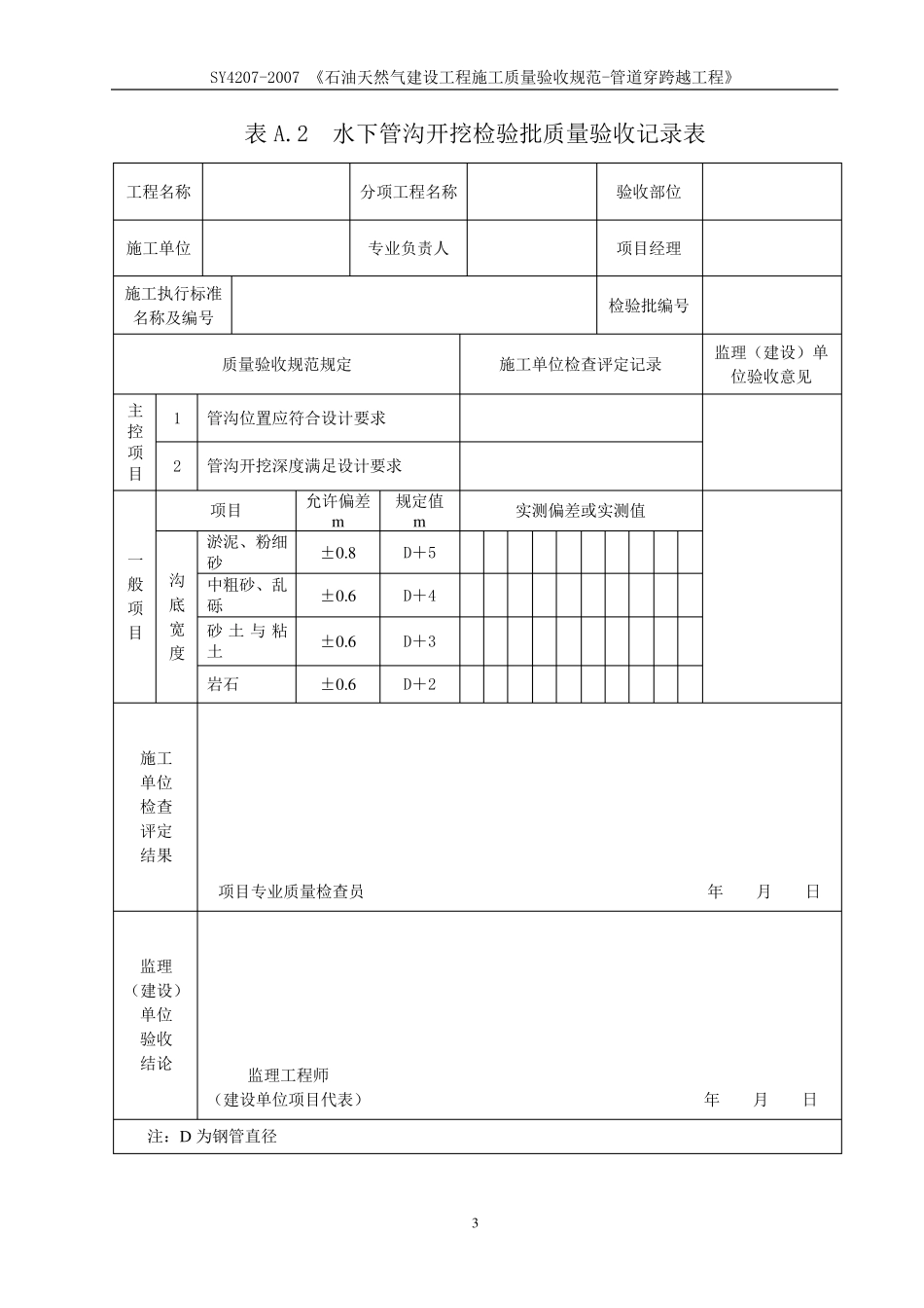
SY4207-2007 《石油天然气建设工程施工质量验收规范-管道穿跨越工程》 1 目 录 表A.1 导流围堰管沟开挖检验批质量验收记录表 ...................................................................................... 2 表A.2 水下管沟开挖检验批质量验收记录表 .............................................................................................. 3 表A.3 沉管法管开挖检验批质量验收记录 .................................................................................................. 4 表A.4 混凝土重块稳管检验批质量验收记录表 .......................................................................................... 5 表A.5 混凝土连续覆盖层稳管检验批质量验收记录表 .............................................................................. 6 表A.6 回填土工程检验批质量验收记录表 .................................................................................................. 7 表A.7 护岸工程检验批质量验收记录表 ...................................................................................................... 8 表A.8 组对焊接检验批质量验收记录表 ...................................................................................................... 9 表A.9 防腐补口检验批质量验收记录表 .................................................................................................... 1 0 表A.10 阴极保护检验批质量验收记录表记录表 .......................................................................................1 1 表A.11 清管、试压检验批质量验收记录表 .............................................................................................. 1 2 表A.12 管道下沟检验批质量验收记录 ...................................................................................................... 1 3 表A.21 钢筋工程检验批质量验收记录表 .................................................................................................. 1 4 表A.30 管道安装就位检验批质量验收记录表 ...............................................

1、当您付费下载文档后,您只拥有了使用权限,并不意味着购买了版权,文档只能用于自身使用,不得用于其他商业用途(如 [转卖]进行直接盈利或[编辑后售卖]进行间接盈利)。
2、本站所有内容均由合作方或网友上传,本站不对文档的完整性、权威性及其观点立场正确性做任何保证或承诺!文档内容仅供研究参考,付费前请自行鉴别。
3、如文档内容存在违规,或者侵犯商业秘密、侵犯著作权等,请点击“违规举报”。

碎片内容

SY42072007《石油天然气建设工程施工质量验收规范管道穿跨越工程》

确认删除?
VIP
微信客服
  • 扫码咨询
会员Q群
  • 会员专属群点击这里加入QQ群
客服邮箱
回到顶部