电脑桌面
添加小米粒文库到电脑桌面
安装后可以在桌面快捷访问

SY42092008VIP专享VIP免费

SY42092008_第1页
1/27
SY42092008_第2页
2/27
SY42092008_第3页
3/27
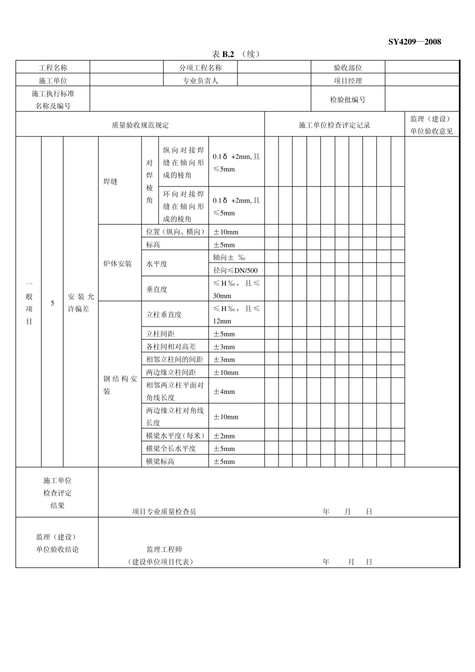
SY 4209—2008 表 B.1 硫磺—蒸汽夹套管道安装检验批质量验收记录 工程名称 分项工程名称 验收部位 施工单位 专业负责人 项目经理 施工执行标准 名称及编号 检验批编号 质量验收规范规定 施工单位检查评定记录 监理(建设) 单位验收意见 主 控 项 目 1 夹套管道及支、托架使用的材料、规格应符合设计文件要求和 SY/T0406 的有关规定 2 夹套管道承压得环向焊缝无损检测应符合设计文件要求和 6.9,6.10 的规定 3 夹套管道内承压空间耐压和严密性试验应符合设计文件要求和SY/T0406的有关规定 一 般 项 目 1 管 道 法兰连接 法兰连接应与管道同心,螺栓应穿入自由,法兰平衡度偏差不应大于法兰外径的1.5‰,且小于或等于 2mm 螺栓受力应均匀,外露螺纹宜为1~3 螺距,长短、方向应一致 2 夹 套 管道 阀门安装 操作机构动作应灵活 安装位置应正确 阀门与管道连接使用单头螺栓时,应方向一致,外露螺纹宜为1~3 螺距 阀门填料规格和材质应符合要求,填装应有足够调节余量 3 支、吊、托架安装位置应正确、牢固,与管道接触应紧密,滑动面与支承面应接触良好,移动应灵活。螺栓孔不应用电、气焊切割,焊缝不应有漏焊、裂纹、变形等缺陷 4 夹 套 管道安装 坡面和坡度符合设计文件要求 内外管焊缝上不应开孔或连接直管段 夹套蒸汽出口应从夹套阀底部引出液体,且不应形成U 型密封 5 夹套 管道 安装 允许 偏差 坐标 ±10mm 标高 ±5mm 环向焊缝距管架间距 大于 100mm 支、吊、托架焊缝表面咬边 深 度 不 应 大 于0.5mm 连续长度不应大于 100mm 内外管直管段对接焊缝间距应大于管径,且不应小于 100mm 施工单位 检查评定 结果 项目专业质量检查员 年 月 日 监理(建设) 单位验收结论 监理工程师 (建设单位项目代表) 年 月 日 SY 4209—2008 表 B.2 工业炉制作与安装检验批质量验收记录 工程名称 分项工程名称 验收部位 施工单位 专业负责人 项目经理 施工执行标准 名称及编号 检验批编号 质量验收规范规定 施工单位检查评定记录 监理(建设) 单位验收意见 主 控 项 目 1 工业炉制作与安装使用的材料、规格、型号应符合设计文件要求和本标准的规定 2 附属钢结构焊接无损检测应符合设计文件要求和本标准的规定 3 炉体焊接无损检测应符合设计文件要求和本标准的规定 一 般 项 目 1 型 材 或板 材 下料 前 校直...

1、当您付费下载文档后,您只拥有了使用权限,并不意味着购买了版权,文档只能用于自身使用,不得用于其他商业用途(如 [转卖]进行直接盈利或[编辑后售卖]进行间接盈利)。
2、本站所有内容均由合作方或网友上传,本站不对文档的完整性、权威性及其观点立场正确性做任何保证或承诺!文档内容仅供研究参考,付费前请自行鉴别。
3、如文档内容存在违规,或者侵犯商业秘密、侵犯著作权等,请点击“违规举报”。

碎片内容

确认删除?
VIP
微信客服
  • 扫码咨询
会员Q群
  • 会员专属群点击这里加入QQ群
客服邮箱
回到顶部