电脑桌面
添加小米粒文库到电脑桌面
安装后可以在桌面快捷访问

TPS75733VIP专享VIP免费

TPS75733_第1页
1/25
TPS75733_第2页
2/25
TPS75733_第3页
3/25
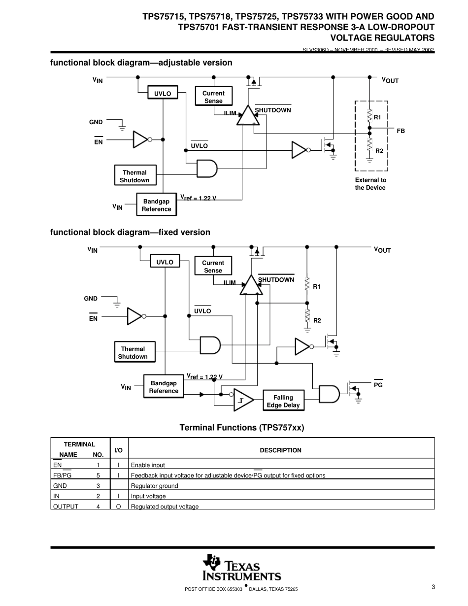
TPS75715, TPS75718, TPS75725, TPS75733 WITH POWER GOOD ANDTPS75701 FAST-TRANSIENT RESPONSE 3-A LOW-DROPOUTVOLTAGE REGULATORSSLVS306D – NOVEMBER 2000 – REVISED MAY 20021POST OFFICE BOX 655303 • DALLAS, TEXAS 75265D3-A Low-Dropout Voltage RegulatorDAvailable in 1.5-V, 1.8-V, 2.5-V, and 3.3-VFixed-Output and Adjustable VersionsDOpen Drain Power-Good (PG) StatusOutput (Fixed Options Only)DDropout Voltage Typically 150 mV at 3 A(TPS75733)DLow 125 µA Typical Quiescent CurrentDFast Transient ResponseD3% Tolerance Over Specified Conditions forFixed-Output VersionsDAvailable in 5-Pin TO–220 and TO–263Surface-Mount PackagesDThermal Shutdown Protection descriptionThe TPS757xx family of 3-A low dropout (LDO) regulators contains four fixed voltage option regulators withintegrated power-good (PG) and an adjustable voltage option regulator. These devices are capable of supplying3 A of output current with a dropout of 150 mV (TPS75733). Therefore, the device is capable of performing a3.3-V to 2.5-V conversion. Quiescent current is 125 µA at full load and drops down to less than 1 µA when thedevice is disabled. The TPS757xx is designed to have fast transient response for large load current changes.t – Time – µsTPS75715LOAD TRANSIENT RESPONSEI – Output Current – AOVO∆– Change in Output Voltage – mV–1000060402080100140120160 180 200050–50VO = 1.5 VCo = 100 µF–1502didt + 0.75 Aµs4100150050100150200250–40 –25 –105203550658095 110 125TJ – Junction Temperature – °C– Dropout Voltage – mVTPS75733DROPOUT VOLTAGEvsJUNCTION TEMPERATUREVDOIO = 3 AVO = 3.3 VPlease be aware that an important notice concerning availability, standard warranty, and use in critical applications ofTexas Instruments semiconductor products and disclaimers thereto...

1、当您付费下载文档后,您只拥有了使用权限,并不意味着购买了版权,文档只能用于自身使用,不得用于其他商业用途(如 [转卖]进行直接盈利或[编辑后售卖]进行间接盈利)。
2、本站所有内容均由合作方或网友上传,本站不对文档的完整性、权威性及其观点立场正确性做任何保证或承诺!文档内容仅供研究参考,付费前请自行鉴别。
3、如文档内容存在违规,或者侵犯商业秘密、侵犯著作权等,请点击“违规举报”。

碎片内容

确认删除?
VIP
微信客服
  • 扫码咨询
会员Q群
  • 会员专属群点击这里加入QQ群
客服邮箱
回到顶部