电脑桌面
添加小米粒文库到电脑桌面
安装后可以在桌面快捷访问

UC2845的应用和PWM变压器设计及维修VIP免费

UC2845的应用和PWM变压器设计及维修_第1页
1/25
UC2845的应用和PWM变压器设计及维修_第2页
2/25
UC2845的应用和PWM变压器设计及维修_第3页
3/25
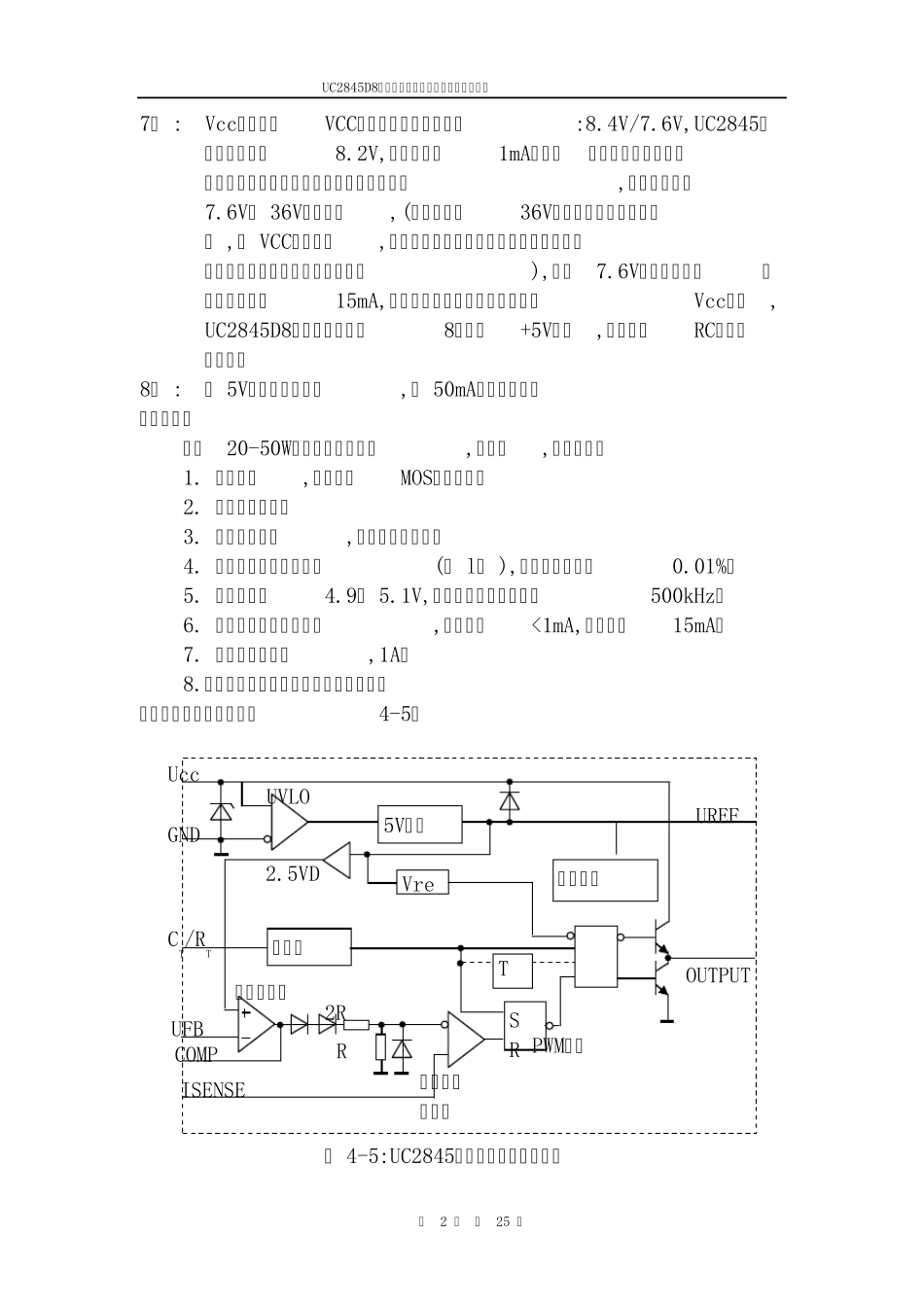
UC2845D8和开关电源设计资料及电源维修方法 第 1 页 共 25 页 VCC7GND5REF_5V8VFB2Comp1Isense3Ou tpu t6Rt/Ct4UC2845D UC2845芯片资料介绍及维修方法和设计汇总 第一节:UC2845D芯片介绍 ①管脚介绍 Unitrode公司的UC2845D(D是贴片)是一种高性能固定频率电流型控制器,包含误差放大器、PWM比较器、PWM锁存器、振荡器、内部基准电源和欠压锁定等单元,其结构图 1脚 : 是误差放大器的输出端,外接阻容元件用于改善误差放器的 增益和频率特性。 2脚 : 是反馈电压输入端,此脚电压与误差放大器同相端的2.5V基准 电压进行比较,产生误差(控制)电压,误差(控制)电压变大,第 6 脚输出脉冲变窄,占空比降低,抑制输出电压的增加,从而使输 出电压稳定,而控制脉冲宽度,脉宽越宽,电源输出电压越高, Vref比较器高低门限为:3.6V/3.4V。 3脚 : 电流检测输入端。在外围电路中,在功率开关管(如 Mos管 )的源 极串接一个小阻值的取样电阻,将脉冲变压器的电流转换成电 压 ,此电压送入3脚 ,控制脉宽。此外,当电源电压异常时,功率开 关管的电流增大,当取样电阻上的电压超过1V时 ,缩小脉冲宽度 使电源处于间歇工作状态,UC2845就停止输出,有效地保护了功 率开关管。 4脚 : 定时端,内部振荡器的工作频率由外接的阻容时间常数决定, f =1.72(Rt∗Ct)当上电后,5VDC通过Rt电阻给Ct充电,使④脚电压近 似线性上升,当电压上升到2.8V时 ,在振荡器内部,将定时电容 器 CT上的电压突然放掉,当电压下降到1.4V时 ,电压又开始上 升 ,这样就形成一个锯齿波电压。 5脚 : 为公共地端。 6脚 : 为推挽输出端,输出的频率是振荡频率的1/2,内部为图腾柱式, 上升、下降时间仅为50ns,驱动能力为±1A。 UC2845的管脚图 UC2845D8和开关电源设计资料及电源维修方法 第 2 页 共 25 页 7脚 : Vcc是电源。VCC比较器上下门限分别为:8.4V/7.6V,UC2845最 小工作电压为8.2V,此时耗电在1mA以下。输入电压可以通过一 个大阻值电阻从高压降压获得。芯片工作后,输入电压可在 7.6V~ 36V之间波动,(内部有一个36V的齐纳二极管作为稳压管 ,从 VCC连接至地,它的作用是保护集成电路免受系统启动或运行期间所产生的过高电压的破坏),低于7.6V就停止工作。工作时耗电约为15mA,此电流可通过反馈电阻提供。当Vcc欠压, UC2845D8参考电压输出端8脚将无+5V输出,从而导致RC振荡停止工作。 8脚 : 为 5V基准电压输出端,有 50mA的负载能力。 ②主要特性...

1、当您付费下载文档后,您只拥有了使用权限,并不意味着购买了版权,文档只能用于自身使用,不得用于其他商业用途(如 [转卖]进行直接盈利或[编辑后售卖]进行间接盈利)。
2、本站所有内容均由合作方或网友上传,本站不对文档的完整性、权威性及其观点立场正确性做任何保证或承诺!文档内容仅供研究参考,付费前请自行鉴别。
3、如文档内容存在违规,或者侵犯商业秘密、侵犯著作权等,请点击“违规举报”。

碎片内容

UC2845的应用和PWM变压器设计及维修

小辰7+ 关注
实名认证
内容提供者

出售各种资料和文档

确认删除?
VIP
微信客服
  • 扫码咨询
会员Q群
  • 会员专属群点击这里加入QQ群
客服邮箱
回到顶部