电脑桌面
添加小米粒文库到电脑桌面
安装后可以在桌面快捷访问

ups配电柜VIP免费

ups配电柜_第1页
1/14
ups配电柜_第2页
2/14
ups配电柜_第3页
3/14
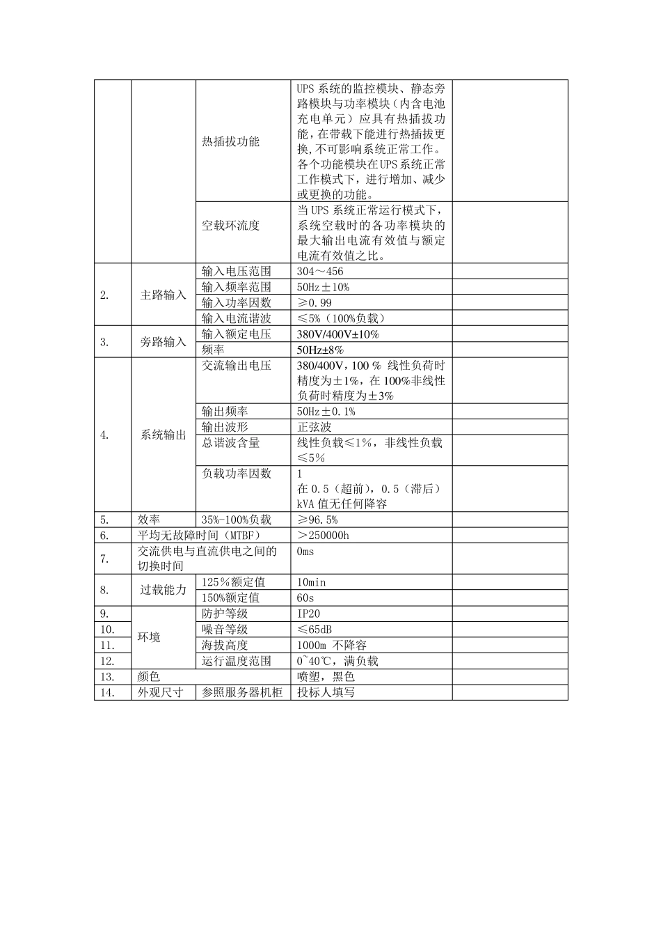
UPS 专用技术规范 目 录 1 标准技术参数表 ··········································································································· 8 2 项目需求部分 ·············································································································· 8 2.1 货物需求及供货范围 ···································································································· 8 2.2 必备的备品备件、专用工具和仪器仪表 ················································································ 8 2.3 图纸资料提交单位 ······································································································· 9 2.4 工程概况 ················································································································· 9 2.5 使用条件 ················································································································· 9 2.6 可选技术参数表 ········································································································· 10 2.7 项目单位技术差异表 ·································...

1、当您付费下载文档后,您只拥有了使用权限,并不意味着购买了版权,文档只能用于自身使用,不得用于其他商业用途(如 [转卖]进行直接盈利或[编辑后售卖]进行间接盈利)。
2、本站所有内容均由合作方或网友上传,本站不对文档的完整性、权威性及其观点立场正确性做任何保证或承诺!文档内容仅供研究参考,付费前请自行鉴别。
3、如文档内容存在违规,或者侵犯商业秘密、侵犯著作权等,请点击“违规举报”。

碎片内容

确认删除?
VIP
微信客服
  • 扫码咨询
会员Q群
  • 会员专属群点击这里加入QQ群
客服邮箱
回到顶部