电脑桌面
添加小米粒文库到电脑桌面
安装后可以在桌面快捷访问

手动蝶阀规格及使用VIP免费

手动蝶阀规格及使用_第1页
1/6
手动蝶阀规格及使用_第2页
2/6
手动蝶阀规格及使用_第3页
3/6
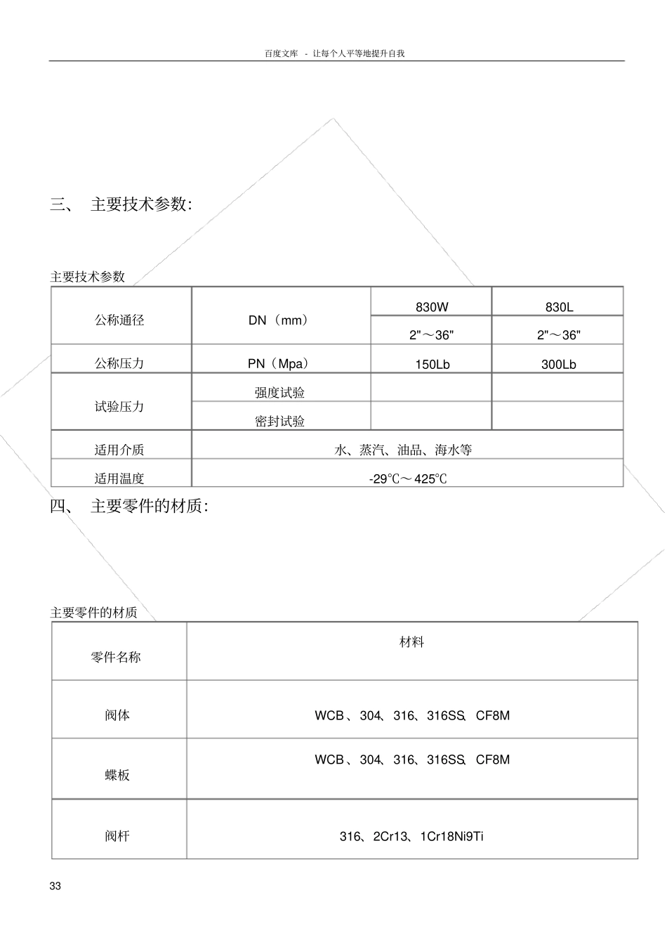
百度文库- 让每个人平等地提升自我11 手动对夹蝶阀使用简介(D373H-16C-DN300)百度文库- 让每个人平等地提升自我22 一、 概述:碟阀是以蝶板作为关闭件的阀门。蝶阀主要由阀体、阀杆、蝶板和密封圈等零件组成,属90° 开关切断阀。它借助手柄或驱动装置在阀杆上端施加一定的转矩传递给蝶板,使蝶板与阀体通道中心线重合或垂直,实现全开或全关动作。蝶阀的主要功能是切断和接通管道中的流体,也可用于调节管路流量。蝶阀主要特点:结构紧凑合理、操作扭矩较小、启闭迅速灵活、流阻小、流量系数大且维护使用方便。此阀采用三偏心金属密封密封结构,其密封可达到零泄漏具有强制性密封性能效果。蝶阀的连接形式可为对夹连接也可为双法兰连接。其操作方式可采用手动、电动、气动和液动。二、 型号编制方法:百度文库- 让每个人平等地提升自我33 三、 主要技术参数:主要技术参数公称通径DN(mm)830W 830L 2"~36" 2"~36" 公称压力PN(Mpa)150Lb 300Lb 试验压力强度试验密封试验适用介质水、蒸汽、油品、海水等适用温度-29℃~ 425℃四、 主要零件的材质:主要零件的材质零件名称材料阀体WCB 、304、316、316SS、CF8M 蝶板WCB 、304、316、316SS、CF8M 阀杆316、2Cr13、1Cr18Ni9Ti 百度文库- 让每个人平等地提升自我44 密封圈316、氟塑料填料柔性石墨、氟塑料、五、 结构及外形尺寸表:美标 815W 系公称通径结构长度外形尺寸连接尺寸参考重量百度文库- 让每个人平等地提升自我55 (标准值)(参考值)(标准值)(kg)L L1 H H0 D D1 D2 M Z-d 2" 50 43 108 110 345 152 92 M18 4-19 9 3" 80 49 114 125 380 190 127 M18 4-19 11 4" 100 56 127 145 415 229 157 M18 8-19 13 5" 125 64 140 165 455 254 216 186 M20 8-22 16 6" 150 70 140 175 545 279 216 M20 8-22 26 8" 200 71 150 210 645 343 270 M20 8-22 34 10" 250 76 160 250 695 406 362 324 M24 12-25 51 12" 300 86 178 285 830 483 432 381 M24 12-25 72 14" 350 92 190 320 900 533 476 413 M27 12-29 106 16" 400 102 216 355 980 597 540 470 M27 16-29 133 18" 450 114 222 380 1030 635 578 533 M30 16-32 176 20" 500 127 229 415 1110 699 635 584 M30 20-32 190 24" 600 154 267 475 1305 813 692 M33 20-35 394 30" 750 165 292 580 1525 985 914 857 M33 28-35 476 32" 800 190 318 630 1585 1060 978 914 M39 28-41 618 36" 900 203 330 680 1765 1168 1085 1022 M39 32-41 762 百度文库- 让每个人平等地提升自我66 六、蝶阀安装与维护注意事项:1. 在安装时,碟板要停在关闭的位置上。2. 开启位置应按碟板的旋转角度来确定。3. 带有旁通阀的蝶阀,开启前应先打开旁通阀。4. 重量大的蝶阀,应设置牢固的基础。

1、当您付费下载文档后,您只拥有了使用权限,并不意味着购买了版权,文档只能用于自身使用,不得用于其他商业用途(如 [转卖]进行直接盈利或[编辑后售卖]进行间接盈利)。
2、本站所有内容均由合作方或网友上传,本站不对文档的完整性、权威性及其观点立场正确性做任何保证或承诺!文档内容仅供研究参考,付费前请自行鉴别。
3、如文档内容存在违规,或者侵犯商业秘密、侵犯著作权等,请点击“违规举报”。

碎片内容

手动蝶阀规格及使用

您可能关注的文档

确认删除?
VIP
微信客服
  • 扫码咨询
会员Q群
  • 会员专属群点击这里加入QQ群
客服邮箱
回到顶部