电脑桌面
添加小米粒文库到电脑桌面
安装后可以在桌面快捷访问

技师理论复习题讲解VIP免费

技师理论复习题讲解_第1页
1/22
技师理论复习题讲解_第2页
2/22
技师理论复习题讲解_第3页
3/22
维修电工(技师)理论复习题一、单选题:1、无静差调速系统中,积分环节的作用使输出量(D)上升,直到输入信号消失。A 、曲线B、抛物线C、双曲线D、直线2、在大容量三相逆变器中,开关元件一般不采用(B)。A、晶闸管B、绝缘栅双极晶体管C、可关断晶闸管D、电力晶体管3、变频器安装时,一般情况下,接触器(C)。A、应接在电源和变频器之间及电动机和变频器之间B、不能接在电源和变频器之间及电动机和变频器之间C、应接在电源和变频器之间而不能接在电动机和变频器之间D、不能接在电源和变频器之间而应接在电源和变频器4、通用变频器适用于(B)电机调速。A、双速B、交流鼠笼式C、直流D、交流线绕式5、PLC 是按集中输入、集中输出,周期性(B)的方式进行工作的。A、并行扫描B、循环扫描C、一次扫描D、多次扫描6、电动机在额定负载时(C)称为调速范围。A、最高转速与最低转速之差B、定子绕组旋转磁场转速与转子转速之差C、最高转速与最低转速之比D、定子绕组旋转磁场转速与转子转速之比7、恒压供水系统的PID 调节器的作用是把压力设定信号和压力反馈信号经运算后,输给变频器一个(B )控制信号。A、温度B、频率C、电阻D、热量8、带有电压负反馈和电流正反馈的调速系统中,电压负反馈和电流正(C)。A、前者是补偿控制,后者是反馈控制B、两者都是补偿控制C、前者是反馈控制,后者是补偿控制D、两者都是反馈控制9、下列指令中, (A)是加法指令。A、ADD B、SUB C、INC D、DEC 10、下列传感器中发球模拟量传感器的是(D)。A、脉冲编码器B、导电式液位传感器C、压力开关D、电阻式变片传感器11、偏差信号通常是指(B)信号之差。A、输入与输出B 输入与反馈C、输出与扰动D、输出与反馈12、检测距离传感器20CM 的不透光的物体,应选择工作原理为(D)型的接近开关。A、高频振荡B、电容C、电磁感应D、光电13、 M8000(B)。A、具有置位功能B、具有监视功能C、是常数D、具有初始化功能14、不能用于PLC 编程的语言有(D)。A、梯形图B、状态转移图C、ST 文本D、英语15、 PLC 程序中手动程序和自动程序需要(A)。A、互锁B、自锁C、保持D、联动16、触摸屏通过(A)方式与 PLC 交流信息。A、通信B、 I/O 信号控制C、继电器连接D、电气连接17、触摸屏不能代替传统操作面板的(C)功能。A、手动输入的常开按钮B、数值指拨开关C、急停开关D、LED 信号灯18、带有速度、电流双闭环调速系统,在启动时调节作用主要靠(A)调节器产生。A、...

1、当您付费下载文档后,您只拥有了使用权限,并不意味着购买了版权,文档只能用于自身使用,不得用于其他商业用途(如 [转卖]进行直接盈利或[编辑后售卖]进行间接盈利)。
2、本站所有内容均由合作方或网友上传,本站不对文档的完整性、权威性及其观点立场正确性做任何保证或承诺!文档内容仅供研究参考,付费前请自行鉴别。
3、如文档内容存在违规,或者侵犯商业秘密、侵犯著作权等,请点击“违规举报”。

碎片内容

技师理论复习题讲解

确认删除?
VIP
微信客服
  • 扫码咨询
会员Q群
  • 会员专属群点击这里加入QQ群
客服邮箱
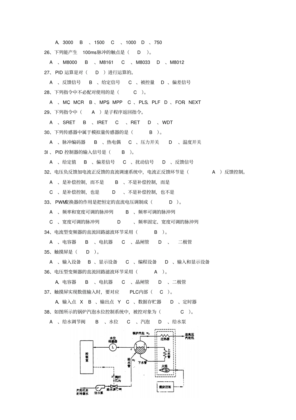
回到顶部