电脑桌面
添加小米粒文库到电脑桌面
安装后可以在桌面快捷访问

技术规格书-MS50GRO膜滤芯VIP专享VIP免费

技术规格书-MS50GRO膜滤芯_第1页
1/7
技术规格书-MS50GRO膜滤芯_第2页
2/7
技术规格书-MS50GRO膜滤芯_第3页
3/7
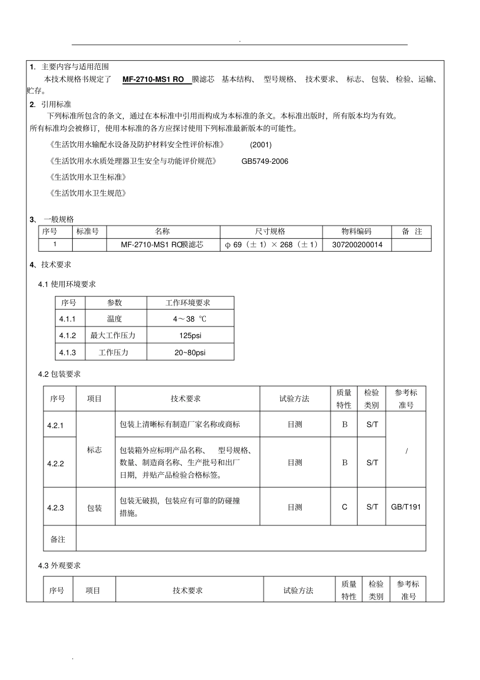
. . 1.主要内容与适用范围本技术规格书规定了MF-2710-MS1 RO膜滤芯基本结构、 型号规格、 技术要求、 标志、 包装、 检验、运输、贮存。2.引用标准下列标准所包含的条文,通过在本标准中引用而构成为本标准的条文。本标准出版时,所有版本均为有效。所有标准均会被修订,使用本标准的各方应探讨使用下列标准最新版本的可能性。《生活饮用水输配水设备及防护材料安全性评价标准》(2001)《生活饮用水水质处理器卫生安全与功能评价规范》GB5749-2006 《生活饮用水卫生标准》《生活饮用水卫生规范》3、 一般规格序号标准号名称尺寸规格物料编码备 注1 MF-2710-MS1 RO膜滤芯φ 69(± 1)× 268(± 1)3072002000144、技术要求4.1 使用环境要求序号参数工作环境要求4.1.1 温度4~38 ℃4.1.2 最大工作压力125psi 4.1.3 工作压力20~80psi 4.2 包装要求序号项目技术要求试验方法质量特性检验类别参考标准号4.2.1 标志包装上清晰标有制造厂家名称或商标目测BS/T / 4.2.2 包装箱外应标明产品名称、型号规格、数量、制造商名称、生产批号和出厂日期,并贴产品检验合格标签。目测BS/T 4.2.3 包装包装无破损,包装应有可靠的防碰撞措施。目测C S/T GB/T191 备注4.3 外观要求序号项目技术要求试验方法质量特性检验类别参考标准号. . 4.3.1 外观外表不应有砂眼或塑化不良,应光滑平整,不应夹带杂质或表面凹凸、批锋等明显有损外观的缺陷目测,触摸C S/T / 4.3.2 尺寸基本尺寸符合归档二维图纸中各尺寸要求,与滤芯接座试装良好卡尺测试,试装符合要求A S/T 备注4.4 标识要求序号项目技术要求试验方法质量特性检验类别参考标准号4.4.1 内容1.标识清晰,文字内容正确无误,应有相应的铭牌标志,线规符合图纸技术要求;2.滤芯密封贴纸撕掉时不能有胶残留在滤芯表面目测和手工操作B S/T / 备注4.5 性能要求序号项目技术要求试验方法质量特性检验类别参考标号4.5.1 初始流速60psi的膜前压力 ,水温 25℃,废水比 1:2,纯水流量≥131.43mL/min( 水温与流量对应系数表见附件二) 在滤芯前端连通压力表, 调节废水阀至压力表压力60psi,废水比 1:2,测试纯水、废水流量,测3次,要求每次都符合技术要求AS/T/ 4.5.2 脱盐率24h后,脱盐率≥ 96% 标准测试条件①下,测试纯水、自来水电导率以及自来水温度,计算纯水脱盐率 (计算公式和安装方式见附件一 ) A T 4.5.3 出水细菌指标初始状态加标测试,出...

1、当您付费下载文档后,您只拥有了使用权限,并不意味着购买了版权,文档只能用于自身使用,不得用于其他商业用途(如 [转卖]进行直接盈利或[编辑后售卖]进行间接盈利)。
2、本站所有内容均由合作方或网友上传,本站不对文档的完整性、权威性及其观点立场正确性做任何保证或承诺!文档内容仅供研究参考,付费前请自行鉴别。
3、如文档内容存在违规,或者侵犯商业秘密、侵犯著作权等,请点击“违规举报”。

碎片内容

技术规格书-MS50GRO膜滤芯

确认删除?
VIP
微信客服
  • 扫码咨询
会员Q群
  • 会员专属群点击这里加入QQ群
客服邮箱
回到顶部