电脑桌面
添加小米粒文库到电脑桌面
安装后可以在桌面快捷访问

投料机检修规程200500重点讲义资料VIP专享VIP免费

投料机检修规程200500重点讲义资料_第1页
1/32
投料机检修规程200500重点讲义资料_第2页
2/32
投料机检修规程200500重点讲义资料_第3页
3/32
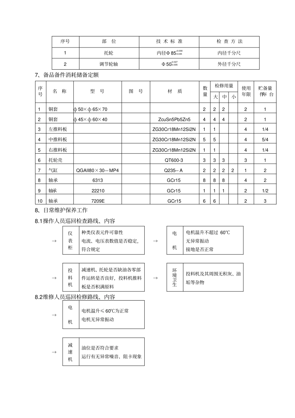
10.8m 斜毯式投料机检修规程1、适用范围本规程适用于三线和一线10.8m斜毯式投料机设备的维护和检修。2、主要技术参数2.1 主机2.1.1投料台宽度:3580mm 2.1.2投料量:333t/d 2.1.3轨道中心距:2780mm 2.2 附机2.2.1电动机:YVP-132M-4,功率:7.5KW 2.2.2减速机:BW3922 中心高:290 2.3 润滑方式减速机、齿轮箱:飞溅润滑。轴承:手工加脂润滑。3、主要零部件序号名称数量材质1 投料台1 耐热铸钢、Q235-A 2 托轮装置3 Q235-A 3 投料机体1 Q235-A 4 车轮装置4 Q235-A 4、检修间隔期按该设备运行情况及实际运行台时,编制检修计划。5、检修内容修理性质达到的要求小修对紧固件等外部易拆零件进行修理更换。中修对本设备的轴承、托轮装置、调节装置、车轮装置、闸门操纵机构进行修理、更换及清洗减速机、齿轮箱。其中包括小修内容。大修对投料台、投料机体、减速机、齿轮箱进行全面修理、更换,恢复其原设备的生产能力,其技术标准达到出厂标准。其中包括中修内容。6、检修技术标准序号部位技 术 标 准检 查 方 法1 托轮内径Φ 85+0.000 -0.035内径千分尺2 调节轮轴Φ 50+0.027 +0.005外径千分尺7、备品备件消耗储备定额序号名称型号图号材质数量检修用量使用年限贮备量件/年· 台大中小1 铜套ф 50×ф 65×702 2 2 2 1 2 铜套ф 45×ф 60×40 ZcuSn5Pb5Zn5 4 4 4 2 1 3 左推料板ZG30Cr18Mn12Si2N 1 1 4 1/4 4 中推料板ZG30Cr18Mn12Si2N 5 5 4 5/4 5 右推料板ZG30Cr18Mn12Si2N 1 1 4 1/4 6 托轮壳QT600-3 3 3 3 3 1 7 气缸QGAII80×30—MP4 Q235— A 2 2 2 2 1 2 8 轴承6313 GCr15 8 8 8 4 2 9 轴承22210 GCr15 1 1 1 2 1/2 10 轴承7209E GCr15 6 6 2 3 8、日常维护保养工作8.1操作人员巡回检查路线、内容→仪表柜种类仪表元件可靠性电流、电压表数值是否稳定,符合规定→电机电机温升不超过 60℃无异常振动接地是否正常→投料机减速机、托轮是否缺油各零部件运转是否良好,投料机推料板是否积满原料→环境卫生投料机及其周围无积灰、油垢等杂物8.2维修人员巡回检修路线、内容→电机电机温升≤ 60℃为正常电机无异常振动→减速机油位是否符合要求运行有无异常噪音、阻卡现象→调节装置调节装置是否松动轴承是否有异常→托轮托轮外径是否磨损托轮能否正常运转→推料板推料板是否变形,正常推料9、常见故障及排除方法原因处...

1、当您付费下载文档后,您只拥有了使用权限,并不意味着购买了版权,文档只能用于自身使用,不得用于其他商业用途(如 [转卖]进行直接盈利或[编辑后售卖]进行间接盈利)。
2、本站所有内容均由合作方或网友上传,本站不对文档的完整性、权威性及其观点立场正确性做任何保证或承诺!文档内容仅供研究参考,付费前请自行鉴别。
3、如文档内容存在违规,或者侵犯商业秘密、侵犯著作权等,请点击“违规举报”。

碎片内容

投料机检修规程200500重点讲义资料

确认删除?
VIP
微信客服
  • 扫码咨询
会员Q群
  • 会员专属群点击这里加入QQ群
客服邮箱
回到顶部