电脑桌面
添加小米粒文库到电脑桌面
安装后可以在桌面快捷访问

互换性与技术测量VIP免费

互换性与技术测量_第1页
1/8
互换性与技术测量_第2页
2/8
互换性与技术测量_第3页
3/8
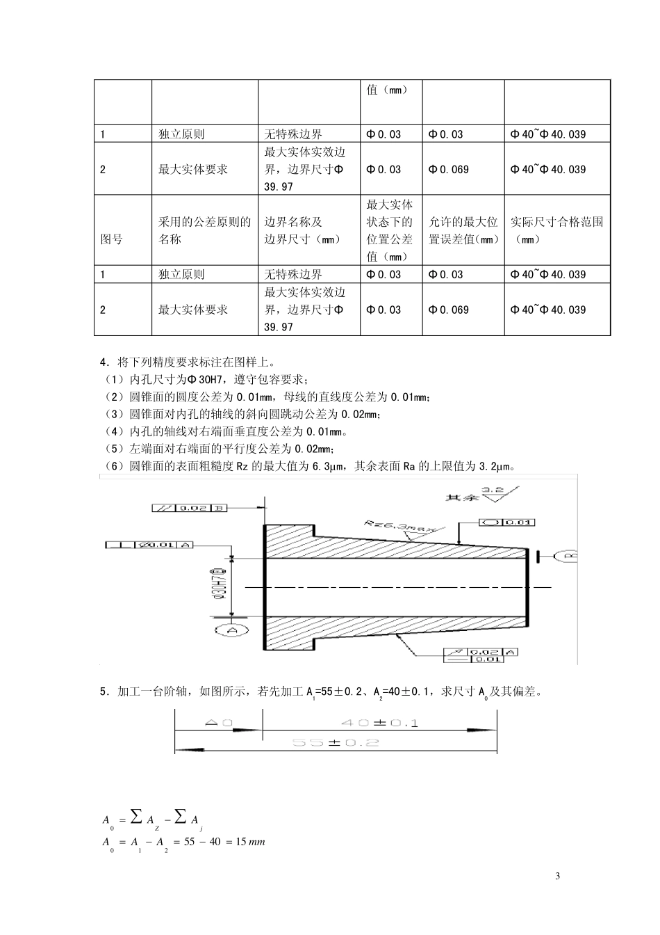
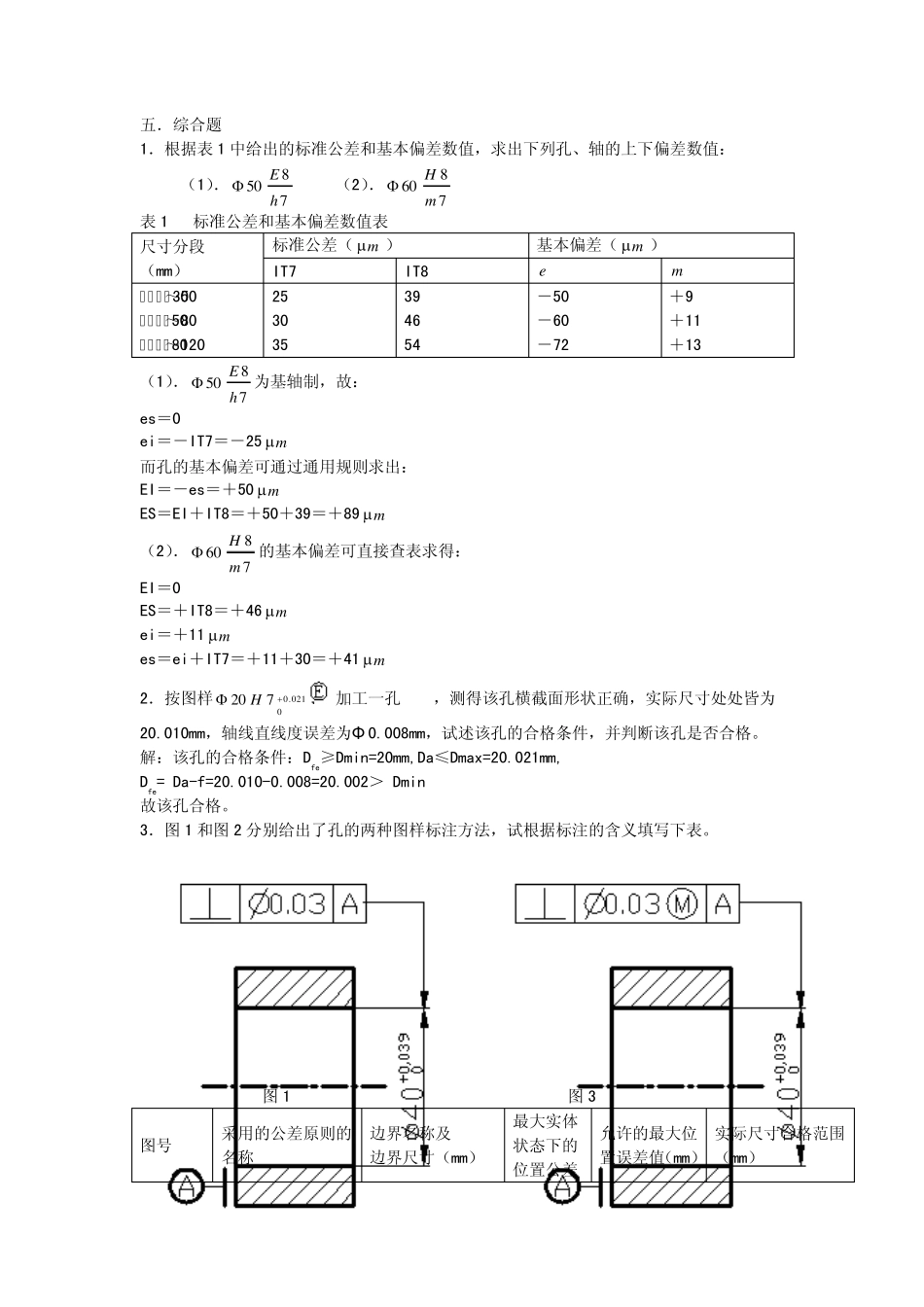
1 四、简答题 1.什么是互换性?互换性按程度分哪几类? 1.答:机器在装配或更换零部件时,从大批生产出来的同一规格的零部件中,任意取出一件,不需要做任何选择、附加调整或修配,就能够组装成部件或整机,并且能够达到预定的设计性能和使用要求,这种技术特性叫做互换性。 互换性按其程度可分为完全互换性和不完全互换性。 2.配合分哪几类?各类配合中孔和轴公差带的相对位置有何特点? 2.答:配合分三类:间隙配合、过渡配合和过盈配合。 间隙配合中孔的公差带在轴的公差带上方;过盈配合中孔的公差带在轴的公差带下方;过渡配合中孔的公差带和轴的公差带相互重叠。 3.为什么要规定基准制?为什么优先采用基孔制? 3.答:标准公差带形成最多种的配合,国家标准规定了两种配合基准制:基孔制和基轴制。 一般情况下优先选用基孔制配合是考虑中、小尺寸孔常采用定尺寸刀具加工,这样可以减少定尺寸刀具、量具的品种、规格、数量,而大尺寸刀具则考虑习惯、方便,也采用基孔制。 4.简述测量的含义和测量过程的四要素。 4.答:测量是将被测几何量的量值和一个作为计量单位的标准量进行比较,求得其比值的过程。测量过程应包括被测对象、计量单位、测量方法和测量精度四要素。 5.“示值范围”和“测量范围”有何区别? 5.答:“示值范围”指计量器具所能显示或指示的最低值或最高值的范围;“测量范围”指在允许的误差限内,计量器具所能测出的被测量的范围。 6.测量误差按其性质可分为哪几类?各有何特征?实际测量中对各类误差的处理原则是什么? 6.答:测量误差按其性质可分为系统误差、随机误差和粗大误差三大类。系统误差在相同条件下,多次测量同一值时,误差的绝对值和符号均保持不变或按某一规律变化;随机误差在相同条件下,多次测量同一值时,误差的绝对值和符号以不可预定的方式变化;粗大误差是超出规定条件下预计的误差。实际测量中对系统误差用修正法消除;对随机误差可通过概率统计方法寻求和描述规律,评定其影响程度;对粗大误差按一定规则予以剔除。 7.表面结构中粗糙度轮廓的含义是什么?它对零件的使用性能有什么影响? 7.答:表面结构中粗糙度轮廓的含义是指零件表面由间距很小的微小峰、谷所形成的微观几何误差。它对零件的使用性能中的耐磨性、耐腐蚀性和耐疲劳性以及配合性质的稳定性均有影响。 8.为什么在表面粗糙度轮廓标准中,除了规定“取样长度”外,还规定“评定长度”? 8.答:由...

1、当您付费下载文档后,您只拥有了使用权限,并不意味着购买了版权,文档只能用于自身使用,不得用于其他商业用途(如 [转卖]进行直接盈利或[编辑后售卖]进行间接盈利)。
2、本站所有内容均由合作方或网友上传,本站不对文档的完整性、权威性及其观点立场正确性做任何保证或承诺!文档内容仅供研究参考,付费前请自行鉴别。
3、如文档内容存在违规,或者侵犯商业秘密、侵犯著作权等,请点击“违规举报”。

碎片内容

互换性与技术测量

确认删除?
VIP
微信客服
  • 扫码咨询
会员Q群
  • 会员专属群点击这里加入QQ群
客服邮箱
回到顶部