电脑桌面
添加小米粒文库到电脑桌面
安装后可以在桌面快捷访问

城市轨道交通工程质量安全督查表.VIP专享VIP免费

城市轨道交通工程质量安全督查表._第1页
1/18
城市轨道交通工程质量安全督查表._第2页
2/18
城市轨道交通工程质量安全督查表._第3页
3/18
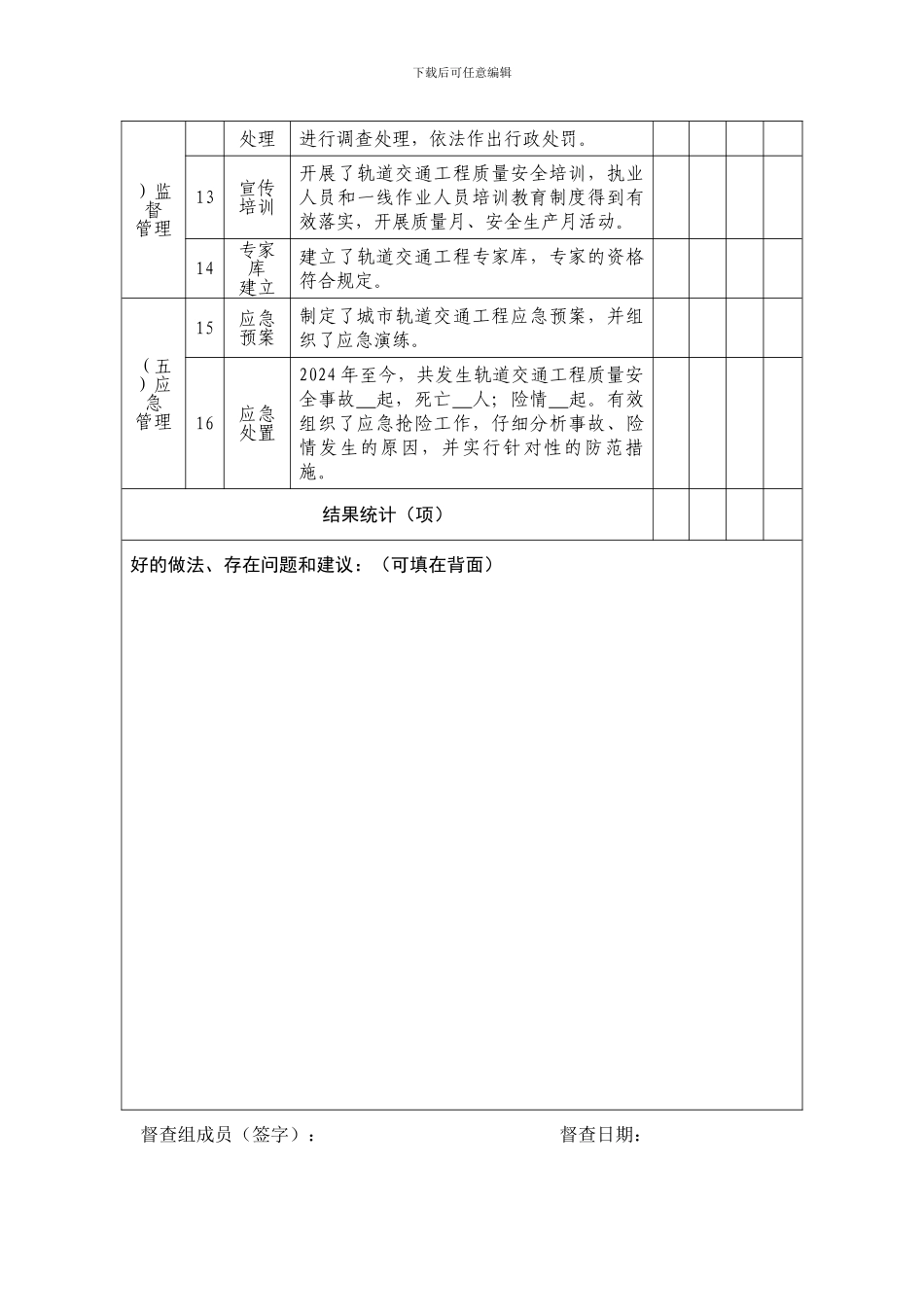
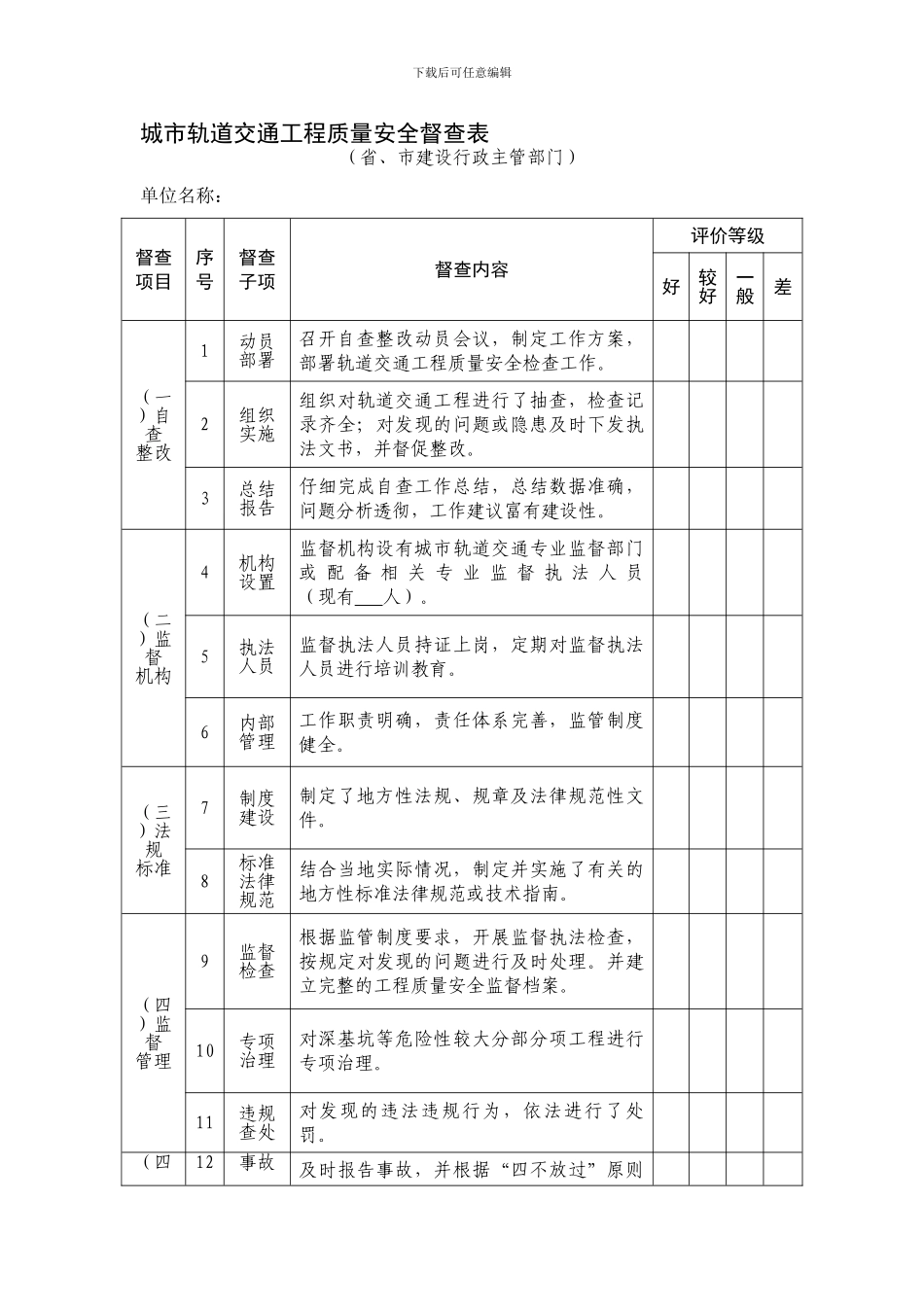
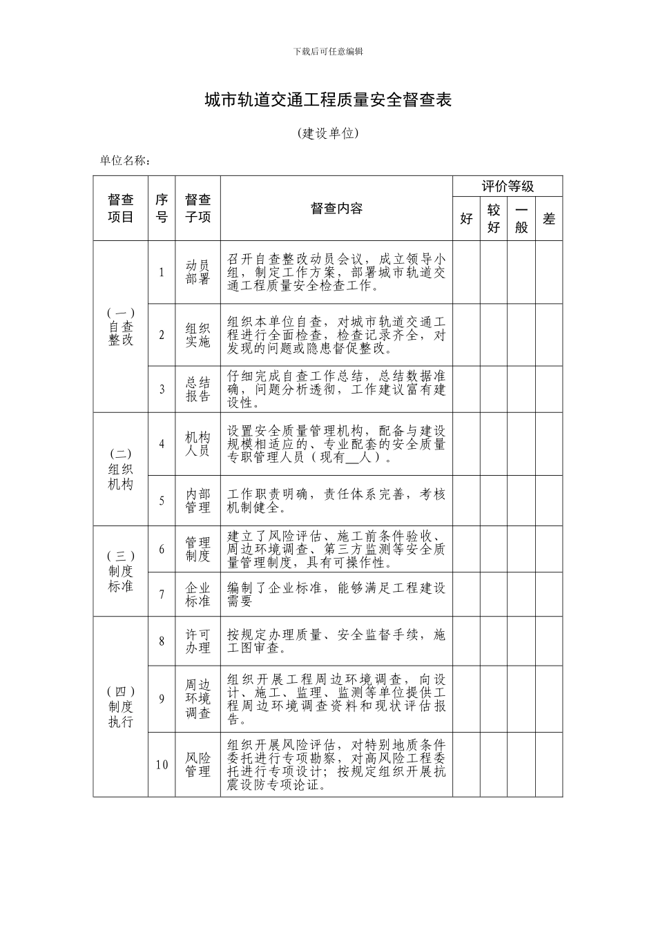
下载后可任意编辑城市轨道交通工程质量安全督查表(省、市建设行政主管部门)单位名称: 督查项目序号督查子项督查内容评价等级好较好一般差(一)自查整改1动员部署召开自查整改动员会议,制定工作方案,部署轨道交通工程质量安全检查工作。2组织实施组织对轨道交通工程进行了抽查,检查记录齐全;对发现的问题或隐患及时下发执法文书,并督促整改。3总结报告仔细完成自查工作总结,总结数据准确,问题分析透彻,工作建议富有建设性。(二)监督机构4机构设置监督机构设有城市轨道交通专业监督部门或 配 备 相 关 专 业 监 督 执 法 人 员 (现有 人)。5执法人员监督执法人员持证上岗,定期对监督执法人员进行培训教育。6内部管理工作职责明确,责任体系完善,监管制度健全。(三)法规标准7制度建设制定了地方性法规、规章及法律规范性文件。8标准法律规范结合当地实际情况,制定并实施了有关的地方性标准法律规范或技术指南。(四)监督管理9监督检查根据监管制度要求,开展监督执法检查,按规定对发现的问题进行及时处理。并建立完整的工程质量安全监督档案。10专项治理对深基坑等危险性较大分部分项工程进行专项治理。11违规查处对发现的违法违规行为,依法进行了处罚。(四12事故及时报告事故,并根据“四不放过”原则下载后可任意编辑)监督管理处理进行调查处理,依法作出行政处罚。13宣传培训开展了轨道交通工程质量安全培训,执业人员和一线作业人员培训教育制度得到有效落实,开展质量月、安全生产月活动。14专家库建立建立了轨道交通工程专家库,专家的资格符合规定。(五)应急管理15应急预案制定了城市轨道交通工程应急预案,并组织了应急演练。16应急处置2024 年至今,共发生轨道交通工程质量安全事故 起,死亡 人;险情 起。有效组织了应急抢险工作,仔细分析事故、险情发生的原因,并实行针对性的防范措施。结果统计(项)好的做法、存在问题和建议:(可填在背面)督查组成员(签字): 督查日期:下载后可任意编辑城市轨道交通工程质量安全督查表(建设单位)单位名称: 督查项目序号督查子项督查内容评价等级好较好一般差(一)自查整改1动员部署召开自查整改动员会议,成立领导小组,制定工作方案,部署城市轨道交通工程质量安全检查工作。2组织实施组织本单位自查,对城市轨道交通工程进行全面检查,检查记录齐全,对发现的问题或隐患督促整改。3总结报告仔细完成自查工作总结,总结数据准确,问题分析...

1、当您付费下载文档后,您只拥有了使用权限,并不意味着购买了版权,文档只能用于自身使用,不得用于其他商业用途(如 [转卖]进行直接盈利或[编辑后售卖]进行间接盈利)。
2、本站所有内容均由合作方或网友上传,本站不对文档的完整性、权威性及其观点立场正确性做任何保证或承诺!文档内容仅供研究参考,付费前请自行鉴别。
3、如文档内容存在违规,或者侵犯商业秘密、侵犯著作权等,请点击“违规举报”。

碎片内容

城市轨道交通工程质量安全督查表.

文森传品+ 关注
实名认证
内容提供者

一家传播文化教育的小店,资料丰富,随意挑选。

确认删除?
VIP
微信客服
  • 扫码咨询
会员Q群
  • 会员专属群点击这里加入QQ群
客服邮箱
回到顶部