电脑桌面
添加小米粒文库到电脑桌面
安装后可以在桌面快捷访问

塑料模具型腔布置VIP免费

塑料模具型腔布置_第1页
1/6
塑料模具型腔布置_第2页
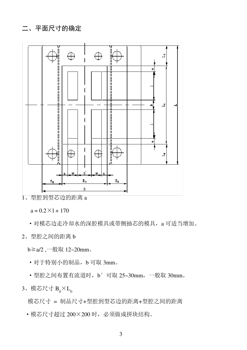
2/6
塑料模具型腔布置_第3页
3/6
1 注塑模的排位设计 一、设计原则 1、力求平衡、对称。 ①各型腔在相同温度下同时充模。 ·采用平衡布局 ·非平衡布局可通过调节浇口尺寸达到平衡 ②浇口平衡 ③大小制品对称布置 ④模具力平衡,即注射压力中心与主流道中心重合,防止飞边。 2、流道尽可能短,以降低废料率、成型周期和热损失。H 型排位优于环形和对称型。 3、对高精度制品,型腔数目尽可能少。因为每增加一个型腔,制品精度下降 4%。精密模具型腔数目一般不超过 4 个。 4、相同颜色、相同原料。 2 5 、结构紧凑,节约钢材。 6 、大近小远。 7 、高度相近。 8 、先大后小,见缝插针。 9 、同一制品,大近小远。 1 0 、工艺性好。 3 二、平面尺寸的确定 1、型腔到型芯边的距离a a = 0.2×l + 170 ·对模芯边走冷却水的深腔模具或带侧抽芯的模具,a 可适当增加。 2、型腔之间的距离b b≧a/2 ,一般取 12~20mm。 ·对于特别小的制品,b 可取 3mm。 ·型腔之间布置有流道时,b′可取 25~30mm,一般取 30mm。 3、模芯尺寸 B0×L0 模芯尺寸 = 制品尺寸+型腔到型芯边的距离+型腔之间的距离 ·模芯尺寸超过 200×200 时,必须做成拼块结构。 4 4、推算模架 ①模具尺寸系列 L B 15 20 25 30 35 40 45 50 55 60 15 √ √ √ 20 √ √ √ 25 √ √ √ √ 30 √ √ √ √ 35 √ √ √ √ 40 √ √ √ 45 √ √ √ 50 √ √ √ ②模架之成型范围 B BK B0 LK L0 150 35 80 35 L0 = L - 2 LK 200 45 110 40 250 55 140 45 300 65 170 50 350 65 220 55 400 75 250 55 450 85 280 60 500 95 310 60 5 三、高度尺寸的确定 1、前模部分 ①型腔背后模芯厚度h1,h1 与冷却水孔的布置及制品的平面投影面积有关。 ·无冷却水孔或制品较小时,h1 取 15~ 20mm。 ·冷却水孔边到型腔的距离取 1.5d,或取 10~ 15 mm。 制品平面投影面积(cm2) h1(mm) d(mm) <40(6.32) 20~ 25(20) 6 40~ 77(8.72) 25~ 32(30) 8 77~ 116(10.72) 32~ 38(35) 10 116~ 154(12.42) 38~ 50(45) 12 154~ 193(13.92) 44~ 64(50) 16 >193 50~ 76(60) 20 ②A 板开框背后厚度h3 = 25~ 35 mm ③前模芯厚度h2 = 制品厚度h+型腔背后模芯厚度h1 ④A 板厚度h4 =前模芯厚度h2+A 板开框背后厚度h3 2、后模部分 ①后模芯厚度h6,主要起藏 core 作用,一般取 20~ 35 mm。 ②B 板开框背后厚度h7,主要承受来自型腔的注射压力,可以查选标准托板厚度。 B(cm) 15、20 25 30、35 40 45、50 h7(mm) 30 35 45 50 60 (第二点中其他未知的可在已知之间适当选取)(B 板开框背后厚度比 A 板厚) ③B 板厚度h8=后模芯厚度h6+ B 板开框背后厚度h7 6 — END—

1、当您付费下载文档后,您只拥有了使用权限,并不意味着购买了版权,文档只能用于自身使用,不得用于其他商业用途(如 [转卖]进行直接盈利或[编辑后售卖]进行间接盈利)。
2、本站所有内容均由合作方或网友上传,本站不对文档的完整性、权威性及其观点立场正确性做任何保证或承诺!文档内容仅供研究参考,付费前请自行鉴别。
3、如文档内容存在违规,或者侵犯商业秘密、侵犯著作权等,请点击“违规举报”。

碎片内容

塑料模具型腔布置

确认删除?
VIP
微信客服
  • 扫码咨询
会员Q群
  • 会员专属群点击这里加入QQ群
客服邮箱
回到顶部