电脑桌面
添加小米粒文库到电脑桌面
安装后可以在桌面快捷访问

塑料模课程设计题目VIP免费

塑料模课程设计题目_第1页
1/13
塑料模课程设计题目_第2页
2/13
塑料模课程设计题目_第3页
3/13
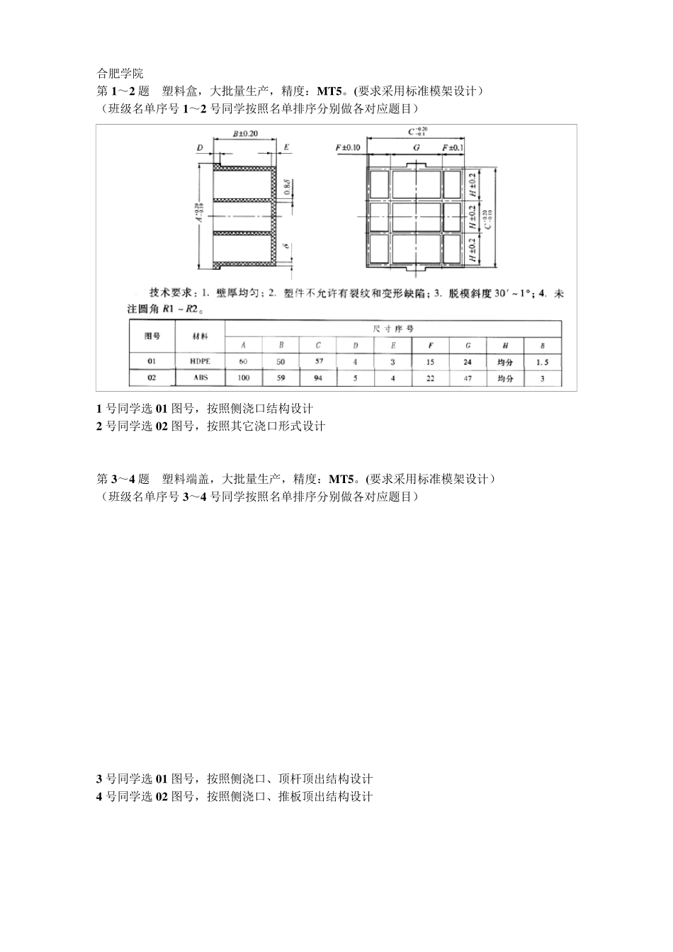
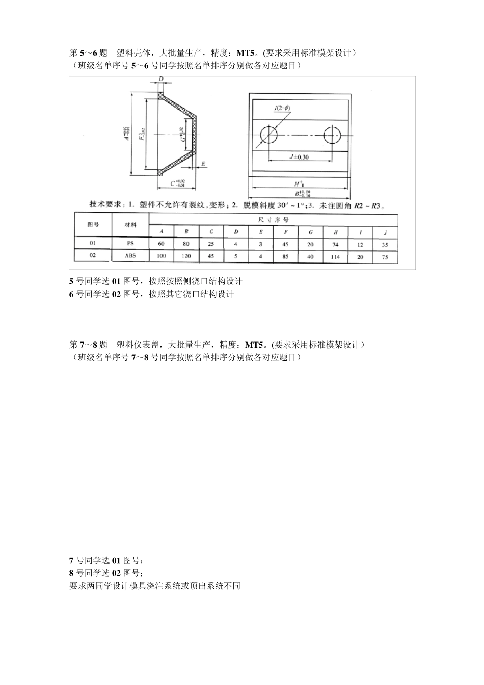
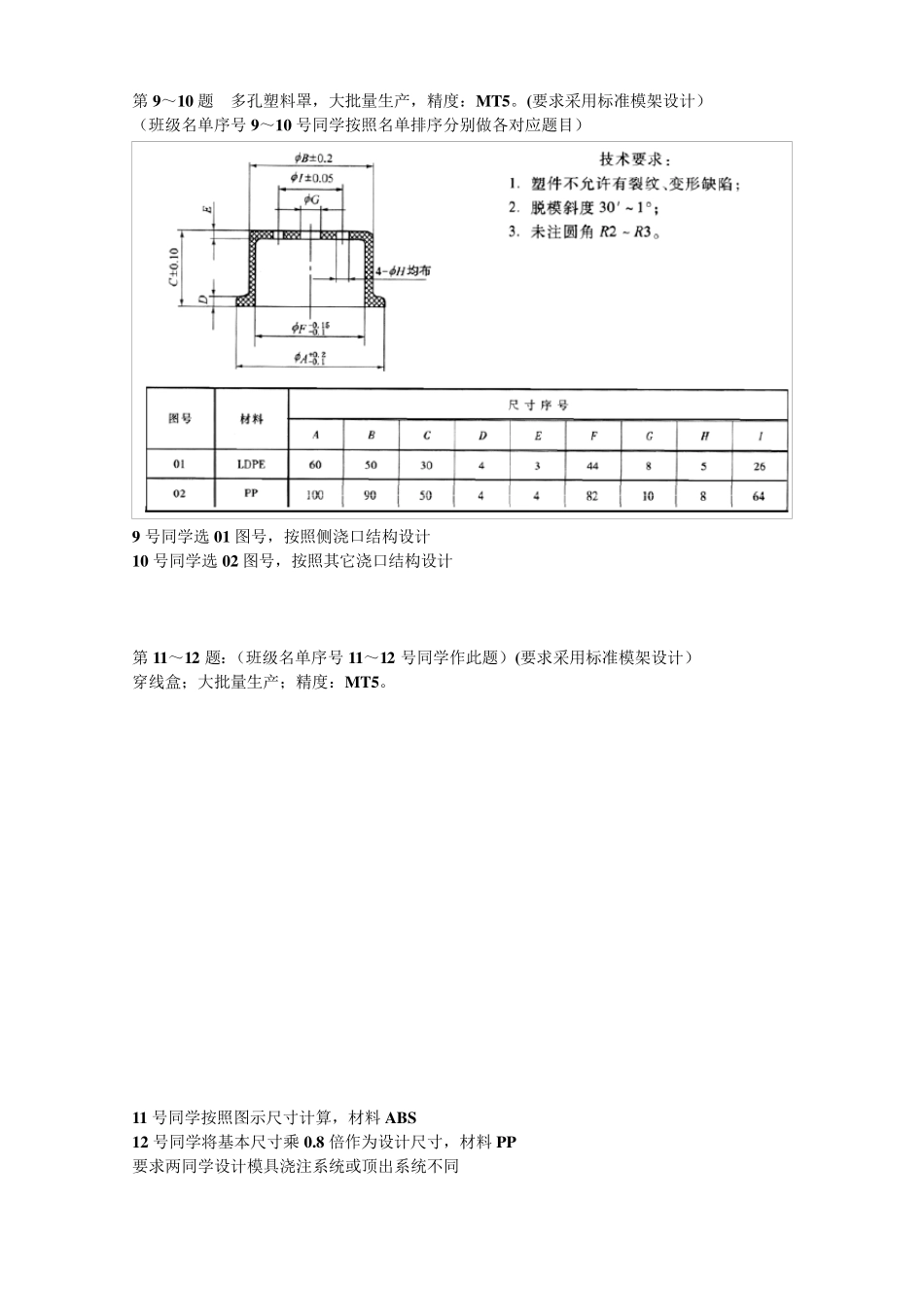
合肥学院 第1~2 题 塑料盒,大批量生产,精度:MT5。(要求采用标准模架设计) (班级名单序号1~2 号同学按照名单排序分别做各对应题目) 1 号同学选01 图号,按照侧浇口结构设计 2 号同学选02 图号,按照其它浇口形式设计 第3~4 题 塑料端盖,大批量生产,精度:MT5。(要求采用标准模架设计) (班级名单序号3~4 号同学按照名单排序分别做各对应题目) 3 号同学选01 图号,按照侧浇口、顶杆顶出结构设计 4 号同学选02 图号,按照侧浇口、推板顶出结构设计 第5~6 题 塑料壳体,大批量生产,精度:MT5。(要求采用标准模架设计) (班级名单序号 5~6 号同学按照名单排序分别做各对应题目) 5 号同学选 01 图号,按照按照侧浇口结构设计 6 号同学选 02 图号,按照其它浇口结构设计 第7~8 题 塑料仪表盖,大批量生产,精度:MT5。(要求采用标准模架设计) (班级名单序号 7~8 号同学按照名单排序分别做各对应题目) 7 号同学选 01 图号; 8 号同学选 02 图号; 要求两同学设计模具浇注系统或顶出系统不同 第9~10 题 多孔塑料罩,大批量生产,精度:MT5。(要求采用标准模架设计) (班级名单序号 9~10 号同学按照名单排序分别做各对应题目) 9 号同学选 01 图号,按照侧浇口结构设计 10 号同学选 02 图号,按照其它浇口结构设计 第11~12 题:(班级名单序号 11~12 号同学作此题)(要求采用标准模架设计) 穿线盒;大批量生产;精度:MT5。 11 号同学按照图示尺寸计算,材料ABS 12 号同学将基本尺寸乘 0.8 倍作为设计尺寸,材料PP 要求两同学设计模具浇注系统或顶出系统不同 第13~14 题 (班级名单序号13~14 号同学作此题)(要求采用标准模架设计) 套管,结构如图所示。大批量生产,精度:MT5。 13 号同学按照图示尺寸计算,材料 ABS。 14 号同学将基本尺寸乘 1.2 倍作为设计尺寸,材料 PP 要求两同学设计模具浇注系统或顶出系统不同 第15~16 题:(班级名单序号15~16 号同学按照名单排序分别做各对应题目)(要求采用标准模架设计) 罩盖板,大批量生产;精度:MT5 15 号同学将图示尺寸设计,材料 PP; 16 号同学将图示尺寸放大 1.2 倍作为设计尺寸,材料 ABS; 要求同组两位同学设计模具结构不同(如浇注系统不同;或顶出系统不同;或其它不同) 第17~18 题 (班级名单序号17~18 号同学按照名单排序分别做各对应题目)...

1、当您付费下载文档后,您只拥有了使用权限,并不意味着购买了版权,文档只能用于自身使用,不得用于其他商业用途(如 [转卖]进行直接盈利或[编辑后售卖]进行间接盈利)。
2、本站所有内容均由合作方或网友上传,本站不对文档的完整性、权威性及其观点立场正确性做任何保证或承诺!文档内容仅供研究参考,付费前请自行鉴别。
3、如文档内容存在违规,或者侵犯商业秘密、侵犯著作权等,请点击“违规举报”。

碎片内容

塑料模课程设计题目

您可能关注的文档

确认删除?
VIP
微信客服
  • 扫码咨询
会员Q群
  • 会员专属群点击这里加入QQ群
客服邮箱
回到顶部