电脑桌面
添加小米粒文库到电脑桌面
安装后可以在桌面快捷访问

政工程试验检测频率执行标准汇总VIP免费

政工程试验检测频率执行标准汇总_第1页
1/26
政工程试验检测频率执行标准汇总_第2页
2/26
政工程试验检测频率执行标准汇总_第3页
3/26
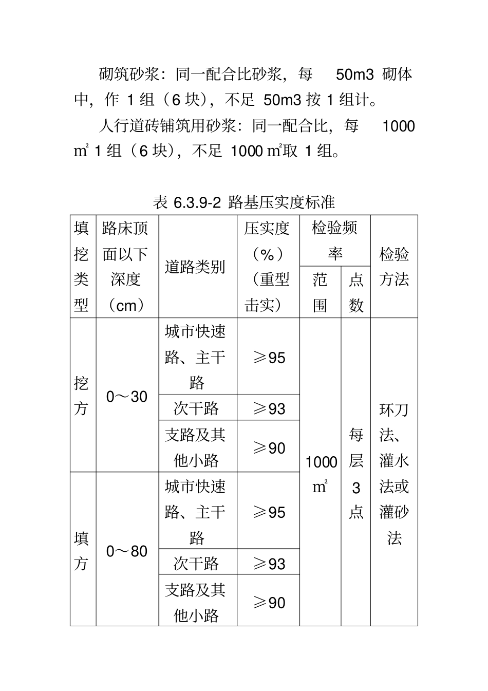
市政工程试验检测频率执行标准汇总市政工程1、《城镇道路工程施工与质量验收规范》CJJ 1-2008 本规范适用于城镇新建、改建、扩建的道路及广场、停车场等工程的施工和质量检验、 验收。原材料、半成品或成品的质量标准,凡本规范有规定者,应按照执行;无规定者,应按国家现行的有关标准执行。施工前,应根据工程地质勘查报告,对路基土进行天然含水量、液限、塑限、标准击实、CBR 试验,必要时应做颗粒分析、有机质含量、易溶盐含量、冻膨胀和膨胀量等试验。(频率每次 5000m3~1 万 m3)a 路基(路床)压实度:每1000 ㎡、每压实层抽检 3 点;弯沉值:每车道、每20m测 1 点。人行道路床与基层压实度:每100m查 2 点;路肩压实度:每 100m,每侧各抽检 1 点。 b水泥稳定土类基层及底基层压实度:每1000 ㎡,每压实层抽查1 点; 7d 无侧限抗压强度:每 2000 ㎡抽检 1 组(6 块);弯沉值:每车道、每 20m测 1 点。砌筑砂浆:同一配合比砂浆,每50m3 砌体中,作 1 组(6 块),不足 50m3 按 1 组计。人行道砖铺筑用砂浆:同一配合比,每1000㎡ 1 组(6 块),不足 1000 ㎡取 1 组。表 6.3.9-2 路基压实度标准填挖类型路床顶面以下深度(cm)道路类别压实度(% )(重型击实)检验频率检验方法范围点数挖方0~30城市快速路、主干路≥95 1000㎡每层3点环刀法、灌水法或灌砂法次干路≥93 支路及其他小路≥90 填方0~80城市快速路、主干路≥95 次干路≥93 支路及其他小路≥90 >80~150城市快速路、主干路≥93 次干路≥90 支路及其他小路≥90 >150 城市快速路、主干路≥90 次干路≥90 支路及其他小路≥87 2、《城市桥梁工程施工与质量验收规范》CJJ 2-2008 本规范适用于一般地质条件下城市桥梁的新建、改建、扩建工程和大、中修维护工程的施工与质量验收。桥梁工程范围内的排水设施、挡土墙、引道等工程施工及验收应符合国家现行标准《城镇道路工程施工与质量验收规范》 CJJ 1-2008 的有关规定。施工单位应根据施工文件的要求,依据国家现行标准的有关规定, 做好原材料的检验、 水泥混凝土的试配与有关量具、器具的检定工作。表 5.3.1 现浇结构拆除底模时的混凝土强度结构类型结构跨度(m)按设计混凝土强度标准值的百分率( %)板≤2 50 2~8 75 >8 100 梁、拱≤8 75 >8 100 悬臂构件≤2 75 >2 100 注:构件混凝土强度必须通过同条件养护的试件强度确定。...

1、当您付费下载文档后,您只拥有了使用权限,并不意味着购买了版权,文档只能用于自身使用,不得用于其他商业用途(如 [转卖]进行直接盈利或[编辑后售卖]进行间接盈利)。
2、本站所有内容均由合作方或网友上传,本站不对文档的完整性、权威性及其观点立场正确性做任何保证或承诺!文档内容仅供研究参考,付费前请自行鉴别。
3、如文档内容存在违规,或者侵犯商业秘密、侵犯著作权等,请点击“违规举报”。

碎片内容

政工程试验检测频率执行标准汇总

确认删除?
VIP
微信客服
  • 扫码咨询
会员Q群
  • 会员专属群点击这里加入QQ群
客服邮箱
回到顶部