电脑桌面
添加小米粒文库到电脑桌面
安装后可以在桌面快捷访问

工程量清单计算规则及说明VIP免费

工程量清单计算规则及说明_第1页
1/26
工程量清单计算规则及说明_第2页
2/26
工程量清单计算规则及说明_第3页
3/26
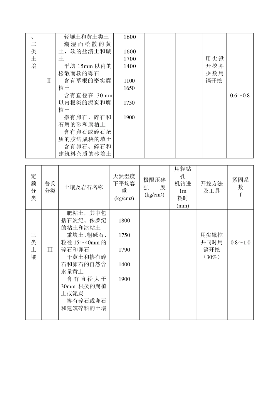
工 程 量 清 单 计 算 规 则 及 说 明 一 、 工 程 量 计 算 规 则 1、 平 整 场 地 按 设 计 图 示 尺 寸 的 建 筑 物 首 层 面 积 ( 首 层 面 积 按 建 筑 物 外 墙 外 边 线 计 算 )以 m2计 算 。 2、 挖 土 方 按 设 计 图 示 尺 寸 以 m3计 算 。 3、 挖 基 础 土 方 按 设 计 图 示 尺 寸 以 基 础 垫 层 底 面 积 ( 基 础 垫 层 底 面 积 是 指 垫 层 与 地 基 相接 的 底 面 积 ) 乘 以 挖 土 深 度 以 m3计 算 。 4、 人 工 挖 桩 孔 土 方 按 图 示 桩 的 不 同 断 面 积 乘 以 设 计 桩 孔 中 心 线 深 度 ( 含 扩 大 头 进 入 持力 层 部 分 ) 以 m3计 算 。 5、 挖 淤 泥 、 流 砂 按 设 计 图 示 位 置 、 界 限 以 m3计 算 。 6、 管 沟 土 方 按 设 计 图 示 的 管 道 中 心 线 长 度 以 m 计 算 。 7、 预 裂 爆 破 按 设 计 图 示 的 钻 孔 总 长 度 以 m 计 算 。 8、 石 方 开 挖 按 设 计 图 示 尺 寸 以 m3计 算 。 9、 管 沟 石 方 按 设 计 图 示 的 管 道 中 心 线 长 度 以 m 计 算 。 10、 土 ( 石 ) 方 回 填 按 设 计 图 示 尺 寸 以 m3计 算 。 场 地 回 填 以 回 填 面 积 乘 以 平 均 回 填 厚 度计 算 ; 室 内 回 填 以 主 墙 间 净 面 积 乘 以 回 填 厚 度 计 算 ; 基 础 回 填 以 挖 方 体 积 减 去 设 计 室 外 地 坪 以 下 埋 设 的 基 础 体 积 ( 包 括 基 础 垫 层 及 其他 构 筑 物 ) 计 算 。 二 、 说 明 1、 土 壤 及 岩 石 ( 普 氏 ) 的 分 类 可 按 ( 附 表 一 ) 确 定 。 2、 土 石 方 体 积 应 按 挖 掘 前 的 天然密实体 积 计 算 。 3、 平 整 场 地 适用于建 筑 场 地 厚 度 在±30cm 以 内 的 挖 、 填 、 找平 。 4、 挖 土 方 适用于±30cm 以 外 的 竖向布置 的 挖 土 或山坡切土 ,是 指 设 计 室 外 地 坪 标高以上的 挖 土 ,其 挖 土 方 平 均 厚 度 应 按...

1、当您付费下载文档后,您只拥有了使用权限,并不意味着购买了版权,文档只能用于自身使用,不得用于其他商业用途(如 [转卖]进行直接盈利或[编辑后售卖]进行间接盈利)。
2、本站所有内容均由合作方或网友上传,本站不对文档的完整性、权威性及其观点立场正确性做任何保证或承诺!文档内容仅供研究参考,付费前请自行鉴别。
3、如文档内容存在违规,或者侵犯商业秘密、侵犯著作权等,请点击“违规举报”。

碎片内容

工程量清单计算规则及说明

您可能关注的文档

确认删除?
VIP
微信客服
  • 扫码咨询
会员Q群
  • 会员专属群点击这里加入QQ群
客服邮箱
回到顶部