电脑桌面
添加小米粒文库到电脑桌面
安装后可以在桌面快捷访问

常用电子元件封装VIP免费

常用电子元件封装_第1页
1/16
常用电子元件封装_第2页
2/16
常用电子元件封装_第3页
3/16
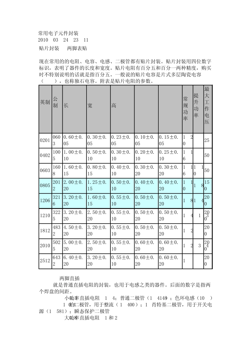
常用电子元件封装 2010-03-24 23:11 贴片封装 - 两脚表贴 现在常用的的电阻、电容、电感、二极管都有贴片封装。贴片封装用四位数字标识,表明了器件的长度和宽度。贴片电阻有百分五和百分一两种精度,购买时不特别说明的话就是指百分五。一般说的贴片电容是片式多层陶瓷电容(MLCC),也称独石电容。附表是贴片电阻的参数。 英制 (mil) 公制 (mm) 长(L) (mm) 宽(W) (mm) 高(t) (mm) a (mm) b (mm) 常规 功率W 提升 功率 W 最大工作 电压 V 0201 0603 0.60±0.05 0.30±0.05 0.23±0.05 0.10±0.05 0.15±0.05 1/20 25 0402 1005 1.00±0.10 0.50±0.10 0.30±0.10 0.20±0.10 0.25±0.10 1/16 50 0603 1608 1.60±0.15 0.80±0.15 0.40±0.10 0.30±0.20 0.30±0.20 1/16 1/10 50 0805 2012 2.00±0.20 1.25±0.15 0.50±0.10 0.40±0.20 0.40±0.20 1/10 1/8 150 1206 3216 3.20±0.20 1.60±0.15 0.55±0.10 0.50±0.20 0.50±0.20 1/8 1/4 200 1210 3225 3.20±0.20 2.50±0.20 0.55±0.10 0.50±0.20 0.50±0.20 1/4 1/3 200 1812 4832 4.50±0.20 3.20±0.20 0.55±0.10 0.50±0.20 0.50±0.20 1/2 200 2010 5025 5.00±0.20 2.50±0.20 0.55±0.10 0.60±0.20 0.60±0.20 1/2 3/4 200 2512 6432 6.40±0.20 3.20±0.20 0.55±0.10 0.60±0.20 0.60±0.20 1 200 AXIAL - 两脚直插 AXIAL就是普通直插电阻的封装,也用于电感之类的器件。后面的数字是指两个焊盘的间距。 AXIAL-0.3 小功率直插电阻(1/4W);普通二极管(1N4148);色环电感(10uH) AXIAL-0.4 1A的二极管,用于整流(1N4007);1A肖特基二极管,用于开关电源(1N5819);瞬态保护二极管 AXIAL-0.8 大功率直插电阻(1W和2W) DIP - 双列直插 直插芯片常用的古老封装。 SOIC - 双列表贴 现在用的贴片max232就是 soic-16,后面的数字显然是管脚数。 贴片485芯片有 SOIC-8S,管脚排布更密了。 TO - 直插 直插三极管用的是 TO-92,普通直插7805电源芯片用TO-220,类似三极管的78L05用TO-92。 直插开关电源芯片2576有五个管脚,用TO-220T。 贴片的2576看起来像 D-PAK,但却是 TO-263,奇怪。它有五个管脚,再加上一个比较大的地。 SOT - 表贴 贴片三极管和场效应管用的是 SOT-23。LM1117电源芯片用SOT-223,加上地共有四个引脚。...

1、当您付费下载文档后,您只拥有了使用权限,并不意味着购买了版权,文档只能用于自身使用,不得用于其他商业用途(如 [转卖]进行直接盈利或[编辑后售卖]进行间接盈利)。
2、本站所有内容均由合作方或网友上传,本站不对文档的完整性、权威性及其观点立场正确性做任何保证或承诺!文档内容仅供研究参考,付费前请自行鉴别。
3、如文档内容存在违规,或者侵犯商业秘密、侵犯著作权等,请点击“违规举报”。

碎片内容

常用电子元件封装

确认删除?
VIP
微信客服
  • 扫码咨询
会员Q群
  • 会员专属群点击这里加入QQ群
客服邮箱
回到顶部