电脑桌面
添加小米粒文库到电脑桌面
安装后可以在桌面快捷访问

常用输送带类型及规格VIP免费

常用输送带类型及规格_第1页
1/10
常用输送带类型及规格_第2页
2/10
常用输送带类型及规格_第3页
3/10
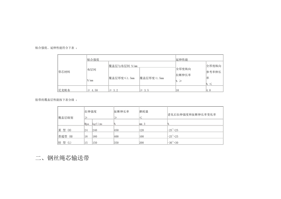
常 用 输 送 带 类 型 及 规 格 一 、 尼 龙 输 送 带 尼 龙 是 橡 胶 工 业 目 前 所 用 合 成 纤 维 中 性 能 最 好 的 品 种 之 一 , 其 结 构 经 纬 向 均 为 锦 纶 编 织 , 用 途 最 广 的 品 种 , 它 最 突 出 的 优 点 是 耐 磨 性 好 , 强 度 高 , 耐 疲 劳 性好 , 尼 龙 帆 布 做 成 输 送 带 体 薄 , 强 力 高 , 耐 冲 击 , 成 槽 性 好 , 层 间 粘 合 力 大 , 屈 挠 性 优 异 及 使 用 寿 命 长 等 特 点 , 适 用 于 中 长 距 离 , 较 高 载 量 , 高 速 条 件 下 输 送 物料 , 广 泛 用 于 矿 山 , 冶 金 、 建 筑 、 港 口 等 部 门 。 尼 龙 多 层 织 物 芯 输 送 带 的 规 格 及 技 术 参 数 : 织 物 类 型 织 物 构 造 织 物 型 号 胶 布 厚 度 (mm/P) 强 度 系 列 (N/mm) 覆 盖 胶 厚 度 mm 宽 度 范 围 带 长 m 经 纬 2 层 3 层 4 层 5 层 6 层 上 覆 盖 胶 下 覆 盖 胶 尼 龙 (NN) 绵 纶 (N) 锦 纶 (N) NN-100 0.70 200 300 400 500 600 1.5-8 0-4.5 400-2500 ≤ 300 NN-125 0.75 250 375 500 625 750 NN-150 0.80 300 450 600 750 900 NN-200 0.90 400 600 800 1000 1200 500-2500 NN-250 1.10 500 750 1000 1250 1500 NN-300 1.25 - 900 1200 1500 1800 NN-350 1.35 - 1050 1400 1750 2100 800-2500 NN-400 1.70 - - 1600 2000 2400 NN-500 1.80 - - 2000 2500 3000 粘合强度、延伸性能符合下表 : 带芯材料 粘合强度 延伸性能 布层间 N/mm 覆盖层与布层间 N/mm 全厚度纵向 拉断伸长率 % ≥ 全厚度纵向 参考率伸长率 % ≤ 覆盖层厚度≤1.5mm 覆盖层厚度>1.5mm 尼龙帆布 ≥ 4.50 ≥ 3.2 ≥ 3.5 10 4.0 胶带的覆盖层性能按下表分级 : 覆盖层级别 拉伸强度 ≥ 扯断伸长率 ≥ 磨耗量 ≤ 老化后拉伸强度和扯断伸长率变化率 Mpa kgf/cm2 % mm 3 % 重 型 (H) 24 240 450 120 -25~+25 普通型 (M) 18 180 400 100 -25~+25 轻 型 (L) 15 150 350 200 -30~+30 二、钢丝绳芯输送带 一.用途: 钢...

1、当您付费下载文档后,您只拥有了使用权限,并不意味着购买了版权,文档只能用于自身使用,不得用于其他商业用途(如 [转卖]进行直接盈利或[编辑后售卖]进行间接盈利)。
2、本站所有内容均由合作方或网友上传,本站不对文档的完整性、权威性及其观点立场正确性做任何保证或承诺!文档内容仅供研究参考,付费前请自行鉴别。
3、如文档内容存在违规,或者侵犯商业秘密、侵犯著作权等,请点击“违规举报”。

碎片内容

常用输送带类型及规格

您可能关注的文档

确认删除?
VIP
微信客服
  • 扫码咨询
会员Q群
  • 会员专属群点击这里加入QQ群
客服邮箱
回到顶部