电脑桌面
添加小米粒文库到电脑桌面
安装后可以在桌面快捷访问

常用零部件检验标准及抽样规范VIP免费

常用零部件检验标准及抽样规范_第1页
1/21
常用零部件检验标准及抽样规范_第2页
2/21
常用零部件检验标准及抽样规范_第3页
3/21
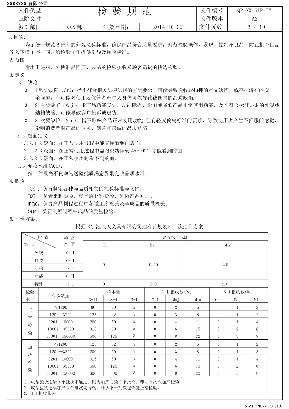
X X X X X X X X 有 限 公 司 检 验 标 准 QP-XX-SIP-TY 通用零部件 检 验 规 范 (A 1 版) X X X X X X 有限公司 发 布 X X X X X X X 有限公司 STATIONERY CO.,LTD. 目录 检验目的 ................................................1 检验范围 ................................................1 检验定义 ................................................1 检验职责 ................................................1 抽样方案 ................................................1 检验条件.................................................2 塑料件检验 ..............................................2 喷涂件检验...............................................4 电镀件检验...............................................7 磷化处理(金属)检验.....................................10 发黑处理(金属)检验.....................................10 阳极氧化检验.............................................11 高频淬火检验.............................................12 磁铁类材料检验 ..........................................12 胶袋(PE 袋)类检验 .....................................13 包装彩卡类检验 ......................................... 13 瓦楞箱类检验............................................ 13 泡壳类检验.............................................. 15 印刷产品检验............................................ 15 冲压件检验.............................................. 17 文件发放................................................ 17 版本履历及更新内容...................................... 18 参考资料................................................ 19 X X X X X X X 有 限 公 司 STATIONERY CO.,LTD. 文 件 类 型 检 验 规 范 文 件 编 号 QP-XX-SIP-TY 三 阶 文 件 文 件 版 本 A2 编 制 部 门 XXX 部 生 效 日 期 : 2014-10-09 文 件 页 数 2 / 19 1.目 的 : 为 了 统 一 规 范 各 部 件 的 外 观 检 验 标 准 , 确 保 产 品 符 合 质 量 要 求 , 规 范 检 ...

1、当您付费下载文档后,您只拥有了使用权限,并不意味着购买了版权,文档只能用于自身使用,不得用于其他商业用途(如 [转卖]进行直接盈利或[编辑后售卖]进行间接盈利)。
2、本站所有内容均由合作方或网友上传,本站不对文档的完整性、权威性及其观点立场正确性做任何保证或承诺!文档内容仅供研究参考,付费前请自行鉴别。
3、如文档内容存在违规,或者侵犯商业秘密、侵犯著作权等,请点击“违规举报”。

碎片内容

常用零部件检验标准及抽样规范

您可能关注的文档

确认删除?
VIP
微信客服
  • 扫码咨询
会员Q群
  • 会员专属群点击这里加入QQ群
客服邮箱
回到顶部