电脑桌面
添加小米粒文库到电脑桌面
安装后可以在桌面快捷访问

常见拼版方法和纸张开数表VIP免费

常见拼版方法和纸张开数表_第1页
1/7
常见拼版方法和纸张开数表_第2页
2/7
常见拼版方法和纸张开数表_第3页
3/7
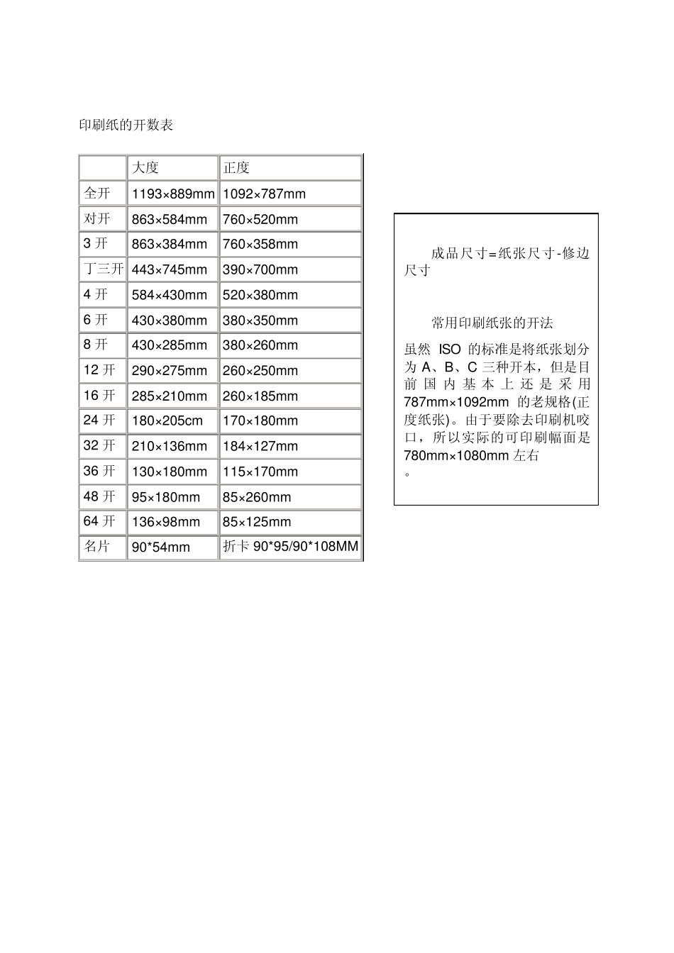
常见拼版方法和纸张开数表 什么是正反版、左右轮和天地轮? 正反版:一张单张卡有 AB 两面,A 和B 各分开排一块版为正反版; 左右轮: A 左 B 右共排一块版为左右轮; 天地轮: A 上 B 下共排一块版的天地轮; 或者: 1 正反版是说两副版子,一副都是正面,反之.... 2.左右轮也叫自翻版,一副版子,纸张左右翻。 3.天地轮,纸张上下作咬口,一正一反上下排,头对头或者脚对脚。 习惯说法,如果在拼版上就是正反印、自翻身、滚翻身的区别。 拼版与合开 我们在工作中不会总是做 16K、8K 等等正规开数的印刷品,特别是包装盒、小卡片(合格证)等常常是不合开的,这时候就需要我们在拼版的时候注意尽可能把成品放在合适的纸张开度范围内,以节约成本。 1 、下面先介绍正规的拼版 以大度 16K 封面为例:(示范软件:CD8)。根据印刷的需要(比如数量)以及印刷厂设备的限制 8K 机、4K 机、对开机、全张机的不同,我们拼版的时候也要按实际情况进行不同的调整,一般拼8K 或 4K 就足够用了,因为在对开和全开的印刷机上可以用套晒、拼晒,并通过自翻身或正反印来解决。 示范例中出血边均为 3m m。 拼8K 版(肩并肩),页面尺寸(如图)、出血边(黄色)、净尺寸(兰色) 拼4K 版(头对头),页面尺寸(如图)、出血边(黄色)、净尺寸(兰色) 2 、单页形式的印刷品 拼版时中间(垂直中线)拼接部分留 6 毫米出血边,即每个单页四边均留 3m m 出血(需要切两刀)。 说明:如果你做的印刷品没有出血的图片、底纹,或完全是一色底纹等,可以按 1 的方法拼版,中间一刀即可。 3 、封套的拼版 一般制作的时候,我们习惯把封套连同“舌头”拼在 一起,这种做法比较费纸(有一块空白没有利用),但图案连续性好。 还有一种方法是封面归封面,“舌头”单独做,这样做省纸,但多一道“糊工”,即在成品时多刮一次胶(或多贴一道双面胶带)。图中绿色部分为粘贴部分。 4 、包装盒拼版 一般大包装盒(超过 8K 的)不用拼版,直接交印刷厂套晒就可以了。 下面简单介绍一下小包装的拼版。 尽量在合开的前提下,把拼版工作做到最紧凑,但包装盒牵涉的后道工艺比较多,轧盒(切出边缘并压折痕线)是最关键的,这时需要注意拼版时最近的两个边线间距不小于 3m m,否则在排刀版的时候会很麻烦,以至于影响产品质量。 当你完成拼版后(经客户签样同意),最好能出一份原大的刀版胶片,以方便印刷厂排刀。 5 、名片类卡片 ...

1、当您付费下载文档后,您只拥有了使用权限,并不意味着购买了版权,文档只能用于自身使用,不得用于其他商业用途(如 [转卖]进行直接盈利或[编辑后售卖]进行间接盈利)。
2、本站所有内容均由合作方或网友上传,本站不对文档的完整性、权威性及其观点立场正确性做任何保证或承诺!文档内容仅供研究参考,付费前请自行鉴别。
3、如文档内容存在违规,或者侵犯商业秘密、侵犯著作权等,请点击“违规举报”。

碎片内容

常见拼版方法和纸张开数表

您可能关注的文档

小辰5+ 关注
实名认证
内容提供者

出售各种资料和文档

相关文档

确认删除?
VIP
微信客服
  • 扫码咨询
会员Q群
  • 会员专属群点击这里加入QQ群
客服邮箱
回到顶部