电脑桌面
添加小米粒文库到电脑桌面
安装后可以在桌面快捷访问

新城区道路绿化工程施工总结VIP免费

新城区道路绿化工程施工总结_第1页
1/9
新城区道路绿化工程施工总结_第2页
2/9
新城区道路绿化工程施工总结_第3页
3/9
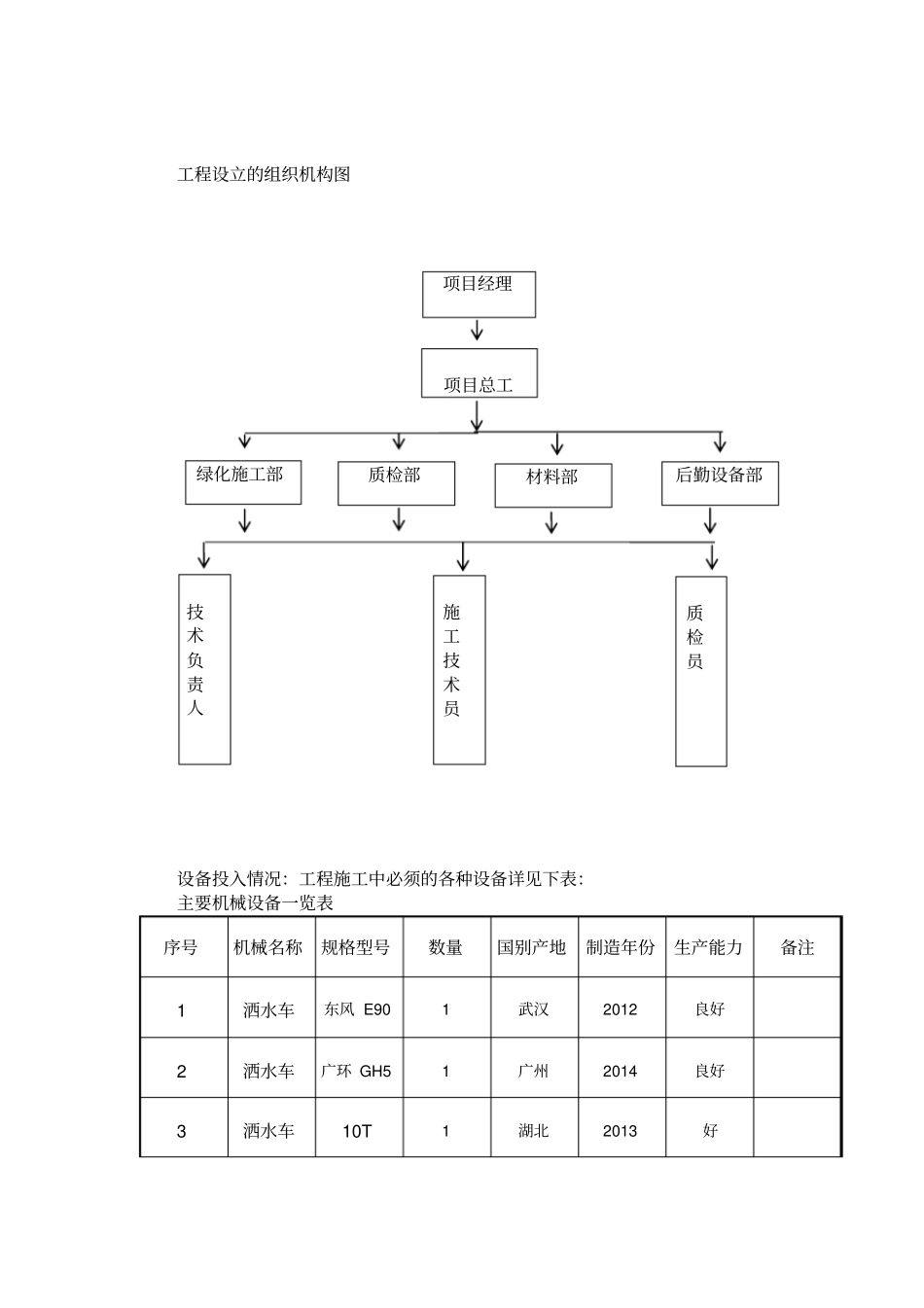
2016 年新城区道路绿化提升改造(新元大道、清风路)行道树栽植工程施工总结施工单位:徐州大通市政建设工程有限公司项目经理:项目技术负责人:2016 年新城区道路绿化提升改造(新元大道、清风路)行道树栽植工程 施工总结一、工程概况1、工程名称: 2016 年新城区道路绿化提升改造(新元大道、清风路)行道树栽植工程 2、建设单位:徐州市新城区国有资产经营有限责任公司3、监理单位: 4、工程项目内容分析 :徐州新城区道路绿化提升改造(新元大道、清风路)行道树栽植工程为市年度城建重点工程,于 2016 年 3 月 1 日开工, 2016 年 4 月 1日竣工。该工程位于徐州市新城区。二、工程管理情况(一)质量控制体系我单位建立了一套完整的施工组织方案以及一个自检为主的质量控制体系。1、景观绿化施工(1) 种植土更换,严格按照要求选择种植土(2) 建立完整的乔木来源保证措施、乔木种植方案及保障措施(3) 苗木的栽植工作做到当天进苗当天栽植,绝不使苗木过夜处理, 保证苗木的栽植成活率(4) 对苗木养护工作,我单位派遣专职养护人员进行后期养护管理,针对徐州大旱季节,做出“换人不换车”的工作方针,所有栽植苗木的浇水养护工作24 小时持续不间断进行,采取喷雾、浇灌等浇水养护措施,以确保苗木的整体成活率。2、施工组织机构设置、人员配备及设备投入情况由具有多年高速公路沿线景观绿化施工经验和具有一定设计能力的工程师以上职称的同志担任项目经理、 项目总工负责人、质检负责人、苗圃负责2 人、计划负责人、财务负责人、及安全负责人。下设施工工地转序联络组、技术资料组、财务组、施工组、质量检查组、苗圃组、供应材料计划统计组、养护组等。施工工地转序联络组主要负责与业主、设计代表、驻地监理办、土建施工单位、当地政府和沿线居民等相关部门及人员的沟通汇报、交流,传达指令, 业主对本项目部施工的各组各项技术要求和相关技术指标。施工组再根据需要设地形处理小组、苗木种植小组、种植土壤改良小组、草坪铺设小组等四个施工小组。工程设立的组织机构图设备投入情况:工程施工中必须的各种设备详见下表:主要机械设备一览表序号机械名称规格型号数量国别产地制造年份生产能力备注1 洒水车东风 E90 1 武汉2012 良好2 洒水车广环 GH5 1 广州2014 良好3 洒水车10T 1 湖北2013 好项目经理项目总工质检部绿化施工部材料部后勤设备部技术负责人施工技术员质检员4 喷药车东风 505...

1、当您付费下载文档后,您只拥有了使用权限,并不意味着购买了版权,文档只能用于自身使用,不得用于其他商业用途(如 [转卖]进行直接盈利或[编辑后售卖]进行间接盈利)。
2、本站所有内容均由合作方或网友上传,本站不对文档的完整性、权威性及其观点立场正确性做任何保证或承诺!文档内容仅供研究参考,付费前请自行鉴别。
3、如文档内容存在违规,或者侵犯商业秘密、侵犯著作权等,请点击“违规举报”。

碎片内容

新城区道路绿化工程施工总结

确认删除?
VIP
微信客服
  • 扫码咨询
会员Q群
  • 会员专属群点击这里加入QQ群
客服邮箱
回到顶部