电脑桌面
添加小米粒文库到电脑桌面
安装后可以在桌面快捷访问

灯具喷漆工序指导书VIP免费

灯具喷漆工序指导书_第1页
1/6
灯具喷漆工序指导书_第2页
2/6
灯具喷漆工序指导书_第3页
3/6
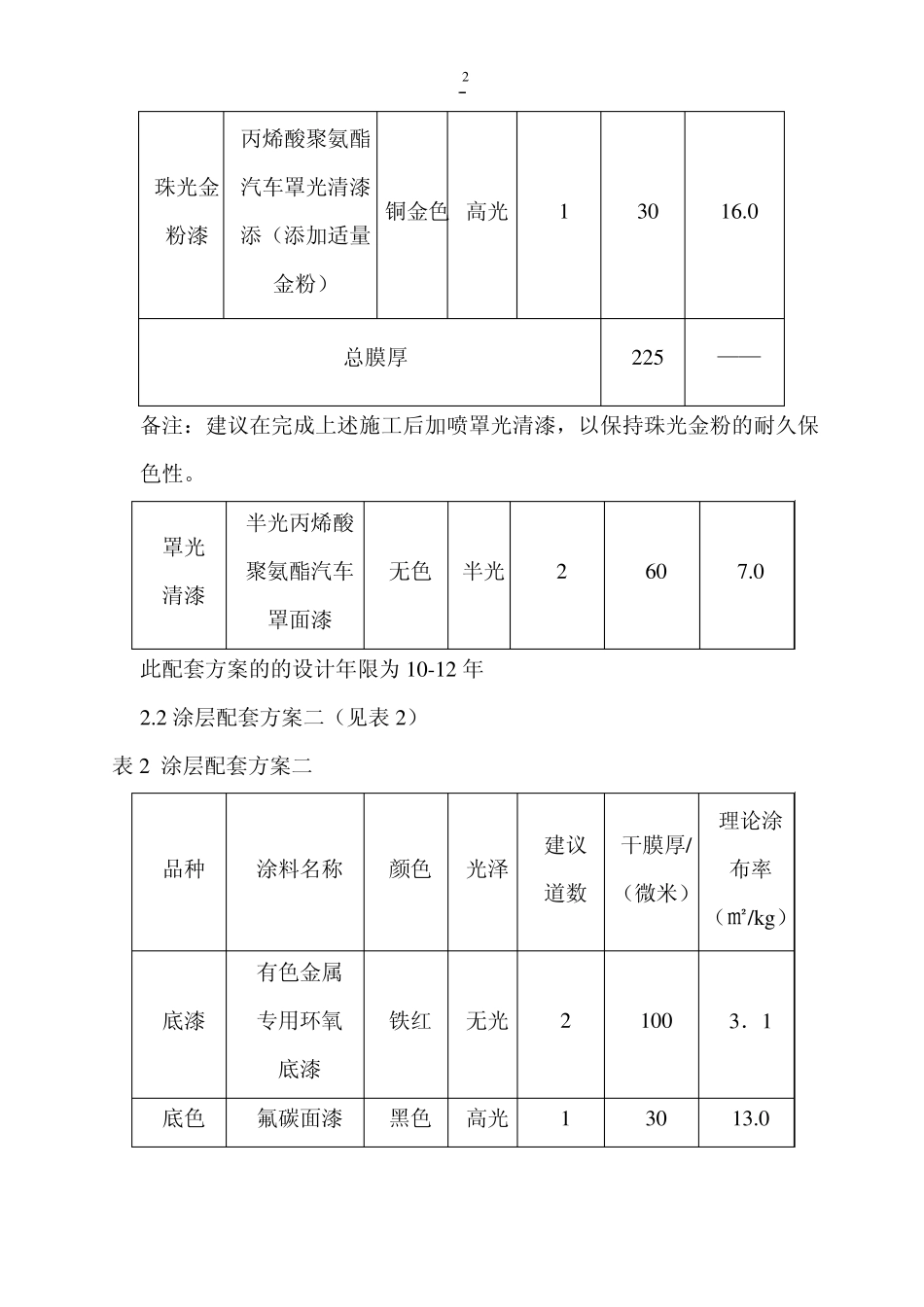
1 等具喷漆工艺作业指导书 1 涂层防腐蚀参考的规程与标准 钢结构防腐蚀参考下面规程和标准: ISO 12944:1998 色漆和清漆钢结构的防护涂料的腐蚀保护 GB 8923-88 喷涂前钢材表面腐蚀等级和除锈等级 GB 50205-2001 钢结构工程施工质量验收规范 2 涂层配套方案 2.1 涂层配套方案一(见表1) 表1 涂层配套方案一 品种 涂料 名称 颜色 光泽 建议 倒数 干膜厚/ (微米) 理论涂布 率/(㎡/kg) 底漆 有色金属 专用环氧底漆 铁红 无光 2 100 3.1 底色 面漆 丙烯酸聚氨酯 汽车漆(添加 适量超起砂面) 黑色 高光 1 35 12.0 2 珠光金 粉漆 丙烯酸聚氨酯 汽车罩光清漆 添(添加适量 金粉) 铜金色 高光 1 3 0 1 6 .0 总膜厚 2 2 5 —— 备注:建议在完成上述施工后加喷罩光清漆,以保持珠光金粉的耐久保色性。 罩光 清漆 半光丙烯酸 聚氨酯汽车 罩面漆 无色 半光 2 6 0 7 .0 此配套方案的的设计年限为 1 0 -1 2 年 2 .2 涂层配套方案二(见表 2 ) 表 2 涂层配套方案二 品种 涂料名称 颜色 光泽 建议 道数 干膜厚/ (微米) 理论涂 布率 (㎡/k g ) 底漆 有色金属 专用环氧 底漆 铁红 无光 2 1 0 0 3 .1 底色 氟碳面漆 黑色 高光 1 3 0 1 3 .0 3 面漆 (添加适 量起砂面) 珠光 金粉漆 氟碳清漆 (添加适量 烛光金粉) 铜金色 高光 1 30 16.0 总膜后 220 — 备注:建议在完成上述施工加喷罩光清漆,以保持珠光金粉漆的耐久保色性。 罩光 清漆 半光氟碳 罩面漆 无色 半光 2 60 7.0 此套方案的设计防腐年限为 15 年以上。 3 施工指导 1 涂装前的表面处理 底漆在喷涂时基材表面处理应满足《钢结构工程施工质量验收规范》 (GB50205—2001)中的各项基本要求。涂漆之前,钢结构表面应平整,施工前必须认真清除底材表而的氧化皮、焊渣、焊疤、灰尘、毛刺、浮锈、油污和水迹等。对尖角部位进行圆化处理,RZ= 2mm,基材表面粗造度 Rz为 40um~70um。 浮尘的处理——可用压缩空气吹净或干净毛刷扫净 旧漆膜处理——用刮刀铲除,填平打磨平整或视情况用其它方法。 油脂的处理——先用汽油或稀释剂消除,再用干净布擦干净。 4 经处理的底材及时喷涂底漆,间隔时间不超过4 小时;已经处理的钢结构表面不得在次污染,当受到二次污染时,应再次进行表而处理;对受损的部位, 应重新清除...

1、当您付费下载文档后,您只拥有了使用权限,并不意味着购买了版权,文档只能用于自身使用,不得用于其他商业用途(如 [转卖]进行直接盈利或[编辑后售卖]进行间接盈利)。
2、本站所有内容均由合作方或网友上传,本站不对文档的完整性、权威性及其观点立场正确性做任何保证或承诺!文档内容仅供研究参考,付费前请自行鉴别。
3、如文档内容存在违规,或者侵犯商业秘密、侵犯著作权等,请点击“违规举报”。

碎片内容

灯具喷漆工序指导书

确认删除?
VIP
微信客服
  • 扫码咨询
会员Q群
  • 会员专属群点击这里加入QQ群
客服邮箱
回到顶部