电脑桌面
添加小米粒文库到电脑桌面
安装后可以在桌面快捷访问

炉内水处理指标及管理VIP免费

炉内水处理指标及管理_第1页
1/11
炉内水处理指标及管理_第2页
2/11
炉内水处理指标及管理_第3页
3/11
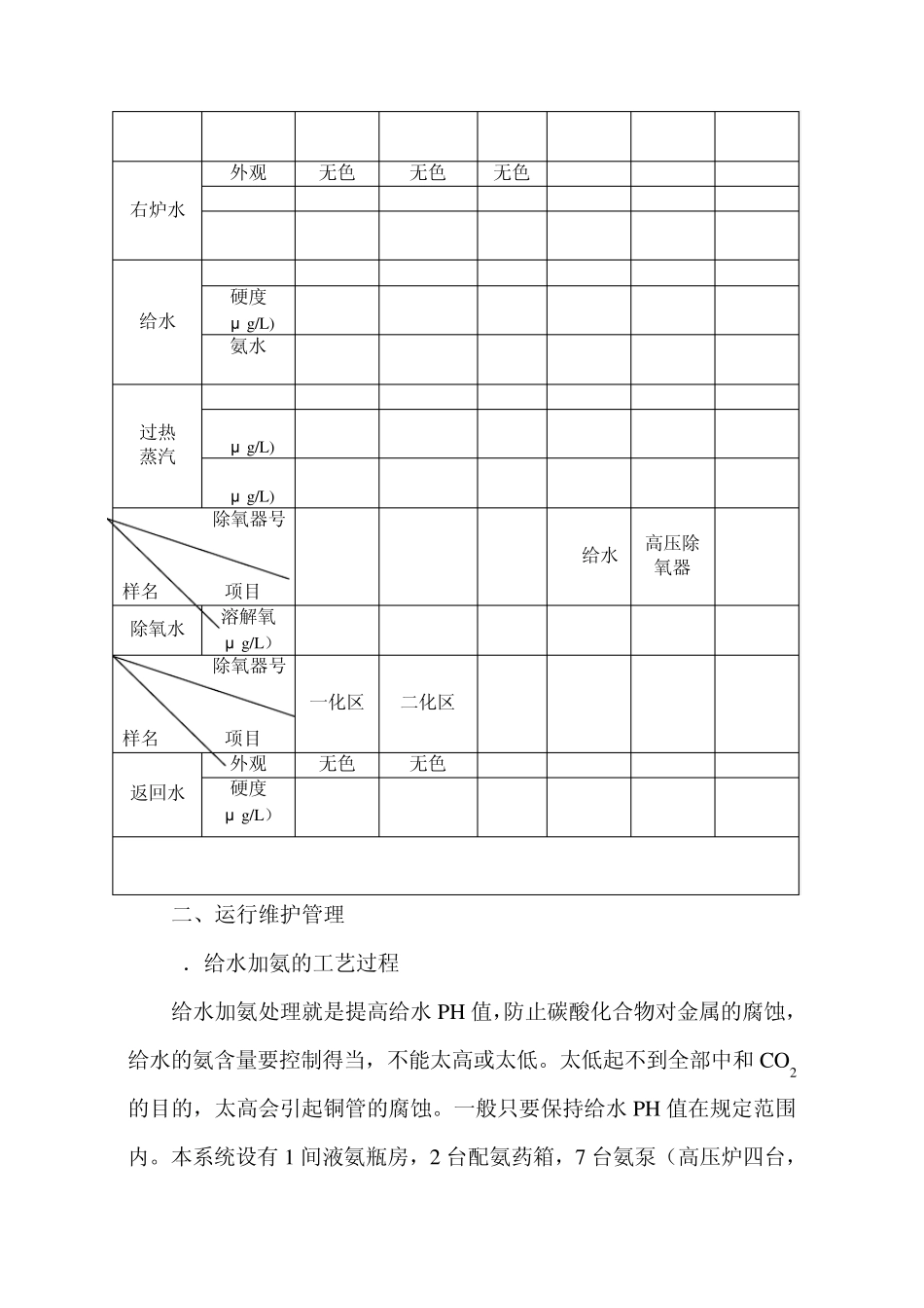
炉内水处理指标及管理 一、炉内水处理指标: 1 .炉内水处理指标的确定依据: ①根据《火力发电机组及蒸汽动力设备水汽质量标准》GB/T12145-1999的规定; ②原川维热电厂软水车间炉内水处理规程规定。 2.炉内水处理指标规定控制范围: 主要原材料质量标准 指标 原材料 指标名称 指标 液氨 NH3 % ≥99 工业磷酸盐 Na3PO4 ·12H2O % ≥95 产品质 量标准 标准 产品 指标名称 指标 标准 产品 指标名称 指标 中压蒸汽 钠离子含量 μ g/L ≤20 高压蒸汽 钠离子含量 μ g/L ≤10 SiO2 μ g/L ≤20 SiO2 μ g/L ≤20 主要工艺参数 系统名称 项 目 单位 控制范围 中压炉 高压炉 给水 硬度 μ mol/L ≤1.5 ≤1.0 PH 8.5-9.2 8.8-9.3 氨 mg/L 0.3-0.7 0.2-0.7 溶解氧 μ g/L ≤15 ≤7 Fe μ g/L ≤50 ≤30 Cu μ g/L ≤20 ≤5 油 mg/L ≤1.0 ≤0.3 电导率(参考) μ S/cm ≤10 ≤10 炉水系统 PH 9.0-11.0 9.0-10.5 碱度 mmol/L 0.3-1.0 0.3-0.7 磷酸根 mg/L 5-15 2-10 电导率(参考) μ S/cm ≤300 SiO2(参考) mg/L ≤2.0 冷凝水 硬度 μ mol/L ≤1.5 ≤1.0 溶解氧 μ g/L ≤50 ≤50 Fe μ g/L ≤50 疏水 硬度 μ mol/L ≤2.5 ≤2.5 Fe μ g/L ≤100 ≤50 油 μ g/L ≤1.0 3.炉内水处理分析频次 序号 样品名称 取样地点 检验项目 指标 频次 备注 1 除氧给水(中压) 炉内分析室门口 溶解氧 ≤15μ g/L 2 次/班 给水取样点 PH 8.5-9.2 硬度 ≤1.5μ mol/L 氨 0.3-0.7mg/L 2 除氧给水(高压) 炉内加药室 溶解氧 ≤7μ g/L 2 次/班 给水取样点 PH 8.8-9.3 硬度 ≤1.0μ mol/L 氨 0.2-0.7 mg/L 3 炉水(中压) 锅炉取样槽 PH 9.0-11.0 2 次/班 磷酸根 5-15mg/L 4 炉水(高压) 锅炉取样槽 PH 9.0-10.5 2 次/班 磷酸根 2-10 mg/L 5 蒸汽(中压) 锅炉取样槽 钠离子 ≤20μ g/L 1 次/天 周一至周五白班 SiO2 ≤20μ g/L 6 蒸汽(高压) 炉内加药室 钠离子 ≤10μ g/L 1 次/天 周一至周五白班 4.锅炉内水汽分析报告 装置名称 锅炉 取样时间 2007年 10月 19日 12:00 炉号 样名 项目 #5 #8 #9 # # # 左炉水 外观 无色 无色 无色 PH 10.11 9.98 10.14 PO3-4 (mg/L) 6.5 6 7 右炉水 外观 无色...

1、当您付费下载文档后,您只拥有了使用权限,并不意味着购买了版权,文档只能用于自身使用,不得用于其他商业用途(如 [转卖]进行直接盈利或[编辑后售卖]进行间接盈利)。
2、本站所有内容均由合作方或网友上传,本站不对文档的完整性、权威性及其观点立场正确性做任何保证或承诺!文档内容仅供研究参考,付费前请自行鉴别。
3、如文档内容存在违规,或者侵犯商业秘密、侵犯著作权等,请点击“违规举报”。

碎片内容

炉内水处理指标及管理

确认删除?
VIP
微信客服
  • 扫码咨询
会员Q群
  • 会员专属群点击这里加入QQ群
客服邮箱
回到顶部