电脑桌面
添加小米粒文库到电脑桌面
安装后可以在桌面快捷访问

施工现场安全防护方案9655VIP免费

施工现场安全防护方案9655_第1页
1/24
施工现场安全防护方案9655_第2页
2/24
施工现场安全防护方案9655_第3页
3/24
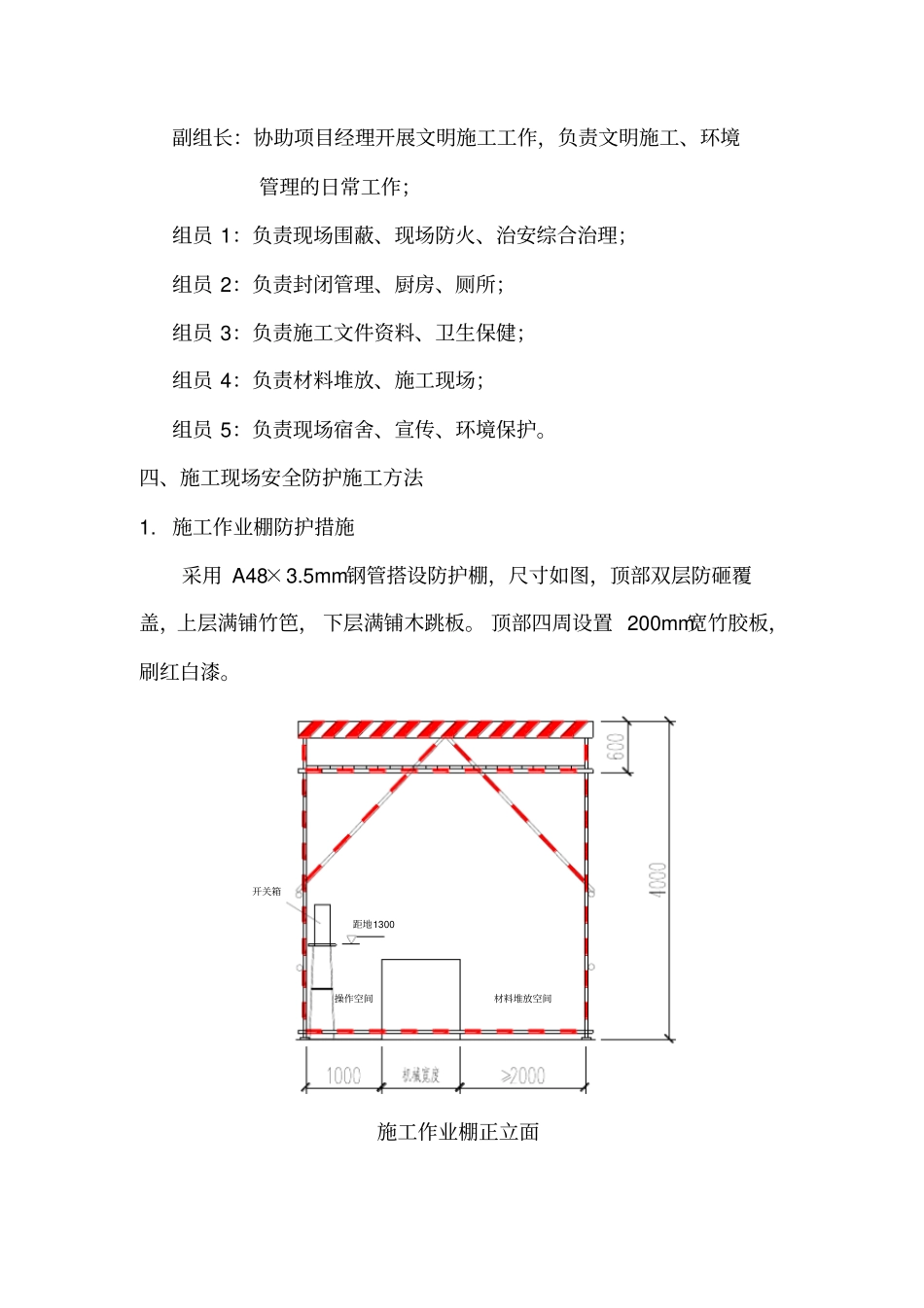
施工现场安全防护文明施工方案一、编制依据1、编制说明为确保施工的安全, 同时必须满足文明施工之要求,特编制此施工方案。2、编制依据:1)、龙城中央施工图2)、龙城中央总施工组织设计3)、《建筑施工临时支撑结构技术规范》(JGJ300-2013) 4)、《建筑施工扣件式钢管脚手架安全技术规范》 (JGJ130-2011)5)、《建筑施工高处作业安全技术规范》(JGJ80- 2016) 6)、《施工现场临时用电安全技术规范》 (JGJ46-2005)7)、《建筑施工安全检查标准》 (JGJ59-2011)二. 工程概况1、施工目标确保各阶段性评定省优,争创芙蓉奖,获得湖南省建筑工程安全质量标准化示范工地和示范工程。2、设计概况龙山耘腾置业发展有限公司投资兴建,重庆银桥工程设计有限公司设计,湘西自治州紫源工程勘察有限公司勘察,湘西自治州鑫诚建设监理有限公司全过程监理,湖南洪山建设集团有限公司组织施工。建筑物为框架结构,设计使用年限为50 年。地下 2 层,地上 31 层,建筑高度 97.15m,地下室层高4.4/5.75米,1 层层高 5.1 米,2 层层高 4.9 米,标准层层高3 米,± 0.000 相当于绝对标高485.15m。总建筑面积约45918.14 平方米,其中地上35538.14 平方米,地下10381.92 平方米,总工期 450 天。3、施工条件本工程位于龙山县龙凤路与建设路交叉口东南角,地势平坦,交通便利。施工机械及各种建筑材料均可顺利进入施工现场。施工用水、用电均由建设方接入施工现场。三、文明施工及环境管理组织结构及岗位职责组长:项目文明施工管理负责人, 负责文明施工现场全面工作;组长徐振耀副组长贺一鸣组员 1 田茂江组员 2 杨德亿组员 3 彭硕组员 4 张志成组员 5 黄显智副组长:协助项目经理开展文明施工工作,负责文明施工、环境管理的日常工作;组员 1:负责现场围蔽、现场防火、治安综合治理;组员 2:负责封闭管理、厨房、厕所;组员 3:负责施工文件资料、卫生保健;组员 4:负责材料堆放、施工现场;组员 5:负责现场宿舍、宣传、环境保护。四、施工现场安全防护施工方法1. 施工作业棚防护措施采用 A48×3.5mm钢管搭设防护棚,尺寸如图,顶部双层防砸覆盖,上层满铺竹笆, 下层满铺木跳板。 顶部四周设置 200mm宽竹胶板,刷红白漆。材料堆放空间操作空间开关箱距地1300施工作业棚正立面施工作业棚侧立面2. 施工机械防护措施采用 A48×3.5mm钢管搭设防护棚,尺寸如图,顶部双层防砸覆盖,上层满铺竹笆, 下层满铺...

1、当您付费下载文档后,您只拥有了使用权限,并不意味着购买了版权,文档只能用于自身使用,不得用于其他商业用途(如 [转卖]进行直接盈利或[编辑后售卖]进行间接盈利)。
2、本站所有内容均由合作方或网友上传,本站不对文档的完整性、权威性及其观点立场正确性做任何保证或承诺!文档内容仅供研究参考,付费前请自行鉴别。
3、如文档内容存在违规,或者侵犯商业秘密、侵犯著作权等,请点击“违规举报”。

碎片内容

施工现场安全防护方案9655

您可能关注的文档

确认删除?
VIP
微信客服
  • 扫码咨询
会员Q群
  • 会员专属群点击这里加入QQ群
客服邮箱
回到顶部