电脑桌面
添加小米粒文库到电脑桌面
安装后可以在桌面快捷访问

糕点企业生产工艺文件VIP免费

糕点企业生产工艺文件_第1页
1/12
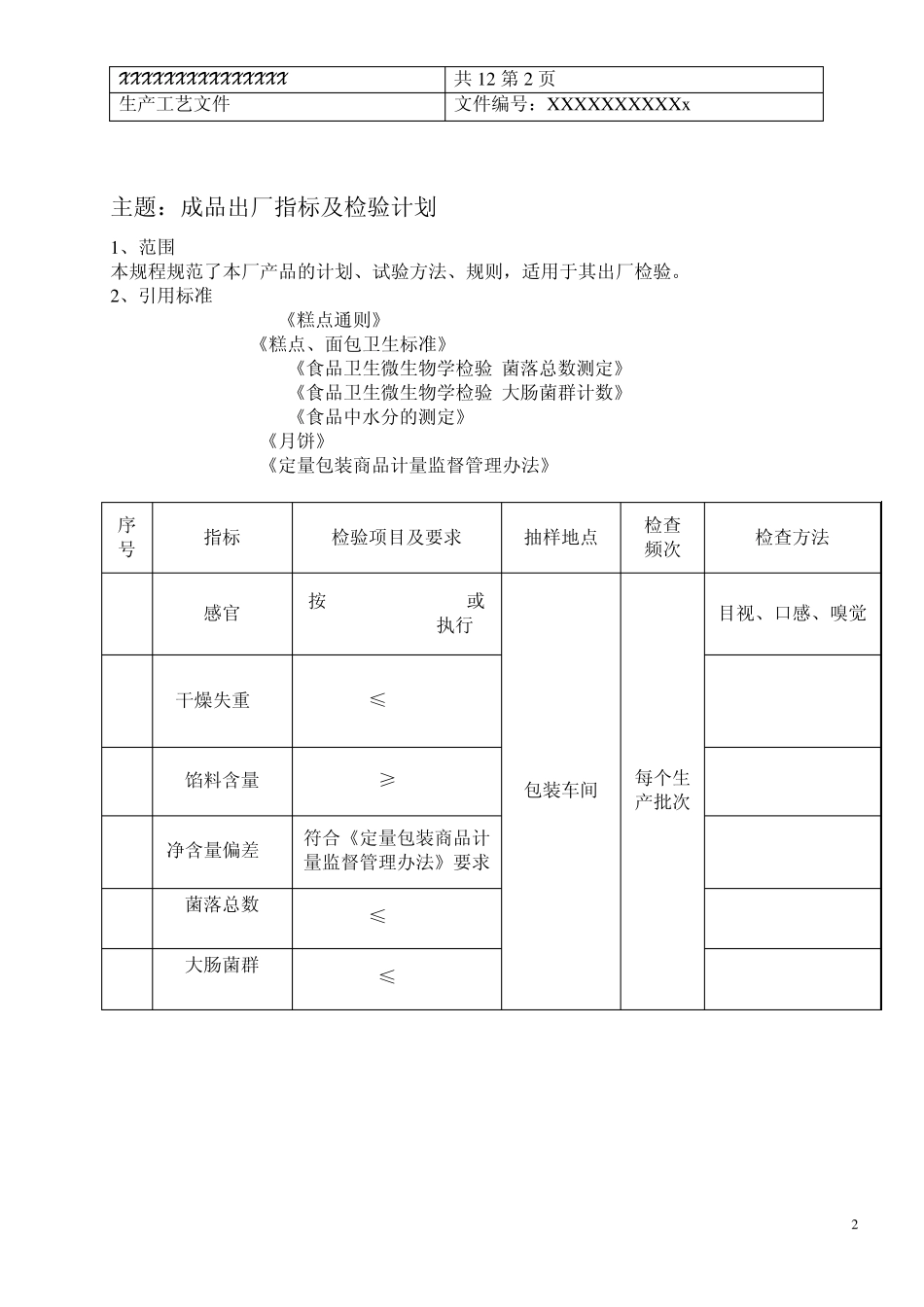
糕点企业生产工艺文件_第2页
2/12
糕点企业生产工艺文件_第3页
3/12
1 目 录 序号 技术文件名称 页码 备注 1 原料及包装质量要求及检验计划 1 2 成品出厂指标及检验计划 2 3 化验室质量管理制度 3 4 基本生产工艺流程及质控点 5 5 工序操作规程 5 6 各类糕点作业指导书 5 7 配料搅拌工序 6 8 成型工序 6 9 烘烤工序 6 1 0 包装工序操作规程 6 1 1 包装箱清洗消毒工序 8 1 2 成品仓的日常卫生 8 1 3 清洁卫生作业指导书 8 1 4 产品标签、包装、运输、合格证 1 0 XXXXXXXXXXXXXXX 共12 第1 页 生产工艺文件 文件编号:XXXXXXXXXXx 1 主题:原料及包装质量要求及检验计划 序 号 名称 检验项目及要求…………. 抽样 地点 检查频次 检验 方法 1 原 料 小麦粉 气味口味正常、无异味、无霉变、无肉眼可见杂质,各项指标符合有关标准要求,须通过 QS 认证。 原料仓库 每批抽样或检查合格证或随样检验报告单 目视、口感、嗅觉 白砂糖 感官:晶粒均匀,晶粒或其水溶液味甜、无异味,干燥松散、洁白、有光泽,无明显黑点;须通过 QS 认证。 原料仓库 每批抽样或检查合格证或随样检验报告单 目视、口感、嗅觉 鸡蛋 蛋壳:外观清洁,不破裂,蛋形正常; 气室:灯光透视时气室完整,无气泡; 蛋白:浓厚; 蛋黄:居中,轮廓明显,胚胎未见发育 原料仓库 每批抽样或检查合格证或随样检验报告单 目视、口感、嗅觉 花生油 瓶外观:清洁、无破损,印刷内容清晰。 感官:具有产品正常的色泽、透明度、气味和滋味,无焦臭、酸败及其他异味。 原料仓库 每批抽样或检查合格证或随样检验报告单 目视、口感、嗅觉 馅料 组织形态:组织细腻、油润; 色泽:正常; 滋味与口感:口感好、无异味; 杂质:正常视力无可见杂质。须通过QS 认证。 原料仓库 每批抽样或检查合格证或随样检验报告单 目视、口感、嗅觉 干酵母 色泽:淡黄色至淡黄棕色; 气味:具有酵母特殊气味、无腐败,无异臭; 组织:颗粒或条状 杂质:无肉眼可见异物。 原料仓库 每批抽样或检查合格证或随样检验报告单 目视、嗅觉 其他 原料 气味、口味正常,无焦臭、酸败及其他异味、无霉变,无可见杂质,须通过QS 认证。 原料仓库 每批抽样或检查合格证或随样检验报告单 目视、口感、嗅觉 2包装材料 保鲜袋及标签 外观:清洁、无破损,印刷内容清晰、正确。 气味:无异味 符合产品标准,须通过 QS 认证。 包装材料仓库 每批抽样或检查随...

1、当您付费下载文档后,您只拥有了使用权限,并不意味着购买了版权,文档只能用于自身使用,不得用于其他商业用途(如 [转卖]进行直接盈利或[编辑后售卖]进行间接盈利)。
2、本站所有内容均由合作方或网友上传,本站不对文档的完整性、权威性及其观点立场正确性做任何保证或承诺!文档内容仅供研究参考,付费前请自行鉴别。
3、如文档内容存在违规,或者侵犯商业秘密、侵犯著作权等,请点击“违规举报”。

碎片内容

糕点企业生产工艺文件

确认删除?
VIP
微信客服
  • 扫码咨询
会员Q群
  • 会员专属群点击这里加入QQ群
客服邮箱
回到顶部