电脑桌面
添加小米粒文库到电脑桌面
安装后可以在桌面快捷访问

织物起毛起球仪测试标准及质量解析VIP免费

织物起毛起球仪测试标准及质量解析_第1页
1/7
织物起毛起球仪测试标准及质量解析_第2页
2/7
织物起毛起球仪测试标准及质量解析_第3页
3/7
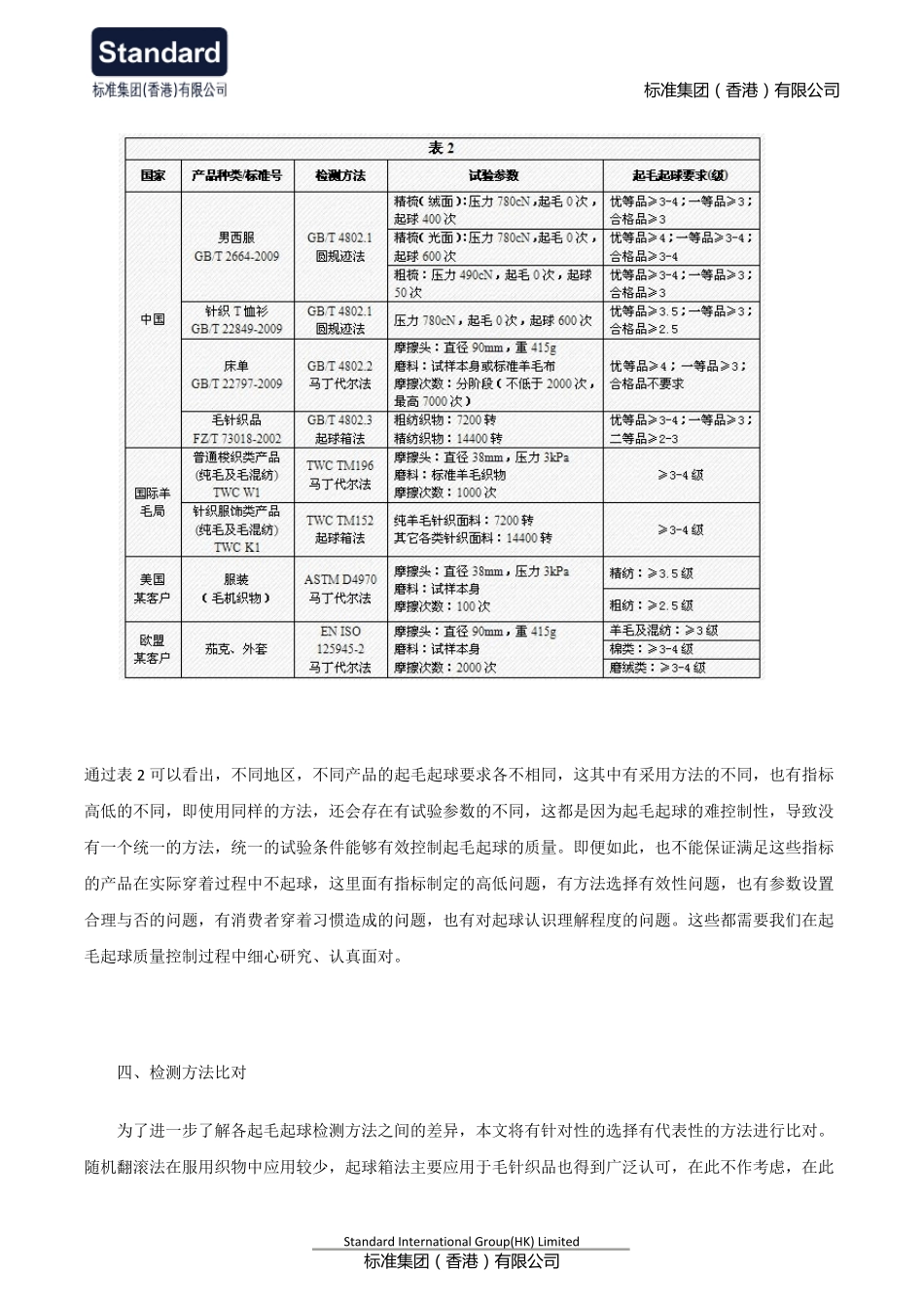
标 准 集 团 (香港)有限公司 Standard International Grou p(HK) Limited 标 准 集 团 (香港)有限公司 织 物 起 毛 起 球 仪 测 试 标 准 及 质 量 解 析 在现实生活中,经常会遇到服装产品穿着及护理过程中出现的起毛起球现象,严重影响服装外观,由此引发的消费者投诉、退货,不但给消费者造成了麻烦,也影响了商家的信誉。起毛起球是在服装质量中的投诉比例非常高的项目,不同的消费者对起毛起球的可接受程度有不同的理解,同样的服装被不同的人穿也会产生明显不同的起毛起球效果,甚至一些起毛起球指标合格的产品也会出现严重的起毛起球现象,不但消费者烦恼,服装厂商也困惑,起毛起球这个普通的检测项目却成为服装质量控制的难题。 一、起毛起球形成 服装的起毛起球是指服装在穿着时受到机械摩擦作用,纤维露出织物表面形成起毛,继续摩擦后,纤维缠结继而成球的现象。起毛起球是一项动态性能,起球速度经常随着穿着时间变化而变化。影响起毛起球的因素很多,包括纤维种类、纤维细度、纱线捻度、组织结构、面料风格、整理工艺、穿着习惯等等。由于影响起毛起球的多因素性,目前还没有一个统一的检测方法能准确反应出不同面料在使用过程中的起球倾向性,此外,服装面料起毛起球性能又和手感、穿着舒适度等存在一定的矛盾,很多时候为了追求手感、舒适而牺牲起毛起球性能,这些都为服装的起毛起球质量控制带来难度。 二、起毛起球标准 目前常用的起毛起球检测方法包括圆轨迹法、起球箱法、马丁代尔法、随机翻滚法。这四种方法分别采用不同的设备,按照不同的原理,有针对性的对不同面料的起毛起球性能进行测试,涉及的检测方法标准、原理、应用范围见表 1。 标 准 集 团 (香港)有限公司 Standard International Grou p(HK) Limited 标 准 集 团 (香港)有限公司 三、产品标准 产品标准是指对某类产品结构、规格、质量和检验方法所做的技术规定。对于服装产品来说,中国制定的国家及行业层面的产品标准最多,几乎包含常用的各类服装,而欧美日等发达国家则很少,或几乎没有,都是各买家或商家制定的符合自身要求的企业标准。另外还有一些知名组织机构,如国际羊毛局(IWS)、美国材料与实验协会(ASTM)等,也会制定一些服装及面料方面的产品标准,但同他们制定的方法标准来比较,产品标准比例很小。 表 2 中列出了部分不同地区、不同类型产品标准对起毛起球的要求,包括产品类...

1、当您付费下载文档后,您只拥有了使用权限,并不意味着购买了版权,文档只能用于自身使用,不得用于其他商业用途(如 [转卖]进行直接盈利或[编辑后售卖]进行间接盈利)。
2、本站所有内容均由合作方或网友上传,本站不对文档的完整性、权威性及其观点立场正确性做任何保证或承诺!文档内容仅供研究参考,付费前请自行鉴别。
3、如文档内容存在违规,或者侵犯商业秘密、侵犯著作权等,请点击“违规举报”。

碎片内容

织物起毛起球仪测试标准及质量解析

您可能关注的文档

确认删除?
VIP
微信客服
  • 扫码咨询
会员Q群
  • 会员专属群点击这里加入QQ群
客服邮箱
回到顶部