电脑桌面
添加小米粒文库到电脑桌面
安装后可以在桌面快捷访问

继电器线圈及触点保护VIP免费

继电器线圈及触点保护_第1页
1/8
继电器线圈及触点保护_第2页
2/8
继电器线圈及触点保护_第3页
3/8
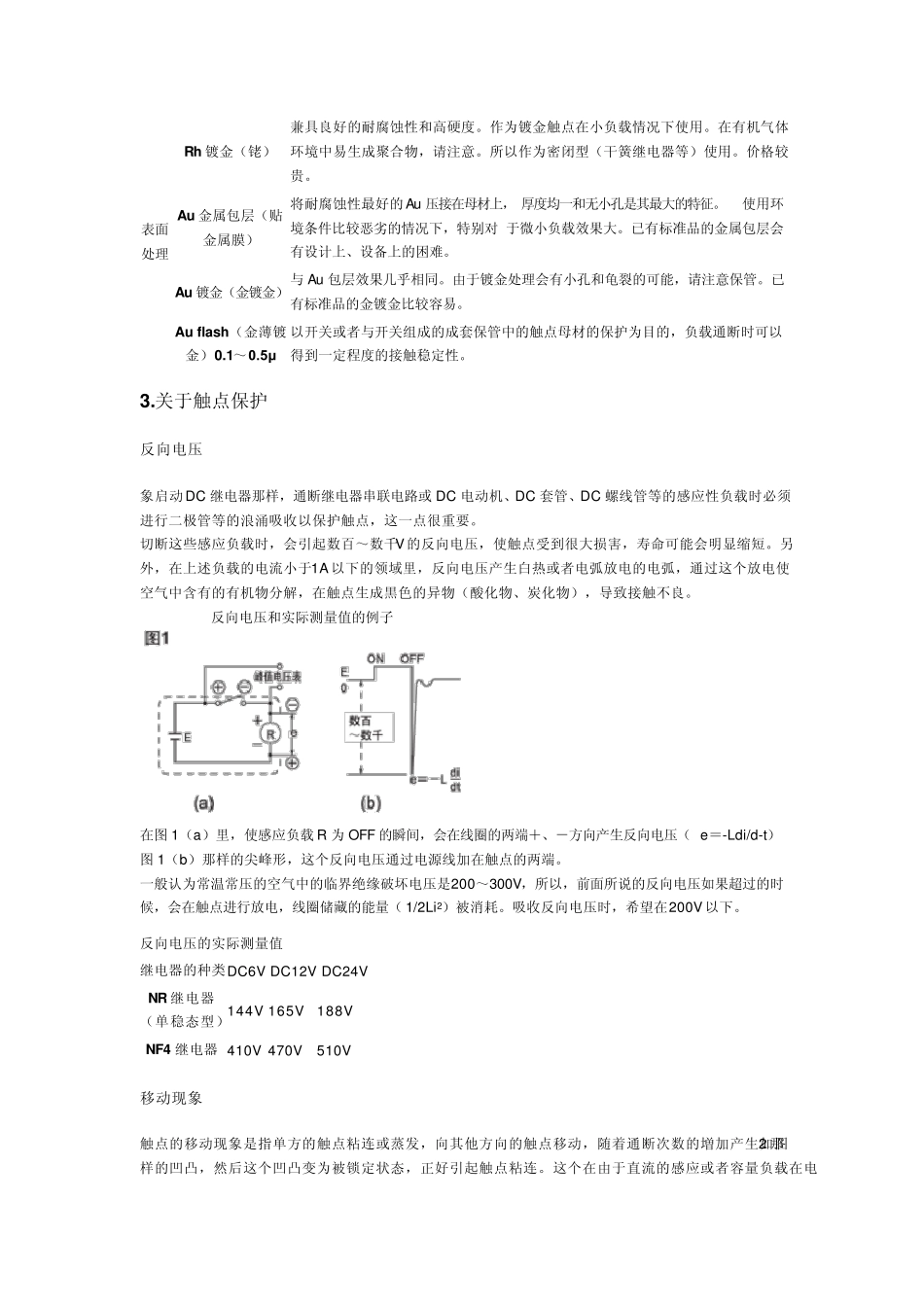
关于板级继电器触点的注意事项 关于触点 触点是继电器最重要的构成要素,触点的状态明显受触点材料、加在触点的电压及电流值(特别是接入时及截断时的电压、电流波形)、负载种类、通断频率、环境情况、接触形式、触点的通断速度振荡现象的多少等影响,以触点的移动现象、粘连、异常消耗、接触电阻的増大等故障现象出现,使用时需要注意。以下记述了有关触点的注意事项,请作为防止事故的参考。 1.关于触点的基本注意事项 电压 触点电路的电压,在电路含有感应时会发生非常高的反向电压,电压越高能量越大,由于触点的消耗量、移动量增大,所以需要注意继电器的控制容量。另外直流电压时控制容量会极度降低需要注意。这是DC的情况,如果象AC 电流那样没有零点(电流为零的点),则一旦发生电弧后很难消去,电弧时间变长是主因。尤其是因为电流方向一定,在下面有所记述,所以会引起触点的移动现象,与触点消耗相关。 一般在手册中记载了大概的控制容量,但只有这些是不够的,应该在特殊的触点电路里进行试验确认。另外,在手册等里面虽然记载了电阻负载的情况和限定的控制容量,但这主要是表示了继电器的级别,一般以 AC 的125V 电路的电流容量来考虑是比较妥当的。手册中记载的最小适用负载并非继电器可以通断的下限标准值、保证值。这个值由于通断频率、环境条件、被要求的接触电阻的变化、绝对值的不同,可靠程度是不同的。要求模拟微小负载控制或者接触电阻为 100mΩ 以下的情况(测量、无线等)请使用 AgPd触点的继电器。 电流 触点闭合及开路时的电流对触点影响很重要。例如负载为电动机或者指示灯的时候,闭合时的冲击电流越大,触点的消耗量、移动量就越增加,由于触点的粘连、移动会产生触点不能断开的故障,请在实际使用时认真确认。 2.一般触点材料的特征 下表为触点材料的特征。请在选择继电器时进行参考。 触点材料 Ag(银) 导电率·导热率在金属中是最大的。由于低接触电阻、低价位而被广泛使用。缺点是在硫化物的环境容易生成硫化膜。在低电压·微电流水平要注意。 AgCdO(银酸化镉) 显示了Ag 具有的导电性和低接触电阻,有良好的耐粘连性。 与 Ag 一样在硫化物环境里容易生成硫化膜。 AgSn O2(银酸化锡) 具有比 AgCdO 还要优良的耐粘连性。 与 Ag 一样在硫化物环 境容易生成硫化膜。 AgW(银钨) 硬度·融点高,耐电弧性好,不易被移动·粘连,要求触点压力高。另外,接触电阻也比较高,...

1、当您付费下载文档后,您只拥有了使用权限,并不意味着购买了版权,文档只能用于自身使用,不得用于其他商业用途(如 [转卖]进行直接盈利或[编辑后售卖]进行间接盈利)。
2、本站所有内容均由合作方或网友上传,本站不对文档的完整性、权威性及其观点立场正确性做任何保证或承诺!文档内容仅供研究参考,付费前请自行鉴别。
3、如文档内容存在违规,或者侵犯商业秘密、侵犯著作权等,请点击“违规举报”。

碎片内容

继电器线圈及触点保护

小辰9+ 关注
实名认证
内容提供者

出售各种资料和文档

确认删除?
VIP
微信客服
  • 扫码咨询
会员Q群
  • 会员专属群点击这里加入QQ群
客服邮箱
回到顶部