电脑桌面
添加小米粒文库到电脑桌面
安装后可以在桌面快捷访问

无料钟炉顶设备维护手册VIP免费

无料钟炉顶设备维护手册_第1页
1/29
无料钟炉顶设备维护手册_第2页
2/29
无料钟炉顶设备维护手册_第3页
3/29
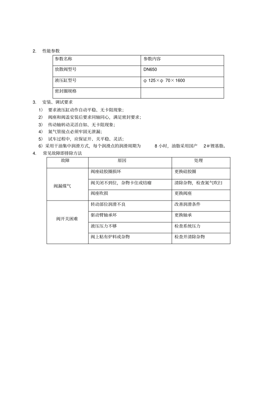
炉顶设备总示意图11001100上料闸受料罐称量罐电子称上密封阀下阀箱上部差动齿轮箱水冷齿轮箱布料溜槽托架第一章 DN650 放散阀1.概述1.1 设备用途DN650 放散阀安装在高炉煤气上升管的最顶端,在高炉正常生产的情况下是处于常闭状态的,当高炉停气时重力除尘器遮断阀关闭,DN650放散阀打开进行对空放散,高炉炉休风时DN650放散阀常开,使炉内产生的煤气进行对空放散,为设备检修提供安全保证。1.2 工作原理放散阀的开启是由单作用液压缸来完成的,正常情况处于关闭状态,当需要打开时,操作电控系统使电磁换向阀电磁铁得电换向,液压缸活塞杆回缩将放散阀打开,同时将放散阀配重吊起,关闭时操作电控系统使电磁换向阀换向,放散阀在配重的重力作用下将放散阀关闭。1.3 结构特征图 1-1 DN650放散阀结构示意图1-液压缸2-放散阀3-链条4-链轮5-坠砣2.性能参数参数名称参数内容放散阀型号DN650液压缸型号φ 125×φ 70×1600密封圈规格3.安装、调试要求1) 要求液压缸动作自动平稳、无卡阻现象;2) 阀座和阀盖安装后要求同轴同心,满足密封要求;3) 传动轴转动灵活自如、无卡阻现象;4) 氮气管接点必须牢固无泄漏;5) 试车过程中,应保证开、关平稳、灵活;6)采用干油集中润滑方式,每个润滑点的润滑周期为8 小时,油脂采用国产2#锂基脂。4. 常见故障即排除方法故障原因处理阀漏煤气阀座硅胶圈损坏更换硅胶圈阀关闭不到位,杂物卡住或结瘤清除杂物,检查氮气吹扫阀座吹损更换阀座阀开关困难转动部位润滑不良改善润滑条件驱动臂轴承坏更换轴承液压压力不够检查系统压力阀上粘有炉料或杂物检查并清除杂物第二章 DN500 均压放散阀1.概述1.1设备用途均压阀和放散阀结构形式完全一样,只是安装位置,阀盖的朝向不同。1.1.1作均压阀用时,当称量料罐装满料后关闭上密封阀、放散阀后,打开均压阀,向称量料罐中充入清洁煤气,使罐内压力接近炉内压力, 以便下密封阀顺利打开,高炉炉料进入炉内。1.1.2作放散阀用时,称量罐向炉内放完料后,关闭料流调节阀、下密封阀,此时上密封阀和上料闸处于关闭状态,称量罐内存在一定压力气体,此时开启放散阀,将称量料罐内的高压气体排出,使料罐内的压力与大气压力相等,以便上密封阀顺利打开,将受料罐内的炉料放入称量罐内。1.2工作原理均压放散阀一般处于关闭状态,当高炉称量罐需要均压(或放散)时,操作电控系统使电磁换向阀电换铁得电换向,液压缸动作带动传动曲轴转动一定的角度,...

1、当您付费下载文档后,您只拥有了使用权限,并不意味着购买了版权,文档只能用于自身使用,不得用于其他商业用途(如 [转卖]进行直接盈利或[编辑后售卖]进行间接盈利)。
2、本站所有内容均由合作方或网友上传,本站不对文档的完整性、权威性及其观点立场正确性做任何保证或承诺!文档内容仅供研究参考,付费前请自行鉴别。
3、如文档内容存在违规,或者侵犯商业秘密、侵犯著作权等,请点击“违规举报”。

碎片内容

无料钟炉顶设备维护手册

确认删除?
VIP
微信客服
  • 扫码咨询
会员Q群
  • 会员专属群点击这里加入QQ群
客服邮箱
回到顶部