电脑桌面
添加小米粒文库到电脑桌面
安装后可以在桌面快捷访问

YGL350MA导热油炉安装施工方案VIP免费

YGL350MA导热油炉安装施工方案_第1页
1/6
YGL350MA导热油炉安装施工方案_第2页
2/6
YGL350MA导热油炉安装施工方案_第3页
3/6
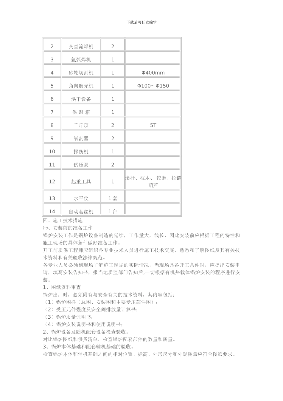
下载后可任意编辑YGL350MA 导热油炉安装施工方案(一)一、工程概况 YGL-350MA 有机热载体加热炉安装工程,锅炉由河南永兴锅炉集团设计制造,由河南永兴锅炉集团安装工程部负责安装,为保证安装质量,优质、按时完成任务,特制定本施工方案。二、编制依据1、《蒸汽锅炉安全技术监察规程》2、《有机载热体锅炉安全技术监察规程》3、《工业锅炉安装工程施工及验收法律规范》4、河南永兴锅炉集团提供的锅炉设计图纸,安装使用说明书等资料;5、GB50235-97《工业金属管道工程施工及验收法律规范》6、JB/T4730-2024《承压设备无损检测》7、GB3087-1999《低中压锅炉用无缝钢管》三、现场施工质保体系及组织机构1、现场质保体系质保工程师:工艺责任人:检验责任人:焊接责任人:探伤责任人:2、现场组织机构 施工负责人: 技术负责人:探 伤 工:安 全 员: 3、施工人员分配表工种焊工管工钳工 起重工 无损检测电工锅炉工人数2111212级别压力容器中中中RT-III中III 类4、施工进度:根据合同而定。5、施工机具分配表序 号设备名称数 量备 注1直流焊机1 下载后可任意编辑2交直流焊机2 3氩弧焊机1 4砂轮切割机1Φ400mm5角向磨光机1Φ100~Φ1506烘干设备1 7保 温 箱1 8千斤顶25T9氧割器2 10探伤机1 11试压泵2 12起重工具1滚杆、枕木、 绞磨、拉链葫芦13水平仪1 套 14自动套丝机1 台 四、施工技术措施㈠、安装前的准备工作锅炉安装工作是锅炉设备制造的延续,工作量大,线长,因此安装前应根据工程的特性和施工现场的具体条件做好准备工作。开工前质保工程师应组织各专业技术人员进行施工技术交底,熟悉和了解图纸及其有关技术资料和有关验收法律规范。各专业人员必须到现场了解施工现场的实际情况,当现场具备开工条件时,应提出安装申请,填写安装告知书,报当地质监部门告知后,一切根据有机热载体锅炉安装的程序进行安装。1、图纸资料审查锅炉出厂时,必须附有与安全有关的技术资料,其内容包括:(1)锅炉图样(总图、安装图和主要受压部件图);(2)受压元件强度及安全阀排放量计算书;(3)锅炉质量证明书;(4)锅炉安装说明书和使用说明书;2、锅炉设备及随机配套设备检查验收。对比锅炉图纸和供货清单,检查锅炉配套部件的数量和质量。3、锅炉本体基础和配套辅机基础的验收。检查锅炉本体和辅机基础之间的相对位置、标高、外形尺寸和外观质量应符合图纸要求。下载后可任意编辑4、根据施工图纸做好材料分析,确定材...

1、当您付费下载文档后,您只拥有了使用权限,并不意味着购买了版权,文档只能用于自身使用,不得用于其他商业用途(如 [转卖]进行直接盈利或[编辑后售卖]进行间接盈利)。
2、本站所有内容均由合作方或网友上传,本站不对文档的完整性、权威性及其观点立场正确性做任何保证或承诺!文档内容仅供研究参考,付费前请自行鉴别。
3、如文档内容存在违规,或者侵犯商业秘密、侵犯著作权等,请点击“违规举报”。

碎片内容

YGL350MA导热油炉安装施工方案

您可能关注的文档

确认删除?
VIP
微信客服
  • 扫码咨询
会员Q群
  • 会员专属群点击这里加入QQ群
客服邮箱
回到顶部