电脑桌面
添加小米粒文库到电脑桌面
安装后可以在桌面快捷访问

临水及消防施工方案VIP免费

临水及消防施工方案_第1页
1/9
临水及消防施工方案_第2页
2/9
临水及消防施工方案_第3页
3/9
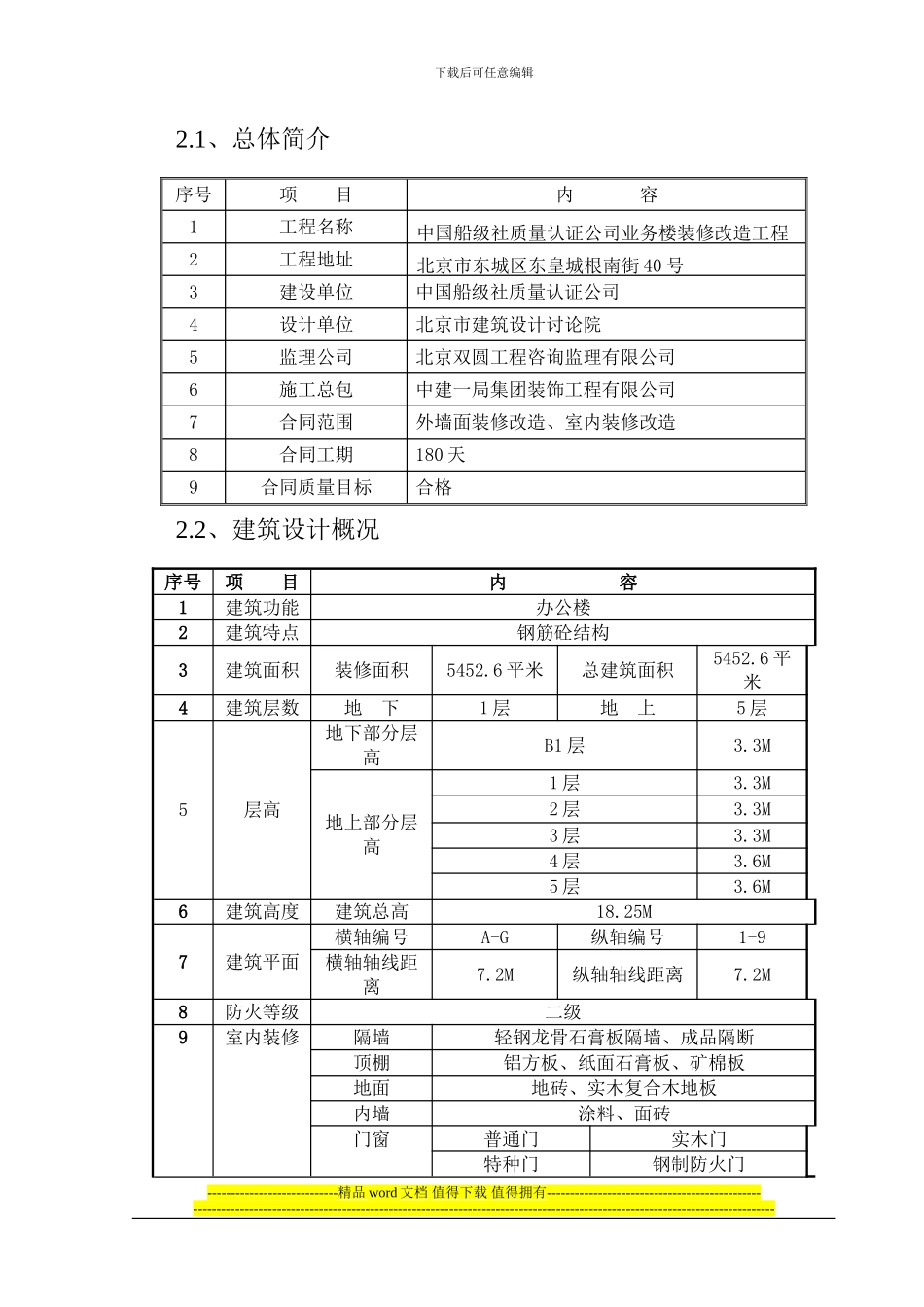
下载后可任意编辑目录1编制依据.........................................................................................- 2 -2工程概况.........................................................................................- 2 -3 消防保卫管理体系...........................................................................- 4 -4 重点部位火险分析...........................................................................- 4 -5 消防设施布置...................................................................................- 5 -6 保证措施...........................................................................................- 7 -7 灭火准备...........................................................................................- 8 -8 用火用电管理...................................................................................- 9 -9 暂设支搭、料库管理.....................................................................- 10 -10 消防奖罚制度................................................................................- 11 -11 门卫................................................................................................- 11 -1编制依据1.1《建筑给水排水及采暖工程施工质量验收法律规范》GB50242-20241.2《建筑安装分项工程施工工艺法律规范》DBJ/T01-26-20031.3《建筑施工安装图集》91SB1.4《北京市建设工程施工现场生活区设置和管理标准》 DBJ01-72-20241.5《建设工程施工现场安全防护、场容卫生、环境保护及保卫消防标准》DBJ01-83-20242工程概况----------------------------精品 word 文档 值得下载 值得拥有---------------------------------------------------------------------------------------------------------------------------------------------------------------------------下载后可任意编辑2.1、总体简介序号项 目内 容1工程名称中国船级社质量认证公司业务楼装修改造工程2工程地址北京市东城区东皇城根南街 40 号3建设单位中国船级社质量认证公司4设计单位北京市建筑设计讨论院5监理公司北京双圆工程咨询监理有限公司6施工总包中建一局集团装饰工程有限公司7合同范围外墙面装...

1、当您付费下载文档后,您只拥有了使用权限,并不意味着购买了版权,文档只能用于自身使用,不得用于其他商业用途(如 [转卖]进行直接盈利或[编辑后售卖]进行间接盈利)。
2、本站所有内容均由合作方或网友上传,本站不对文档的完整性、权威性及其观点立场正确性做任何保证或承诺!文档内容仅供研究参考,付费前请自行鉴别。
3、如文档内容存在违规,或者侵犯商业秘密、侵犯著作权等,请点击“违规举报”。

碎片内容

临水及消防施工方案

您可能关注的文档

确认删除?
VIP
微信客服
  • 扫码咨询
会员Q群
  • 会员专属群点击这里加入QQ群
客服邮箱
回到顶部