电脑桌面
添加小米粒文库到电脑桌面
安装后可以在桌面快捷访问

人货梯基础施工方案()VIP免费

人货梯基础施工方案()_第1页
1/12
人货梯基础施工方案()_第2页
2/12
人货梯基础施工方案()_第3页
3/12
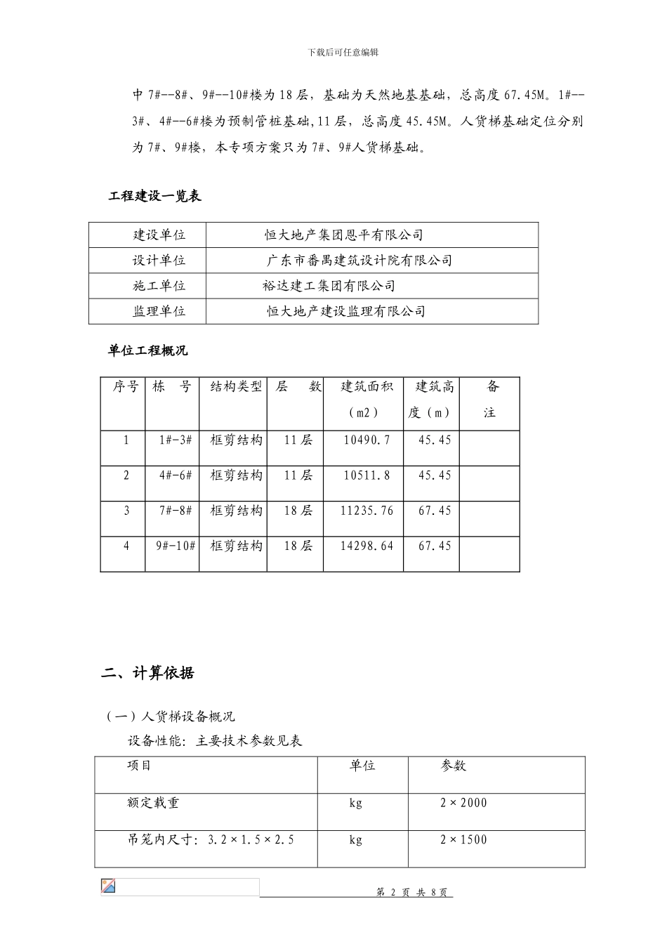
下载后可任意编辑 目 录一、工程概况................................................2二、计算依据................................................3三、基础的设置、配筋计算及地基验算..........................3四、基础施工................................................8五、人货梯基础大样附图、人货梯基础定位附图..................8一、工程概况我司承建恒大泉都首一期工程洋房区,位于江门市恩平市良西镇。洋房区均为小高层,目前已开工四栋,分别为 7#--8#、9#--10#、1#--3#、4#--6#,其 第 1 页 共 8 页 下载后可任意编辑中 7#--8#、9#--10#楼为 18 层,基础为天然地基基础,总高度 67.45M。1#--3#、4#--6#楼为预制管桩基础,11 层,总高度 45.45M。人货梯基础定位分别为 7#、9#楼,本专项方案只为 7#、9#人货梯基础。工程建设一览表建设单位恒大地产集团恩平有限公司设计单位广东市番禺建筑设计院有限公司施工单位 裕达建工集团有限公司监理单位恒大地产建设监理有限公司单位工程概况序号栋 号结构类型层 数建筑面积(m2)建筑高度(m)备 注11#-3#框剪结构11 层10490.745.45 24#-6#框剪结构11 层10511.845.45 37#-8#框剪结构18 层11235.7667.45 49#-10#框剪结构18 层14298.6467.45 二、计算依据(一)人货梯设备概况设备性能:主要技术参数见表项目单位参数额定载重kg2×2000吊笼内尺寸:3.2×1.5×2.5kg2×1500 第 2 页 共 8 页 下载后可任意编辑最大起升高度m250起升速度m/min96连续负载功率kw2×3×15标准节重量kg150标准节长度、规格m650×650×1508mm底层护栏kg1480安装位置:参附图使用高度:7#-8#、9#-10#栋安装高度为:67.86 米。使用时间:2024 年 07 月 20 日~2024 年 11 月 20 日三、基础的设置、配筋计算及地基验算 1、施工电梯位置图参附图2、地脚螺栓布置图参附图3、基础计算(1)、基础承载组合:P k =(吊笼重+底笼重+导轨架重+配重+载重)×Q其中:吊笼重(双笼):2×1500Kg 底笼重:1480Kg导轨架重:需 31 节(1#-3#、4#-6#栋),每节重 150Kg 需 45 节(7#-8#、9#-10#),每节重 150Kg天轮架重:240Kg 载重(双笼):2×2000Kg1、施工升降机自重标准值:Pk =(2×1500+1480+31×150+240+2×2000)×9.8N/kg/1000=131.026KN(1#-3#、4#-6#栋)2、施工升降机自重标准值:Pk =(2×1500+1480+45×150+240+2×2000)×9.8N/kg/...

1、当您付费下载文档后,您只拥有了使用权限,并不意味着购买了版权,文档只能用于自身使用,不得用于其他商业用途(如 [转卖]进行直接盈利或[编辑后售卖]进行间接盈利)。
2、本站所有内容均由合作方或网友上传,本站不对文档的完整性、权威性及其观点立场正确性做任何保证或承诺!文档内容仅供研究参考,付费前请自行鉴别。
3、如文档内容存在违规,或者侵犯商业秘密、侵犯著作权等,请点击“违规举报”。

碎片内容

人货梯基础施工方案()

不二商店+ 关注
实名认证
内容提供者

我是你的不二选择

确认删除?
VIP
微信客服
  • 扫码咨询
会员Q群
  • 会员专属群点击这里加入QQ群
客服邮箱
回到顶部