电脑桌面
添加小米粒文库到电脑桌面
安装后可以在桌面快捷访问

住宅工程人货梯接料平台施工方案VIP免费

住宅工程人货梯接料平台施工方案_第1页
1/30
住宅工程人货梯接料平台施工方案_第2页
2/30
住宅工程人货梯接料平台施工方案_第3页
3/30
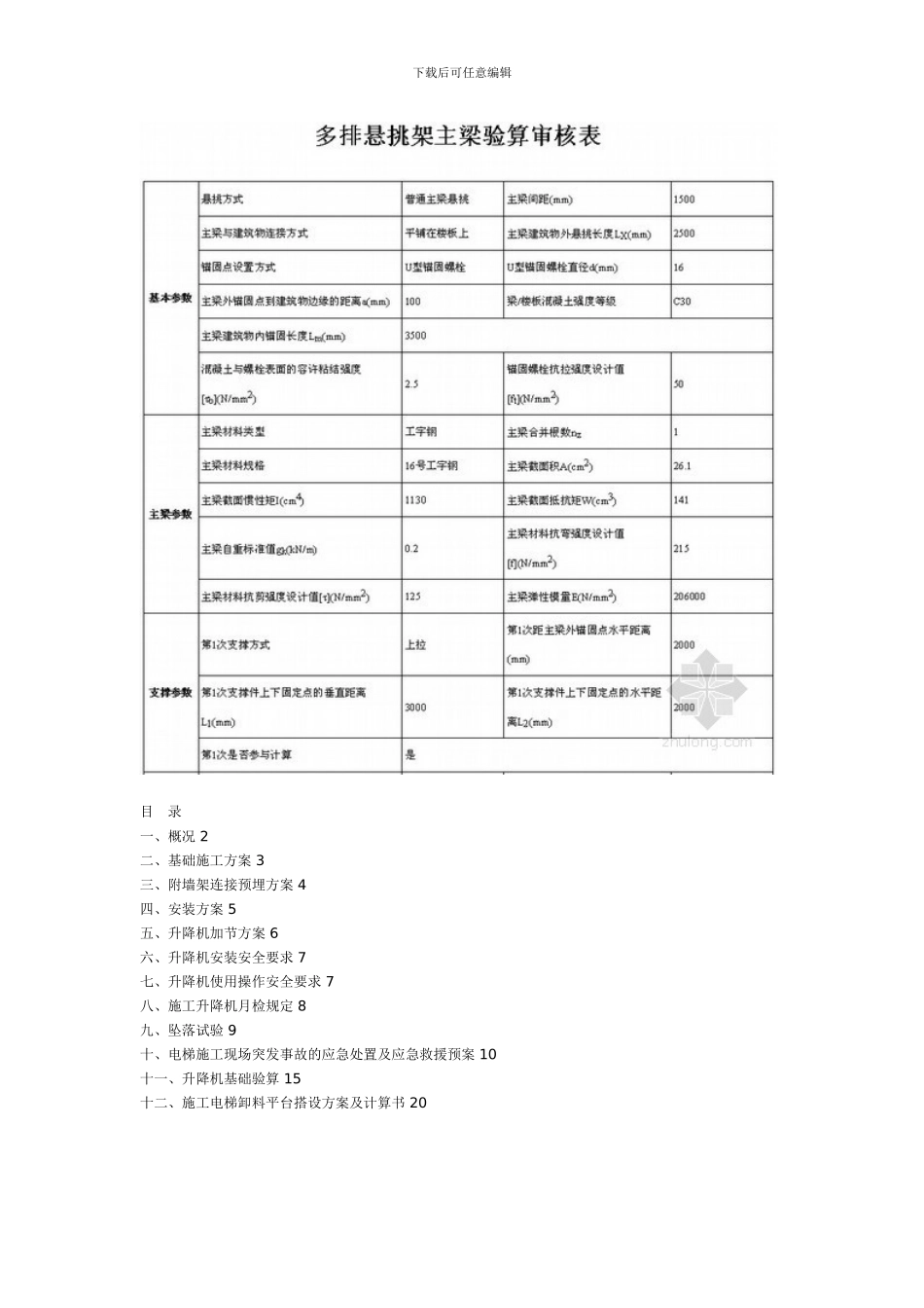
下载后可任意编辑住宅工程人货梯接料平台施工方案(计算书) 接料台搭设:接料台设置采纳 φ48X3.0mm 钢管 4 排单立杆搭设方式,脚手架与人货电梯立柱相连接。接料台大小具体根据施工电梯使用位置搭设,每层接料台与结构面平齐,外侧略高内侧 20cm,接料台与电梯笼正对面设置内开外闭安全防护门(必须设置外限位)。楼层挑架采纳 16#工字钢悬挑,做法同外架。平台上铺 50mm 松木板,平台铺板与电梯吊笼间的水平距离为 50mm~120mm。电梯防护门材料应为方管,高度为 1500mm,插销在建筑物一侧,门的里侧用钢丝网片封闭,字体为“注意安全,随手关门”。下载后可任意编辑 一至六层采纳室外落地式接料平台,总搭设高度最高为 18 米,7 层以上采纳悬挑式接料平台。 2、扣件为可锻铸造扣件,其材质应符合建设部《钢管脚手架扣件》GB15831 的要求,由有扣件生产许可证的生产厂家提供,不得有裂纹、气孔、缩松、砂眼等锻造缺陷,扣件的规格应与钢管相匹配,贴和面应平整,活动部位灵活,夹紧钢管时开口处最小距离不小于 5mm。钢管螺栓拧紧扭力矩达 65N•m 时不得破坏。旧扣件在使用前应进行质量检查,有裂缝、变形的严禁使用,出现滑丝的螺栓必须更换。新、旧扣件均应进行防锈处理。 3、水平悬挑梁,其钢材强度等级为 Q235-A,型号见材料表,水平悬挑梁所使用的钢材必须表面平整,无锈蚀。截面有足够的抗弯抵抗矩,在满载条件下其挠度变形应满足相应设计要求。 4、U 型螺栓应符合现行国家标准《钢结构设计法律规范》(GB50017)的有关规定。固定钢梁的钢筋拉环应符合现行国家标准《混凝土结构设计法律规范》(GB50010)规定。 5、搭设架子前应进行保养,除锈并统一涂色,力求环保美观。 6、脚手板、脚手片采纳符合有关要求。 7、安全网采纳密目式安全网,网目应满足 2000 目/100cm2,做耐贯穿试验不穿透,1.6×1.8m 的单张网重量在 3kg 以上,颜色应满足环境效果要求,选用绿色。要求阻燃,使用的安全网必须有产品生产许可证和质量合格证,以及由相关建筑安全监督管理部门发放的准用证。下载后可任意编辑目 录一、概况 2二、基础施工方案 3三、附墙架连接预埋方案 4四、安装方案 5五、升降机加节方案 6六、升降机安装安全要求 7七、升降机使用操作安全要求 7八、施工升降机月检规定 8九、坠落试验 9十、电梯施工现场突发事故的应急处置及应急救援预案 10十一、升降机基础验算 15十二、施工电梯卸料平台搭设方案及计...

1、当您付费下载文档后,您只拥有了使用权限,并不意味着购买了版权,文档只能用于自身使用,不得用于其他商业用途(如 [转卖]进行直接盈利或[编辑后售卖]进行间接盈利)。
2、本站所有内容均由合作方或网友上传,本站不对文档的完整性、权威性及其观点立场正确性做任何保证或承诺!文档内容仅供研究参考,付费前请自行鉴别。
3、如文档内容存在违规,或者侵犯商业秘密、侵犯著作权等,请点击“违规举报”。

碎片内容

住宅工程人货梯接料平台施工方案

您可能关注的文档

确认删除?
VIP
微信客服
  • 扫码咨询
会员Q群
  • 会员专属群点击这里加入QQ群
客服邮箱
回到顶部