电脑桌面
添加小米粒文库到电脑桌面
安装后可以在桌面快捷访问

体育场灌注桩施工组织设计VIP免费

体育场灌注桩施工组织设计_第1页
1/22
体育场灌注桩施工组织设计_第2页
2/22
体育场灌注桩施工组织设计_第3页
3/22
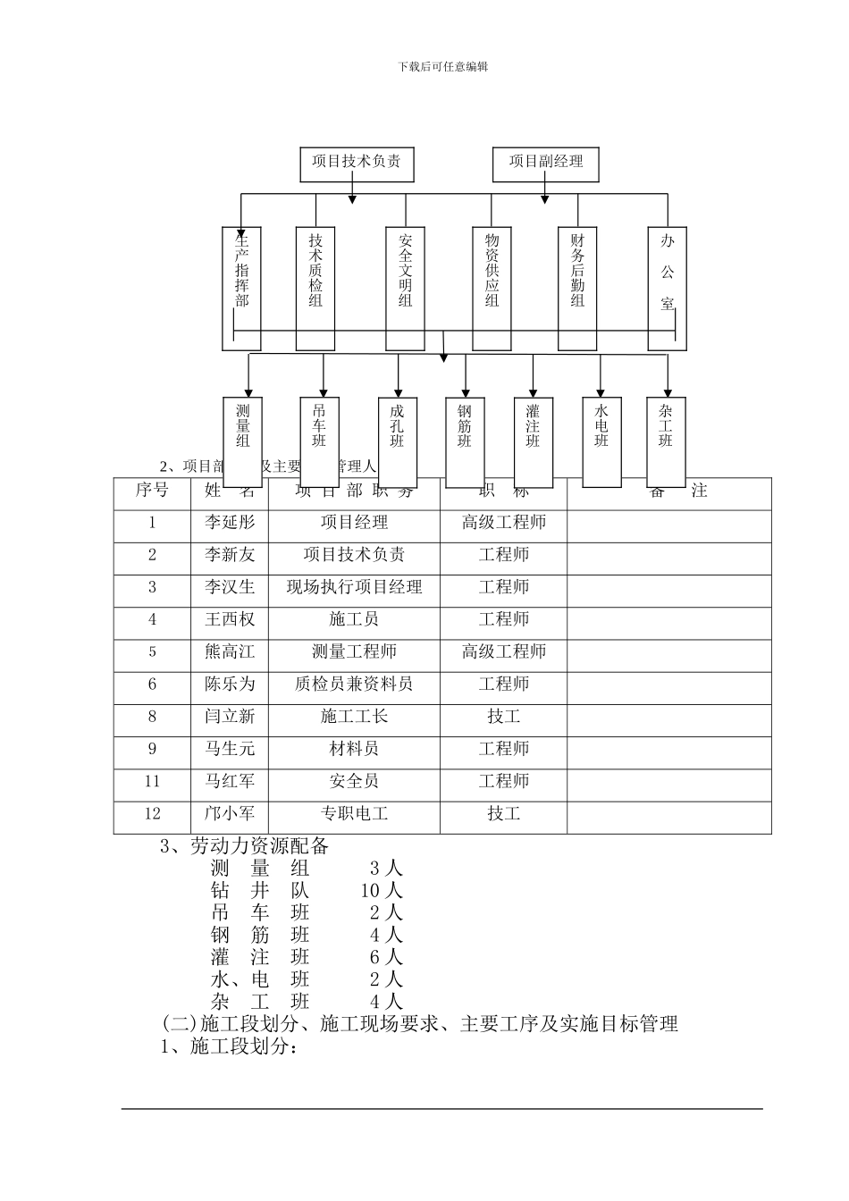
下载后可任意编辑目 录一、工程概况 二、施工组织设计编写依据三、施工方案、部署 (一)项目管理机构及施工组织(二)施工段划分及目标管理(三)施工工艺的选择(四)施工进度计划(五)施工部署(六)主要施工机械、材料资源配备四、施工技术措施 (一)工程测量 (二)钻机成孔 (三)泥浆 (四)清孔 (五)钢筋笼制作 (六)钢筋笼安置 (七)砼灌注五、质量保证措施(一)质量管理体系及主要工序的质量预控(二)质量管理的岗位职责(三)强化工程施工过程质量管理(四)严格质量管理制度的落实六、工期保证措施(一)领导重视(二)组织落实(三)资金到位(四)人力资源充足(五)施工设备配备齐全(六)后勤及材料供应专人负责(七)实现管理科学化强化计划的严肃性(八)工期奖罚措施必须到位(九)季节性施工措施提前安排考虑(十)思想工作要到位七、安全施工措施(一)施工现场安全生产保证措施(二)加强安全监督检查(三)施工现场周边安全措施八、文明施工九、环境保护措施十、工程验收 下载后可任意编辑十一、后期服务一、工程概况(一) 工程名称:榆林市体育中心地基处理工程(二) 工程建设单位:榆林市城市投资经营集团有限公司(三) 工程设计单位:上海现代建筑设计(集团)有限公司(四) 工程建设地点:榆林市经济开发区明珠大道西侧,沙河路南本工程内容包含施工图中所有灌注桩、振动砂桩、游泳馆及体育馆CFG 桩。二、施工组织设计编制依据1、《建筑桩基技术法律规范》(JGJ2024-94)2、《建筑地基处理技术法律规范》JGJ 79-20243、《建筑工程施工质量验收统一标准》(GB50300-2001)4、《建筑地基基础工程施工质量验收法律规范》(GB50202-2024)5、《混凝土结构工程施工质量验收法律规范》(GB50204-2024)6、《钢筋焊接及验收规程》(JGJ18-2024)7、《建设工程施工现场供用电安全法律规范》GB50194-93 等8、《工程测量法律规范》(GB50026-93)9、本工程招标文件及相关法律规范规程三、项目经理部组成(一)、项目经理部 公司对“榆林市体育中心地基处理工程项目”极为重视,选择技术过硬的项目部完成该工程。并对实施这一工程项目进行周密的安排部署,将从人力、财力、物力、设备等资源方面做更进一步的调配,全力以赴予以支持。选调纪律严明、作风过硬、管理严格的项目经理承担此项工程的项目经理在技术人员配备和对劳动力安排做了充分的准备,选配了一批技术过硬、经验丰富的技术管理队伍,从事各个岗位的技术...

1、当您付费下载文档后,您只拥有了使用权限,并不意味着购买了版权,文档只能用于自身使用,不得用于其他商业用途(如 [转卖]进行直接盈利或[编辑后售卖]进行间接盈利)。
2、本站所有内容均由合作方或网友上传,本站不对文档的完整性、权威性及其观点立场正确性做任何保证或承诺!文档内容仅供研究参考,付费前请自行鉴别。
3、如文档内容存在违规,或者侵犯商业秘密、侵犯著作权等,请点击“违规举报”。

碎片内容

体育场灌注桩施工组织设计

确认删除?
VIP
微信客服
  • 扫码咨询
会员Q群
  • 会员专属群点击这里加入QQ群
客服邮箱
回到顶部