电脑桌面
添加小米粒文库到电脑桌面
安装后可以在桌面快捷访问

地辐热采暖施工方案新VIP免费

地辐热采暖施工方案新_第1页
1/14
地辐热采暖施工方案新_第2页
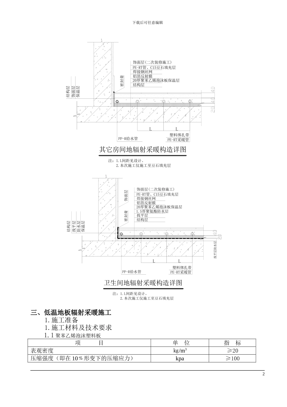
2/14
地辐热采暖施工方案新_第3页
3/14
一、工程概况:沣西新城康定和园安置小区(北区)工程位于西咸新区沣西新城康定路南侧、白马河西侧,主楼剪力墙结构,裙楼框架结构。3#、4#地下二层,地上塔楼 32 层;7#、12#、15#地下二层,地上塔楼 27 层和 32 层;9#、14#地下二层,地上塔楼 27 层;共 4 栋商住宅楼 3#楼住宅楼,独立地下车库两层,总建筑面积为 193219.77㎡的建筑安装工程, 抗震设防烈度为 8 度,剪力墙抗震等级为二级;建筑结构安全等级二级。本工程住宅部分采纳低温热水地板辐射采暖,采暖系统采纳双立管分户热计量系统。供回水立管安装在管井内,每户均设热量表,地埋管(管道井至户内分、集水器)采纳耐高温聚乙烯(PE-RT)管,室内盘管采纳 De20*2.3,每户在厨房设分、集水器。分、集水器上均设有自动放气。二、编制依据1. 设计、建设单位出具的图纸、文件及变更。2. 《住宅建筑法律规范》GB50368-20243. 《给排水与采暖工程施工工艺标准》ZJQ00-SG-010-20244. 《建筑给排水及采暖工程施工质量验收法律规范》 GB50242-20245. 《地面辐射供暖技术规程》 JGJ142-20246. 《建筑工程冬期施工规程》 JGJ/T-20247. 《冷热水用耐热聚乙烯(PE-RT)管道系统》 CJ/T 175-20248. 《采暖通风与空气调节设计法律规范》GB50019-20249《陕西省居住建筑节能设计标准》DBJ61-65-2024二、低温地板辐射采暖简解1.低温地板辐射采暖的特点地板采暖以温度不高于 40-50℃的热水为热媒,在加热管内循环流动,加热地板,通过地面以辐射和对流的传热方式向室内供热的供暖方式。这一更具人性化的采暖方式,以其舒适、卫生、保健、高效、节能、不占使用面积、使用寿命长等特点,日渐成为时尚、品味生活不可或缺的部分。它是通过埋设在地板下混凝土层中的加热盘管的热水循环把地表温度加热并保持在 18℃左右,通过辐射,使房间气温达到人体适宜的温度。2.低温地板辐射采暖的构造组成详见下图 1下载后可任意编辑结构层 20厚聚苯乙烯泡沫板保温层 铝箔反射膜 PE-RT管、C15豆石填充层 饰面层(二次装修施工) 结构层 饰面层 保温层 密封膏 焊接钢丝网 PE-RT采暖管 塑料绑扎带 其它房间地辐射采暖构造详图 PP-R给水管 LL注:1.L间距见设计。 2.本次施工仅施工至豆石填充层 结构层 找平层防水层找平层 1.5厚聚氨酯防水层 20厚聚苯乙烯泡沫板保温层 铝箔反射膜 PE-RT管、C15豆石填充层 饰面层(二次装修施工) 结构层 找平层 防水层 保温层 密封膏 ...

1、当您付费下载文档后,您只拥有了使用权限,并不意味着购买了版权,文档只能用于自身使用,不得用于其他商业用途(如 [转卖]进行直接盈利或[编辑后售卖]进行间接盈利)。
2、本站所有内容均由合作方或网友上传,本站不对文档的完整性、权威性及其观点立场正确性做任何保证或承诺!文档内容仅供研究参考,付费前请自行鉴别。
3、如文档内容存在违规,或者侵犯商业秘密、侵犯著作权等,请点击“违规举报”。

碎片内容

地辐热采暖施工方案新

文森传品+ 关注
实名认证
内容提供者

一家传播文化教育的小店,资料丰富,随意挑选。

确认删除?
VIP
微信客服
  • 扫码咨询
会员Q群
  • 会员专属群点击这里加入QQ群
客服邮箱
回到顶部