电脑桌面
添加小米粒文库到电脑桌面
安装后可以在桌面快捷访问

基于IEM法的施工安全管理综合评价VIP专享VIP免费

基于IEM法的施工安全管理综合评价_第1页
1/9
基于IEM法的施工安全管理综合评价_第2页
2/9
基于IEM法的施工安全管理综合评价_第3页
3/9
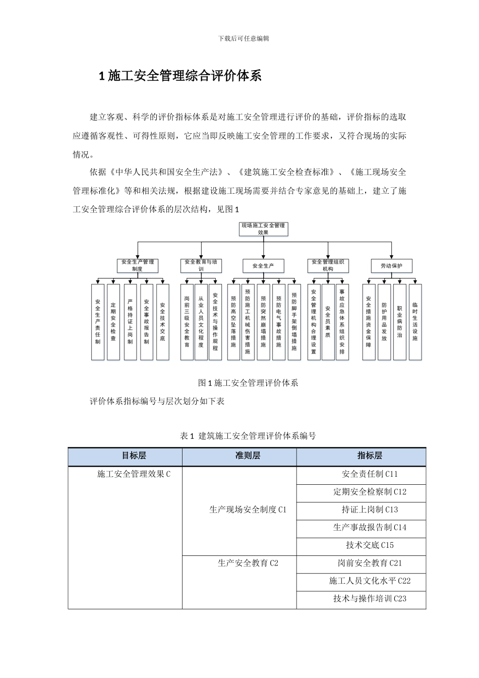
下载后可任意编辑基于 IEM 法的施工安全管理综合评价摘要:在建筑施工现场,由于任务分工多,人员数量大,工作风险系数高等原因,给施工安全管理带来了非常大挑战。如何客观、有效的对施工安全管理进行评价,加强对施工安全的控制是当今学界普遍讨论和关注的问题。本文根据法规和法律规范,国家行业相关法律、从安全管理制度、安全教育和宣传、安全管理组织架构等方面构建了施工安全管理综合评价体系,然后通过 IEM 法给各个指标给予权重;最后通过实证分析,证明了该方法的有效性,能够较为全面反映施工现场的安全管理状况。0 引言建筑行业与一般生产固定、产品流动不同,它具有产品固定、生产流动的特点,再加上露天作业、施工时间久、工作强度大以及从业人员教育水平偏低的特点,非常容易发生安全隐患事故。根据相关统计资料,在现场作业中,施工人员的受伤比例要远远高于其他从业人员。在我国等生产性行业中,建筑施工行业的事故发生率和死亡率常年位居前列。近年来施工现场安全管理越来越得到我国相关部门与行业相关组织的重视,同时也有相对应的法律法规陆续出台,但是由于施工现场作业的复杂性、高风险性,使得我国的施工安全管理始终困难重重。如今,各个地方都在争相建设高层建筑,同时高层建筑的施工现场也是安全事故频发的“重灾区”,如何梳理高层建筑施工安全管理的各相关因素,对施工现场的安全管理进行科学合理的评价,是急需解决的问题。传统的施工管理安全评价方法偏重对于发生事故的因果分析,真正对于安全管理上的改进意见较为缺乏;另外一些方法存在着可信度不足精确度较低的特点,存在较强的主观性。本文结合新加坡等一些国家的安全管理理念,对我国的安全管理体系进行进一步完善。同时采纳,区间数的层次分析法,在克服一定主观性的基础上,对我国高层建筑现场施工安全管理进行客观评价。下载后可任意编辑1 施工安全管理综合评价体系建立客观、科学的评价指标体系是对施工安全管理进行评价的基础,评价指标的选取应遵循客观性、可得性原则,它应当即反映施工安全管理的工作要求,又符合现场的实际情况。依据《中华人民共和国安全生产法》、《建筑施工安全检查标准》、《施工现场安全管理标准化》等和相关法规,根据建设施工现场需要并结合专家意见的基础上,建立了施工安全管理综合评价体系的层次结构,见图 1图 1 施工安全管理评价体系评价体系指标编号与层次划分如下表表 1 建筑施工安全管理评价体系编号目标层...

1、当您付费下载文档后,您只拥有了使用权限,并不意味着购买了版权,文档只能用于自身使用,不得用于其他商业用途(如 [转卖]进行直接盈利或[编辑后售卖]进行间接盈利)。
2、本站所有内容均由合作方或网友上传,本站不对文档的完整性、权威性及其观点立场正确性做任何保证或承诺!文档内容仅供研究参考,付费前请自行鉴别。
3、如文档内容存在违规,或者侵犯商业秘密、侵犯著作权等,请点击“违规举报”。

碎片内容

基于IEM法的施工安全管理综合评价

确认删除?
VIP
微信客服
  • 扫码咨询
会员Q群
  • 会员专属群点击这里加入QQ群
客服邮箱
回到顶部