电脑桌面
添加小米粒文库到电脑桌面
安装后可以在桌面快捷访问

综合改造维修工程施工组织设计VIP免费

综合改造维修工程施工组织设计_第1页
1/79
综合改造维修工程施工组织设计_第2页
2/79
综合改造维修工程施工组织设计_第3页
3/79
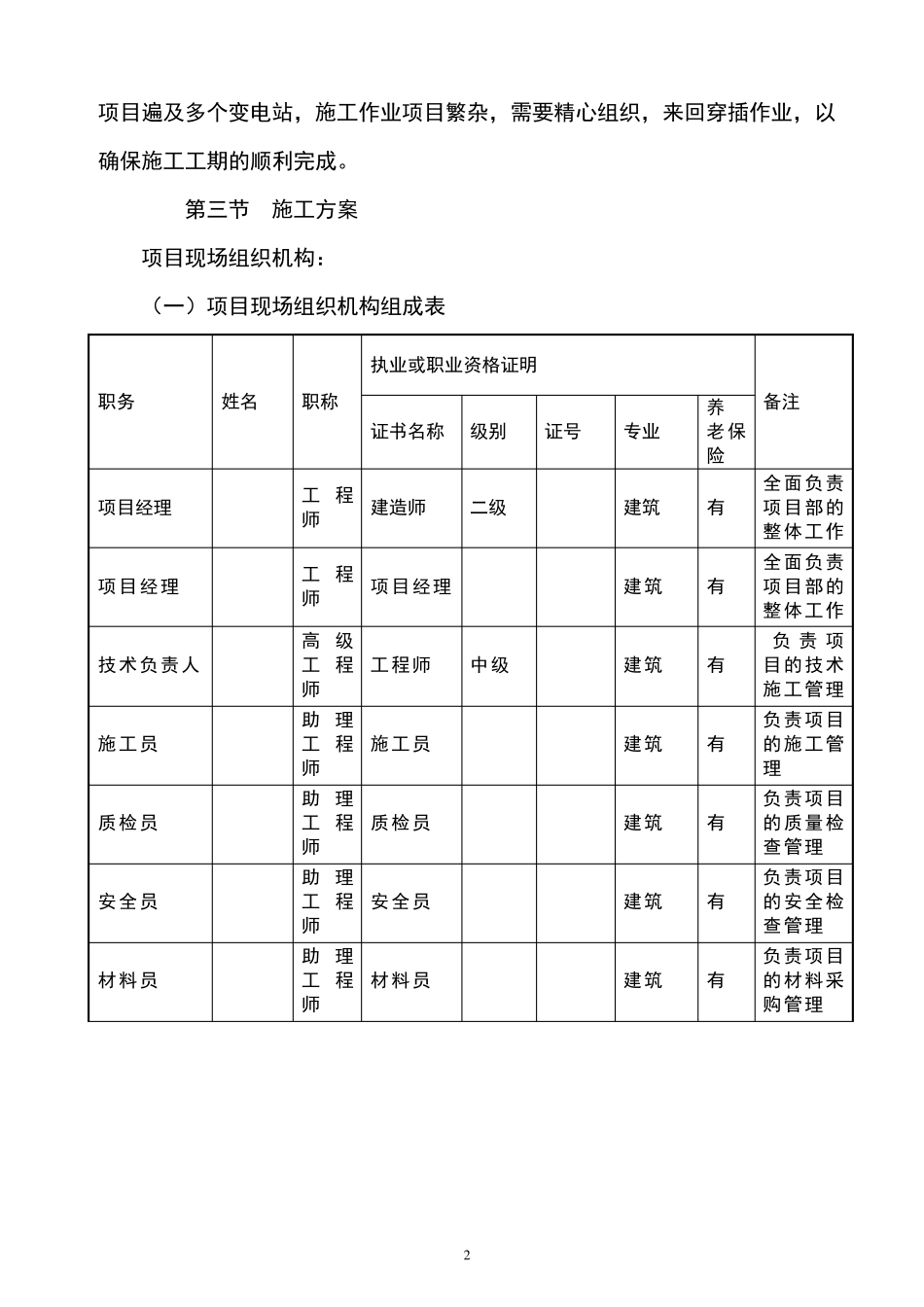
三、施工组织设计 目 录 第一章 施工设计………………………………………………………47 第一节 编制说明……………………………………………………..47 第二节 工程概况、特点………………………………………………47 第三节 施工方案……………………………………………………..47 第四节 施工管理及控制………………………………………………51 第五节 主要工序等施工方法…………………………………………54 第六节 工程管理及工期、技术保障措施……………………………68 第二章 创优计划 …………………………………………………78 第一节 目标管理……………………………………………………..79 第二节 各项管理措施………………………………………………..79 第三节 应急预案………………………………………………………91 第三章 附表 ………………………………………………………97 1、附表 1 拟投入本工程的主要施工设备表 2、附表 2 拟配备本工程的试验和检测仪器设备表 3、附表 3 劳动力计划表 4、附表 4 计划开、竣工日期和施工进度网络图 5、附表 5 施工总平面图 6、附表 6 临时用地表 7、附表 7 拟分包项目情况表 1 第一章 施工设计 第一节 编制说明 一、编制依据: 1、“总部统一组织监控,省公司具体实施”*招标采购追加批次项目招标文件。 2、国家、行业、省及烟台市有关建筑安装工程施工验收规范、标准及有关规 1)建筑工程施工质量验收统一标准(GB 50300-2001) 2)建筑地基基础工程施工质量验收规范(GB 50202-2002) 3)砌体工程施工质量验收规范(GB 50203-2002) 4)混凝土结构工程施工质量验收规范(GB 50204-2002) 5)屋面工程质量验收规范(GB 50207-2002) 6)建筑地面工程施工质量验收规范(GB 50209-2002) 7)建筑装饰装修工程施工质量验收规范(GB 50210-2001) 8)建筑给水排水及采暖工程施工质量验收规范(GB 50242-2002) 9)建筑电气工程施工质量验收规范(GB 50303-2002) 10)建筑工程冬期施工规程(JGJ104-97) 11)电气安装工程接地装置施工及验收规范(GB 50169-2006) 二、编制范围: **等 2 个工程所包含的内、外墙粉刷,屋面防水,线路及灯具、给排水及管道卫生洁具的更换、改造全部工程项目。 第二节 工程概况特点 “总部统一组织监控,省公司具体实施”, *等 2 个工程改造项目,施工 2 项目遍及多...

1、当您付费下载文档后,您只拥有了使用权限,并不意味着购买了版权,文档只能用于自身使用,不得用于其他商业用途(如 [转卖]进行直接盈利或[编辑后售卖]进行间接盈利)。
2、本站所有内容均由合作方或网友上传,本站不对文档的完整性、权威性及其观点立场正确性做任何保证或承诺!文档内容仅供研究参考,付费前请自行鉴别。
3、如文档内容存在违规,或者侵犯商业秘密、侵犯著作权等,请点击“违规举报”。

碎片内容

综合改造维修工程施工组织设计

小辰8+ 关注
实名认证
内容提供者

出售各种资料和文档

确认删除?
VIP
微信客服
  • 扫码咨询
会员Q群
  • 会员专属群点击这里加入QQ群
客服邮箱
回到顶部